Запчасти Case IH 1660 (9E-14) - GRAIN TANK UNLOADER BELT DRIVE, (CONTD) (17) - GRAIN TANK & UNLOADER

Схема запчастей Case IH 1660 - (9E-14) - GRAIN TANK UNLOADER BELT DRIVE, (CONTD) (17) - GRAIN TANK & UNLOADER
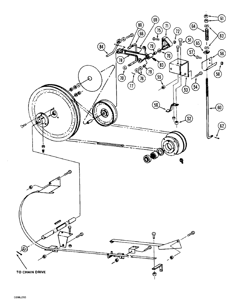
80
69
56
79
75
58
50
65
70
76
66
71
76
53
54
61
60
57
77
55
83
62
79
51
78
64
52
63
84
72
FIT
1:1
100%

Артикул

Название

Примечание

Количество

50

193627C1

SUPPORT

- trap, belt

1шт.

51

154273C1

BOLT,Hex Serr, 3/8" - 16 x 1", Spcl

- hex, self-locking, special, 3/8 NC x 1 inch

2шт.

52

231-5146

FLANGE NUT,3/8"-16

2шт.

53

194599C1

SUPPORT

CHANNEL - inner, belt guide

1шт.

54

413-824

BOLT,Hex, 1/2" - 13 x 1-1/2", Gr 5

2шт.

55

231-5148

FLANGE NUT,Flg, USR, 1/2"-13

2шт.

56

185062C1

SUPPORT

- spring

1шт.

57

409-7516

BOLT,Hex Flg, 5/16" - 18 x 1", Spcl

2шт.

58

231-5145

SERRATED NUT,Flg, USR, 5/16"-18

NUT - hex serrated flange, 5/16 inch NC

2шт.

60

185061C1

ROD

- tightener

1шт.

61

425-108

NUT,1/2" - 13, Gr 5

NUT, , Hex 1/2"-13, G5

2шт.

62

432-1216

COTTER PIN,3/16" x 1"

1шт.

63

495-81287

WASHER,13.49mm ID x 31.75mm OD x 3.4mm Thk

- flat, 17/32 x 1-1/4 x 7/64 inch

2шт.

64

391745R1

SPRING

- tightener

1шт.

65

194652C1

PIVOT

- rod

1шт.

66

193820C1

ROD

- retainer

1шт.

69

432-816

COTTER PIN,1/8" x 1"

1/8" x 1"

4шт.

70

495-81129

WASHER,13/32" x 3/4" x .120"

- flat, 13/32 x 3/4 x 7/64 inch

4шт.

71

191464C3

SUPPORT

- arm, tightener (Replaces support 191464C2)

1шт.

72

231-5145

SERRATED NUT,Flg, USR, 5/16"-18

NUT - hex serrated flange, 5/16 inch NC

2шт.

75

409-7520

BOLT,Hex Flg, 5/16" - 18 x 1 1/4", Spcl

- hex serrated flange, 5/16 NC x 1-1/4 inch

2шт.

76

495-81039

WASHER,25/32" x 1 1/4" x .120"

- flat, 25/32 x 1-1/4 x 7/64 inch

3шт.

77

432-1620

COTTER PIN,1/4" x 1 1/4"

Pin, Split (Cotter), 1/4" x 1 1/4"

1шт.

78

185059C92

ARM ASSY.

ARM ASSEMBLY - tightener, Includes: Ref. 79 - 83

1шт.

79

382638R2

BUSHING,19.07mm ID x 22.24mm OD x 19.05mm L

- arm, 3/4 ID x 7/8 OD x 3/4 inch wide

2шт.

80

1302225C1

BUSHING

- arm, 3/8 ID x 1/2 OD x 3/4 inch wide

1шт.

83

219-87

LUBE NIPPLE,1/4" - 28 NPTF

NIPPLE, LUBE, 1/4"-28 x .56" lg, Self-Tap

1шт.

84

194894C1

ROD

- belt, upper

1шт.

Выбрано товаров: 28