Запчасти Case IH 1660 (9F-18) - STRAW CHOPPER ROTOR AND CONCAVE, EXPORT COMBINE ONLY (19) - STRAW SPREADER & CHOPPER

Схема запчастей Case IH 1660 - (9F-18) - STRAW CHOPPER ROTOR AND CONCAVE, EXPORT COMBINE ONLY (19) - STRAW SPREADER & CHOPPER
11
38
41
2
15
13
45
4
30
19
43
47
37
41
34
24
1
35
14
7
9
12
25
22
18
10
17
9
35
2
6
31
35
29
39
42
8
32
46
35
39
13
36
33
40
22
3
11
5
28
36
16
36
12
21
40
31
36
30
27
5
10
23
26
8
FIT
1:1
100%

Артикул

Название

Примечание

Количество

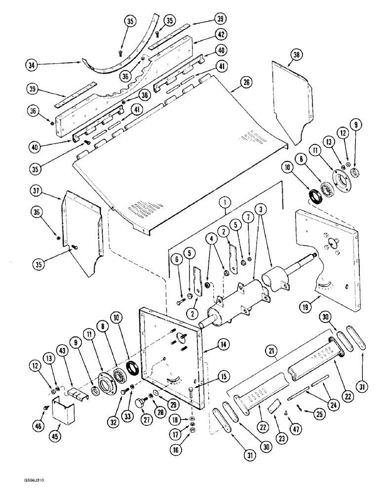
1

1322237C91

ROTOR

ASSEMBLY - straw chopper, Includes: Ref. 2 - 7

1шт.

2

1322241C2

KNIFE

BLADE - chopper (Replaces blade 1322241C1)

44шт.

3

NSS

NOT SOLD SEPARAT

ROTOR - chopper, order rotor assembly 1322237C91

1шт.

4

1322242C1

SPACER

- chopper blade

44шт.

5

1322243C2

BUSHING,10.5mm ID x 30mm OD x 10mm L

PIVOT - chopper blade (Replaces pivot 1322243C1)

44шт.

6

827-10050

BOLT,Hex, M10 x 1.5 x 50mm, Cl 10.9

- hex, 10-1.5 x 50 mm, class 10.9

22шт.

7

832-41310

NUT,M10 x 1.5, Cl 10

NUT - hex, self-locking, 10 mm - 1.5, class 10 (Replaces nut 905262R1)

22шт.

8

1322228C91

ROLLER BEARING,40mm ID x 80mm OD x 18mm W

- straw chopper, bore

2шт.

9

1322251C91

COLLAR

COLLAR - bearing

2шт.

Ref #9, part number 1322251C91, is collar assy. The bearing is part number is 96328C1. bj 7-21-97

1шт.

10

936131R1

RUBBER RING,92.46mm ID x 23.01mm OD x 23.01mm L

- bearing

2шт.

11

936130R2

FLANGE

- bearing

2шт.

12

829-1312

NUT,M12 x 1.75, Cl 10

- hex, 12 mm - 1.75, class 10 (Replaces nut 30169R1)

8шт.

13

80679

LOCK WASHER,1/20.507 CST ZND

WASHER, LOCK, 1/2"

8шт.

14

1322244C1

COVER

SUPPORT - chopper, left-hand

1шт.

15

413-616

BOLT,Hex, 3/8" - 16 x 1", Gr 5

- hex, 3/8 NC x 1 inch

20шт.

16

425-106

NUT,3/8"-16, Cl 5

20шт.

17

492-11038

LOCK WASHER,3/8"

20шт.

18

496-21041

WASHER,13/32" x 13/16" x .089", HDN

- flat, 13/32 x 13/16 x 3/32", hardened

20шт.

19

1322245C1

SUPPORT

- chopper, right-hand

1шт.

21

1322240C91

SUPPORT

ASSEMBLY - chopper concave, Includes: Ref. 22 - 25

1шт.

22

1322246C1

SUPPORT

- concave bar

1шт.

23

1322233C2

KNIFE,168.5mm L x 40mm W x 3mm Thk

BLADE - chopper concave (Replaces blade 1322233C1)

43шт.

24

1322247C1

ROD

- stationary

1шт.

25

1322252C1

HAIR PIN COTTER

- quick attach

1шт.

26

1322238C1

PANEL

BOTTOM - chopper deflector

1шт.

27

1322232C1

BUTTON,Screw, M12 x 45mm

KNOB - adjusting

4шт.

28

80679

LOCK WASHER,1/20.507 CST ZND

WASHER, LOCK, 1/2"

4шт.

29

495-81163

WASHER,17/32" x 1 1/2" x .120"

- flat, 17/32 x 1-1/2 x 7/64 inch

8шт.

30

1322248C1

BLOCK

SHIM - chopper bar

3шт.

31

1322249C1

LINK

ARM - control

2шт.

32

628-12030

BOLT,Hex, M12 x 1.75 x 30mm, Cl 10.9, Full Thd

(Replaces bolt 30042R1) Hex, M12 x 30, 10.9, Full Thd

4шт.

33

892-11012

LOCK WASHER,M12

WASHER - flat, 13.5 x 24 x 3 mm, hardened (Replaces washer 933966R1)

4шт.

34

182898C1

SUPPORT

PLATE - filler, rear, if equipped

1шт.

35

477-73812

SERRATED SCREW,Truss HD, 3/8" - 16 x 3/4"

BOLT - serrated slotted truss head, 3/8 NC x 3/4 inch

29шт.

36

231-5146

FLANGE NUT,3/8"-16

29шт.

37

182946C1

DEFLECTOR

- discharge, left-hand, if equipped

1шт.

38

182947C1

DEFLECTOR

- discharge, right-hand, if equipped

1шт.

39

182891C1

PLATE

- bulkhead filler, rear, if equipped

2шт.

40

182894C1

HINGE

- pan, if equipped

1шт.

41

182977C1

ROD

- lower hinge, if equipped

1шт.

42

182929C1

SUPPORT

- cage, lower rear

1шт.

43

181209C1

SUPPORT

- sensor

1шт.

45

181208C3

SUPPORT

COVER - sensor

1шт.

46

280-1478

SELF-TAP SCREW,HWH, 1/4-14 x 1/2"

SCREW - self-tapping, hex washer head, 1/4-14 x 1/2 inch

2шт.

47

104236

RIVET,4.76mm OD x 15.88mm L

1шт.

1957329C1

BLOCK

SHIM - locking

2шт.

Выбрано товаров: 47