Запчасти Case IH 1660 (7-10) - MASTER BRAKE CYLINDER (5.1) - BRAKES

Схема запчастей Case IH 1660 - (7-10) - MASTER BRAKE CYLINDER (5.1) - BRAKES
7
15
21
4
14
5
9
6
1
13
11
12
10
17
3
2
20
19
8
18
16
FIT
1:1
100%

Артикул

Название

Примечание

Количество

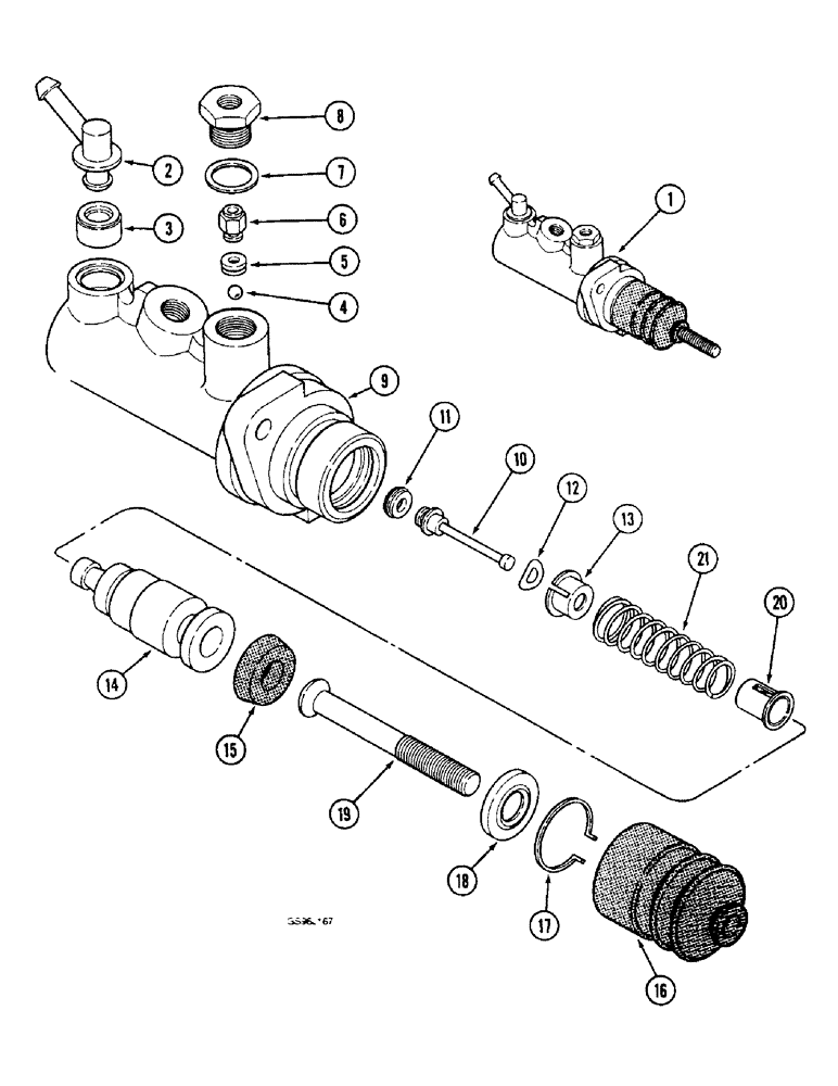
1

1281884C91

MASTER CYLINDER,37mm Stroke

ASSEMBLY - 1 (25) ID x 1-1/2 inch (37mm) stroke, Includes: Ref. 2 - 21

1шт.

2

85108C1

SEAL KIT

- inlet port and seal, Includes: Ref. 3

1шт.

3

NSS

NOT SOLD SEPARAT

SEAL - adapter

1шт.

Part of repair kit 1288941C91

1шт.

4

NSS

NOT SOLD SEPARAT

BALL - cylinder

1шт.

Part of repair kit 1288941C91

1шт.

5

NSS

NOT SOLD SEPARAT

SEAL - flow valve

1шт.

Part of repair kit 1288941C91

1шт.

6

NSS

NOT SOLD SEPARAT

VALVE - flow

1шт.

7

NSS

NOT SOLD SEPARAT

GASKET - adapter

1шт.

Part of repair kit 1288941C91

1шт.

8

NSS

NOT SOLD SEPARAT

ADAPTER - flow valve

1шт.

9

NSS

NOT SOLD SEPARAT

BODY - cylinder

1шт.

10

NSS

NOT SOLD SEPARAT

STEM - valve

1шт.

11

NSS

NOT SOLD SEPARAT

SEAL - center valve

1шт.

Part of repair kit 1288941C91

1шт.

12

NSS

NOT SOLD SEPARAT

WASHER - curved

1шт.

Part of repair kit 1288941C91

1шт.

13

NSS

NOT SOLD SEPARAT

SPACER - valve

1шт.

14

NSS

NOT SOLD SEPARAT

PLUNGER - cylinder

1шт.

15

NSS

NOT SOLD SEPARAT

SEAL - gland

1шт.

Part of repair kit 1288941C91

1шт.

16

85109C1

BELLOWS

BOOT - master brake cylinder

1шт.

Part of repair kit 1288941C91

1шт.

17

NSS

NOT SOLD SEPARAT

RING - retaining

1шт.

Part of repair kit 1288941C91

1шт.

18

NSS

NOT SOLD SEPARAT

WASHER - retaining

1шт.

19

NSS

NOT SOLD SEPARAT

ROD - push

1шт.

20

NSS

NOT SOLD SEPARAT

RETAINER - spring

1шт.

21

NSS

NOT SOLD SEPARAT

SPRING - return

1шт.

1288941C91

PACKAGE, REPAIR

KIT - repair, master brake cylinder, Includes: Ref. 3, 4, 5, 7, 11, 12, 15, 16, and 17

1шт.

Выбрано товаров: 31