Запчасти Case IH 1660 (2-24) - TURBOCHARGER, DT466B ENGINE (01) - ENGINE

Схема запчастей Case IH 1660 - (2-24) - TURBOCHARGER, DT466B ENGINE (01) - ENGINE
7
4
2
15
9
5
13
14
23
22
24
3
14
20
19
10
24
6
21
18
8
16
3
1
14
11
12
25
23
2
15
17
14
3
FIT
1:1
100%

Артикул

Название

Примечание

Количество

A184781

TURBOCHARGER

TURBOCHARGER ASSEMBLY - engine, new, Includes: Ref. 1 - 25

1шт.

735270C91

REMAN-TURBOCHARGER

1660 Prior To SN JJC0038346 w/Navistar Engine

1шт.

1928011C1

CORE-TURBOCHARGER

Return Number

1шт.

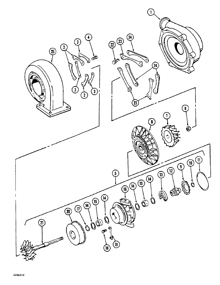
1

A45096

HOUSING

HOUSING - compressor (Replaces housing 684366C1)

1шт.

2

A44838

CLAMP

CLAMP - housing plate

1шт.

3

630609C1

PLATE

PLATE - housing lock, no longer used

3шт.

4

1809618C1

BOLT

BOLT - hex special

6шт.

5

684357C92

REMAN-ROTOR ASSY

ROTOR ASSEMBLY - remanufactured

1шт.

5

A184783

ROTOR

ROTOR ASSEMBLY - new, Includes: Ref. 6 - 21

1шт.

6

615741C2

NUT

NUT - impeller lock

1шт.

7

A45016

IMPELLER

WHEEL - impeller (Replaces wheel 684364C1)

1шт.

8

630614C91

PLATE

PLATE - impeller back

1шт.

9

615747C1

SPRING WASHER

SPRING - collar

1шт.

10

A44828

RING

RING - piston (Replaces ring 615746C1)

1шт.

11

A44833

RING

RING - seal

1шт.

12

615745C2

COLLAR

COLLAR - thrust

1шт.

13

A44832

THRUST BEARING,0.172"

BEARING - thrust

1шт.

14

A44827

RING

RING - retaining

4шт.

15

687965C1

BRONZE BUSHING,0.4014" ID x 0.6188" OD x 0.41"

BEARING - housing journal

2шт.

16

684360C92

KIT

HOUSING - center

1шт.

17

A44829

RING

RING - piston (Replaces ring 684359C2)

1шт.

18

1809617C1

BOLT,Hex, 1/4" x 5/8", Gr 8

BOLT - hex special, 1/4 NC x 5/8 inch, grade 8

4шт.

19

625675C1

PLATE, LOCKING

PLATE - backplate lock, no longer used

2шт.

20

A45091

GUARD

SHROUD - turbine wheel (Replaces shroud 627771C1)

1шт.

21

1806082C1

TURBINE

WHEEL AND SHAFT - turbine, no longer serviced, order turbocharger assembly

1шт.

22

684246C1

BOLT

BOLT - housing lock plate

6шт.

23

615739C1

PLATE, LOCKING

PLATE - housing lock

3шт.

24

684245C1

CLAMP

CLAMP - housing plate

3шт.

25

A44846

HOUSING

HOUSING - turbine (Replaces housing 630675C1)

1шт.

Выбрано товаров: 29