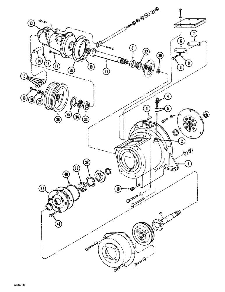
Запчасти Case IH 1660 (6-02) - POWER TAKEOFF DRIVE (03) - POWER TRAIN

Схема запчастей Case IH 1660 - (6-02) - POWER TAKEOFF DRIVE (03) - POWER TRAIN
6
14
7
31
13
41
3
34
18
26
18
16
27
28
32
39
4
29
36
9
19
40
5
38
8
37
17
30
35
15
33
2
1
FIT
1:1
100%

Артикул

Название

Примечание

Количество

1

184433C3

HOUSING

ASSEMBLY - power takeoff drive (Replaces housing assembly 188075C92) Includes: Ref. 2 and 3 and parts in Fig. 6-4

1шт.

2

188072C1

TUBE,25.4 mm OD, 127 mm Length

- dipstick, oil

1шт.

3

1330136C1

DOWEL

PIN - dowel, locating (Replaces pin 375362R1)

2шт.

4

186019C91

DIPSTICK

ASSEMBLY - oil level (Replaces gauge assembly 188073C91), Includes: Ref. 5

1шт.

5

238-5210

O-RING,0.139" Thk x 0.734" ID, -210, Cl 5, 75 Duro

2шт.

6

185056C1

COVER

- bolt access hole

1шт.

7

185057C2

GASKET,0.91mm Thk

- access cover

1шт.

8

413-68

BOLT,Hex, 3/8" - 16 x 1/2", Gr 5

2шт.

9

492-11038

LOCK WASHER,3/8"

2шт.

13

195461C93

HOUSING

ASSEMBLY - separator drive, Includes: Ref. 14

1шт.

14

195439C2

PIN,25.29mm OD x 101.6mm L

- clutch housing

1шт.

15

495-81073

WASHER,1-1/32" x 1-3/4" x .060" Thk

- flat, 1-1/32 x 1-3/4 x 1/16 inch

4шт.

16

432-1624

COTTER PIN,1/4" x 1 1/2"

Pin, Split (Cotter), 1/4" x 1-1/2"

1шт.

17

426-620

BOLT,Hex, 3/8" - 16 x 1-1/4", Gr 8

6шт.

18

50057K

PLUG

- separator and power takeoff housing

2шт.

19

188279C1

O-RING,0.139" Thk x 7.984" ID, -266, Cl 6, 90 Duro

- 8 ID x 1/8 inch wide

1шт.

188195C1

SHIM KIT

KIT - shim, separator drive housing, Includes: Ref. 26

1шт.

26

NSS

NOT SOLD SEPARAT

SHIM - separator housing, 0.005 inch, order kit 188195C1

1шт.

26

NSS

NOT SOLD SEPARAT

SHIM - separator housing, 0.007 inch, order kit 188195C1

1шт.

26

NSS

NOT SOLD SEPARAT

SHIM - separator housing, 0.010 inch, order kit 188195C1

1шт.

26

NSS

NOT SOLD SEPARAT

SHIM - separator housing, 0.030 inch, order kit 188195C1

1шт.

27

191459C1

SHAFT ASSY.

SHAFT - separator drive

1шт.

28

18521R1

LOCK NUT,1"-14, G8

NUT - hex, self-locking, 1 inch NF

1шт.

29

396-31106

WASHER,1.06" ID x 2" OD x 0.22" Thk

- flat, 1-1/16 x 2 x 7/32 inch, hardened

1шт.

30

194737C1

LOCK NUT

- hex, special, 1 inch NF

1шт.

31

130503H

BEARING CUP

CUP - tapered roller bearing, 3-17/64 inch OD, separator housing rear

1шт.

32

300426R91

BEARING ASSY,45.618 mm ID x 25.4 mm

BEARING - tapered roller, 1-25/32 inch ID, separator housing rear

1шт.

33

376463C1

BEARING CUP

CUP - tapered roller bearing, 3-15/64 inch OD, separator housing front

1шт.

34

533729R91

ROLLER BEARING,1.968" ID x 3.2283" OD x 0.8465"

- tapered roller, 2 inch ID, separator housing front

1шт.

35

194051C1

SEAL,63.42mm ID x 82.8mm OD x 11mm Thk

- oil

1шт.

36

191461C1

PULLEY,110mm OD

- drive, 11 inch OD

1шт.

37

192817C2

FLANGE,92.02 mm ID x 241.249 mm OD x 54.61 mm

HUB - drive shaft bearing housing

1шт.

38

ST297

BEARING, BALL

BEARING - ball, 4.72 inch OD, drive shaft

1шт.

39

100-22475

SNAP RING,4.78", Int, #475

Ring, Snap, 4.78", Int, #475

1шт.

40

238-8260

O-RING,0.139" Thk x 6.48" ID, -260, Cl 8, 90 Duro

Drive shaft bearing -260, Cl 8, 6.484" ID x .139" Thk

1шт.

41

426-620

BOLT,Hex, 3/8" - 16 x 1-1/4", Gr 8

4шт.

Выбрано товаров: 36