Запчасти Case IH 1660 (6-04) - POWER TAKEOFF DRIVE (CONTD) (03) - POWER TRAIN

Схема запчастей Case IH 1660 - (6-04) - POWER TAKEOFF DRIVE (CONTD) (03) - POWER TRAIN
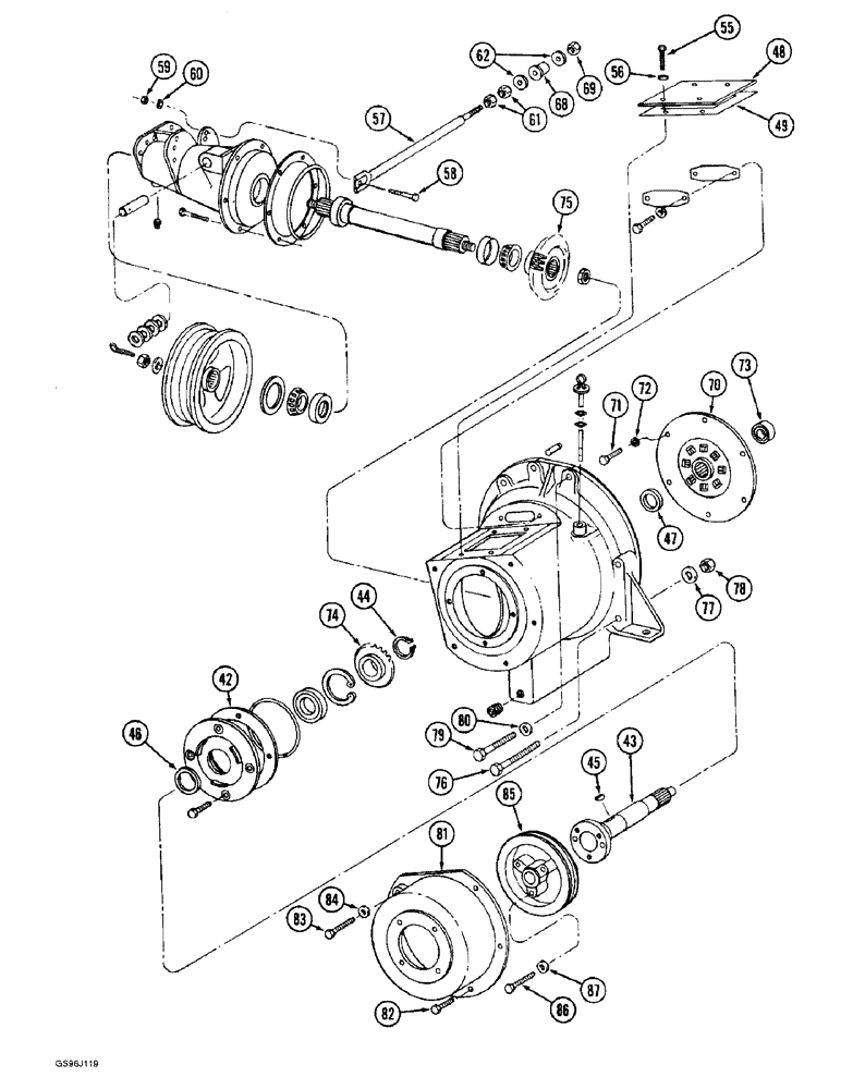
43
78
55
62
70
86
58
71
83
81
84
57
79
68
77
69
87
48
72
76
45
60
80
42
61
47
56
46
49
73
44
75
85
59
74
82
FIT
1:1
100%

Артикул

Название

Примечание

Количество

188196C1

SHIM KIT

KIT - shim, PTO drive shaft housing Includes: Ref. 42

1шт.

42

NSS

NOT SOLD SEPARAT

SHIM - bearing hub, 0.030 inch, order kit 188196C1

1шт.

42

NSS

NOT SOLD SEPARAT

SHIM - bearing hub, 0.010 inch, order kit 188196C1

1шт.

42

NSS

NOT SOLD SEPARAT

SHIM - bearing hub, 0.007 inch, order kit 188196C1

1шт.

42

NSS

NOT SOLD SEPARAT

SHIM - bearing hub, 0.005 inch, order kit 188196C1

1шт.

43

192816C2

SHAFT

- drive, PTO

1шт.

44

100-12200

SNAP RING,#200, Ext

Ring, Snap, #200, Ext

1шт.

45

126-176

WOODRUFF KEY,#128, 5/16" x 2-1/8", HT

5/16" x 2 1/8", HT

1шт.

46

173133C91

OIL SEAL,64.26mm ID x 92.15mm OD x 11mm Thk

- 3-5/8 inch OD, pump housing end

1шт.

47

173559C92

SEAL,45.59mm ID x 66.73mm OD x 11mm Thk

- shaft, 2-5/8 inch OD, drive plate end

1шт.

48

192275C1

COVER

- housing

1шт.

49

191830C2

GASKET

- PTO cover

1шт.

55

413-612

BOLT,Hex, 3/8" - 16 x 3/4", Gr 5

4шт.

56

492-11038

LOCK WASHER,3/8"

4шт.

57

194086C1

ROD

- snubber

1шт.

58

413-824

BOLT,Hex, 1/2" - 13 x 1-1/2", Gr 5

1шт.

59

425-108

NUT,1/2" - 13, Gr 5

NUT, , Hex 1/2"-13, G5

1шт.

60

80679

LOCK WASHER,1/20.507 CST ZND

WASHER, LOCK, 1/2"

1шт.

61

425-1510

JAM NUT,Jam, 5/8"-18, G5

- hex jam, 5/8 inch NF

2шт.

62

107813R1

WASHER

- flat, 21/32 x 2-1/2 x 11/64 inch

2шт.

68

194915C2

ISOLATOR,13.72mm ID x 45.97mm OD x 50.04mm L

INSULATOR - engine snubber

1шт.

69

232-46110

LOCK NUT,5/8"-11, GC

NUT, LOCK, 5/8"-11, GC

1шт.

70

188013C91

PLATE ASSY.,354.33mm OD

PLATE - drive

1шт.

70

188013C91R

REMAN-CLUTCH PLATE

Drive

1шт.

70

188013C91C

CORE-CLUTCH PLATE

Return Number

1шт.

71

113-451

PREV TORQUE BOLT,Locking, 1/2"-13 x 1", G8, Full Thd

BOLT - hex prevailing torque, 1/2 NC x 1 inch, grade 8

6шт.

72

406579R1

WASHER

- hardened

6шт.

73

195349C2

BUSHING,29.99mm ID x 52mm OD x 21.84mm L

- PTO flywheel

1шт.

192801C1

GEAR-SET

KIT - gear, separator drive, 43 and 28 tooth, matched set, Includes: Ref.74 and 75

1шт.

74

NSS

NOT SOLD SEPARAT

GEAR - drive shaft, 28 tooth, order kit 192801C1

1шт.

75

NSS

NOT SOLD SEPARAT

GEAR - separator drive shaft, 43 tooth, order kit 192801C1

1шт.

76

413-1072

BOLT,Hex, 5/8" - 11 x 4-1/2", Gr 5

4шт.

77

495-81259

WASHER,21/32" x 2" x .238"

- flat, 21/32 x 2 x 1/4 inch

4шт.

78

425-1010

NUT,5/8"-11, G5

4шт.

79

413-852

BOLT,Hex, 1/2" - 13 x 3-1/4", Gr 5

- hex, 1/2 NC x 3-1/4 inch

2шт.

80

496-21053

WASHER,17/32" x 1 1/16" x .134"

- flat, 17/32 x 1-1/16 x 1/8 inch, hardened

2шт.

81

1303141C2

HOUSING

- hydrostatic pump

1шт.

82

413-820

BOLT,Hex, 1/2" - 13 x 1-1/4", Gr 5

- hex, 1/2 NC x 1-1/4 inch

3шт.

83

413-828

BOLT,Hex, 1/2" - 13 x 1-3/4", Gr 5

2шт.

84

283856C1

WASHER

- flat, 17/32 x 1 x 3/16 inch

2шт.

85

196481C1

PULLEY

- auxiliary pump drive, 9-1/4 inch OD

1шт.

86

426-840

BOLT,Hex, 1/2" - 13 x 2-1/2", Gr 8

- hex, 1/2 NC x 2-1/2 inch, grade 8

3шт.

87

496-21053

WASHER,17/32" x 1 1/16" x .134"

- flat, 17/32 x 1-1/16 x 1/8 inch, hardened

3шт.

Выбрано товаров: 43