Запчасти Case IH 1660 (6-46) - HYDROSTATIC MOTOR, TWO SPEED, MOTOR BLOCK (CONTD) (03) - POWER TRAIN

Схема запчастей Case IH 1660 - (6-46) - HYDROSTATIC MOTOR, TWO SPEED, MOTOR BLOCK (CONTD) (03) - POWER TRAIN
50
34
51
53
36
57
49
35
46
33
38
35
50
55
52
47
56
45
54
51
39
43
48
41
40
32
52
FIT
1:1
100%

Артикул

Название

Примечание

Количество

REF

INSTRUCTION

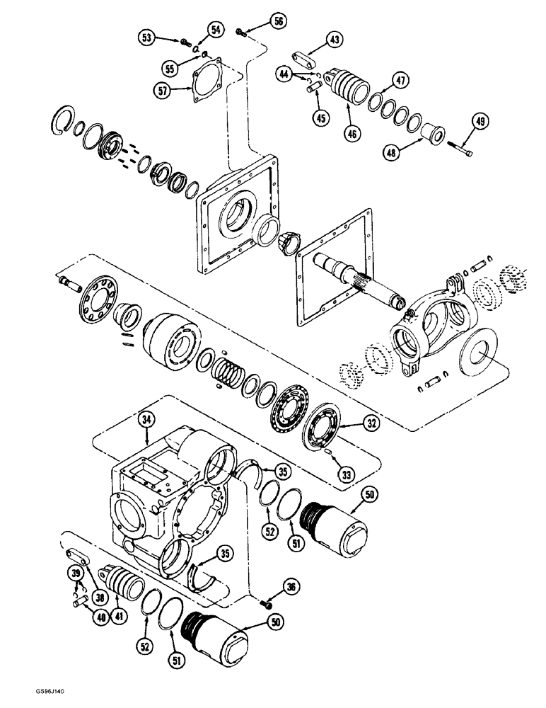
MOTOR ASSEMBLY - hydrostatic, two speed, Includes: Ref. 32 - 52, and parts in Fig. 6-44

1шт.

32

142396C2

PLATE

- valve

1шт.

33

140754C1

PIN

- dowel, 5/16 x 5/8 inch

1шт.

34

NSS

NOT SOLD SEPARAT

HOUSING - motor, order motor assembly

1шт.

35

142408C1

RETAINER

- servo

2шт.

36

461-3086

HEX SOC SCREW,#8 - 32 x 3/8"

BOLT - hex socket, No. 8 NC x 3/8 inch

6шт.

145309C1

PISTON

ASSEMBLY - servo, Includes: Ref. 38 - 41

1шт.

38

NSS

NOT SOLD SEPARAT

LINK - piston servo, order piston assembly 145309C1

1шт.

39

NSS

NOT SOLD SEPARAT

RING - retaining, order piston assembly 145309C1

2шт.

40

NSS

NOT SOLD SEPARAT

PIN - link, order piston assembly 145309C1

1шт.

41

NSS

NOT SOLD SEPARAT

PISTON - servo, order piston assembly 145309C1

1шт.

145308C1

PISTON

ASSEMBLY - servo, Includes: Ref. 43 - 49

1шт.

43

NSS

NOT SOLD SEPARAT

LINK - piston servo, order piston assembly 145308C1

1шт.

44

NSS

NOT SOLD SEPARAT

RING - retaining, order piston assembly 145308C1

2шт.

45

NSS

NOT SOLD SEPARAT

PIN - link, order piston assembly 145308C1

1шт.

46

NSS

NOT SOLD SEPARAT

PISTON - servo, order piston assembly 145308C1

1шт.

47

NSS

NOT SOLD SEPARAT

SHIM - servo piston, order piston assembly 145308C1

4шт.

48

NSS

NOT SOLD SEPARAT

SPACER - servo piston, order piston assembly 145308C1

1шт.

49

NSS

NOT SOLD SEPARAT

BOLT - hex, spacer to piston, order piston assembly 145308C1

1шт.

50

142407C2

KIT

SLEEVE - servo (Replaces sleeve 142407C1)

2шт.

51

238-5237

O-RING,0.139" Thk x 3.359" ID, -237, Cl 5, 75 Duro

2шт.

52

238-5234

O-RING,0.139" Thk x 2.984" ID, -234, Cl 5, 75 Duro

2шт.

53

413-828

BOLT,Hex, 1/2" - 13 x 1-3/4", Gr 5

4шт.

54

283856C1

WASHER

- flat, 17/32 x 1 x 3/16 inch

4шт.

55

80679

LOCK WASHER,1/20.507 CST ZND

WASHER, LOCK, 1/2"

4шт.

56

413-720

BOLT,Hex, 7/16" - 14 x 1-1/4", Gr 5

- hex, 7/16 NC x 1-1/4 inch

12шт.

57

166506C1

GASKET,0.81mm Thk

- mounting

1шт.

Выбрано товаров: 27