Запчасти Case IH 1660 (6-50) - HYDROSTATIC MOTOR, TWO SPEED, (CONTD) (03) - POWER TRAIN

Схема запчастей Case IH 1660 - (6-50) - HYDROSTATIC MOTOR, TWO SPEED, (CONTD) (03) - POWER TRAIN
49
56
48
44
50
45
57
52
52
46
51
47
50
51
43
FIT
1:1
100%

Артикул

Название

Примечание

Количество

REF

INSTRUCTION

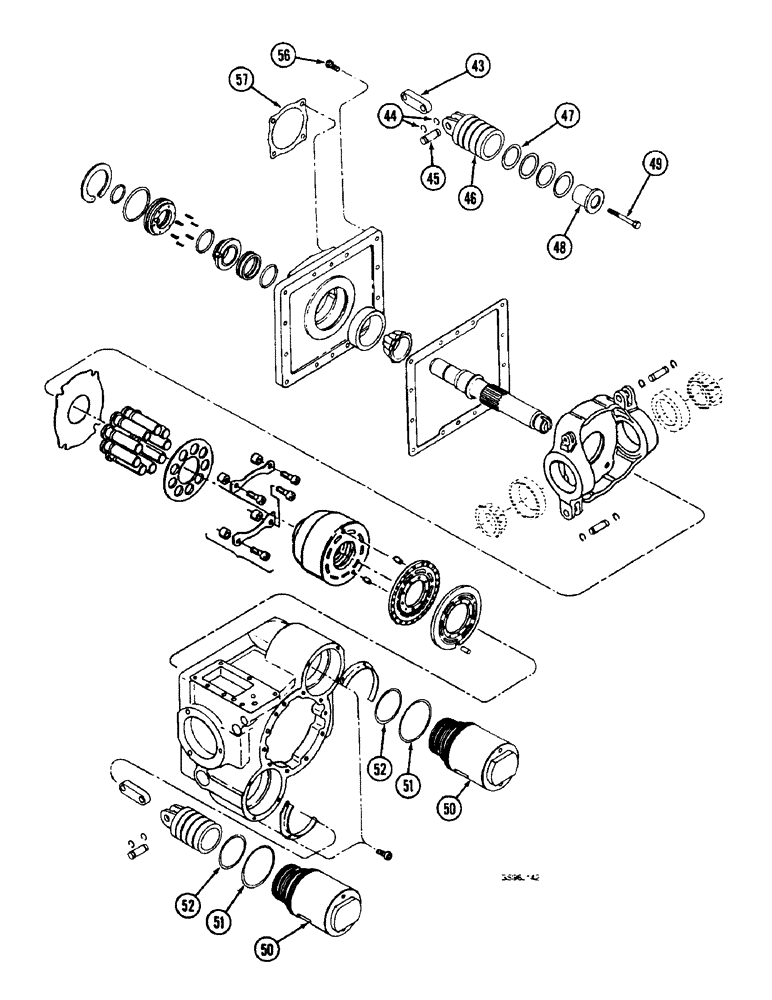
MOTOR ASSEMBLY - hydrostatic, Includes: Ref. 43 - 52 and parts in Figs. 6-48 and 6-52

1шт.

Used with machines having serial number 38850 and after

1шт.

145308C1

PISTON

ASSEMBLY - servo, Includes: Ref. 43 - 49

1шт.

43

NSS

NOT SOLD SEPARAT

LINK - piston servo, order piston assembly 145308C1

1шт.

44

NSS

NOT SOLD SEPARAT

RING - retaining, order piston assembly 145308C1

2шт.

45

NSS

NOT SOLD SEPARAT

PIN - link, order piston assembly 145308C1

1шт.

46

NSS

NOT SOLD SEPARAT

PISTON - servo, order piston assembly 145308C1

1шт.

47

NSS

NOT SOLD SEPARAT

SHIM - servo piston, order piston assembly 145308C1

4шт.

48

NSS

NOT SOLD SEPARAT

SPACER - servo piston, order piston assembly 145308C1

1шт.

49

NSS

NOT SOLD SEPARAT

BOLT - hex, spacer to piston, order piston assembly 145308C1

1шт.

50

142407C2

KIT

SLEEVE - servo (Replaces sleeve 142407C1)

2шт.

50

142407C2

KIT

SLEEVE - servo (Replaces sleeve 142407C1)

2шт.

51

238-5237

O-RING,0.139" Thk x 3.359" ID, -237, Cl 5, 75 Duro

2шт.

52

238-5234

O-RING,0.139" Thk x 2.984" ID, -234, Cl 5, 75 Duro

2шт.

56

413-720

BOLT,Hex, 7/16" - 14 x 1-1/4", Gr 5

- hex, 7/16 NC x 1-1/4 inch

12шт.

57

166506C1

GASKET,0.81mm Thk

- mounting

1шт.

Выбрано товаров: 0