Запчасти Case IH 1660 (6-64) - TRANSMISSION DIFFERENTIAL SHAFT (03) - POWER TRAIN

Схема запчастей Case IH 1660 - (6-64) - TRANSMISSION DIFFERENTIAL SHAFT (03) - POWER TRAIN
34
23
13
28
19
25
17
22
30
9
26
2
29
27
10
17
6
4
18
13
12
35
1
7
15
14
5
31
33
12
24
20
3
11
16
12
21
8
FIT
1:1
100%

Артикул

Название

Примечание

Количество

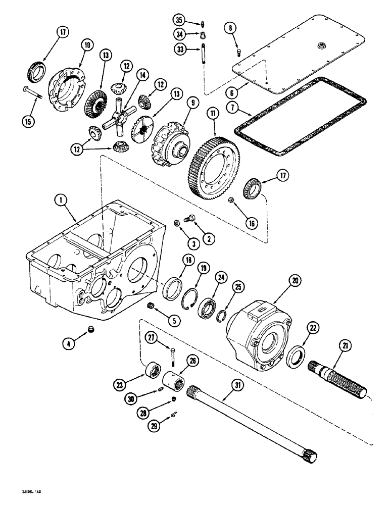
1

401873R2

HOUSING

- transmission

1шт.

2

426-1024

BOLT,Hex, 5/8" - 11 x 1-1/2", Gr 8

- hex, 5/8 NC x 1-1/2 inch, grade 8

4шт.

3

392-21062

LOCK WASHER,5/8"

5/8"

4шт.

4

320185C1

PLUG

- square socket, magnetic, 3/4 inch PT, housing drain

1шт.

5

217-442

PLUG,3/4" - 14

- hex socket headless, 3/4 inch PT, housing fill

1шт.

6

184167C1

COVER ASSY

COVER - transmission housing

1шт.

7

401860R1

GASKET

- housing cover

1шт.

8

413-612

BOLT,Hex, 3/8" - 16 x 3/4", Gr 5

15шт.

1997406C1

HOUSING

KIT - housing, differential (Replaces kit 404081R1), Includes: Ref. 9 and 10

1шт.

9

NSS

NOT SOLD SEPARAT

HOUSING - differential, left-hand, order kit 1997406C1

1шт.

10

NSS

NOT SOLD SEPARAT

HOUSING - differential, right-hand, order kit 1997406C1

1шт.

11

404085R1

GEAR

- driven, 66 tooth

1шт.

12

361061R3

PINION

GEAR - pinion, 15 tooth

4шт.

13

404084R2

PINION

GEAR - bevel, 28 tooth

2шт.

14

393637R2

DIFF. SPIDER

SPIDER - differential

1шт.

15

404171R2

BOLT,1/2" - 20 x 4"

BOLT - differential housing (Replaces bolt 404171R1)

12шт.

16

29-218

NUT,1/2"-20, G8, Hvy

- hex, 1/2 inch NF, grade 8

12шт.

17

ST2096

BEARING ASSY,73.03mm ID x 25.4mm W

BEARING - tapered roller

2шт.

18

ST981

BEARING CONE,112.71mm OD x 19.05mm W

CUP - tapered roller bearing

2шт.

19

100-21393

SNAP RING,3.938", Int, #393

Ring, Snap, 3.938", Int, #393

2шт.

20

REF

INSTRUCTION

HOUSING - brake, see Fig. 7-4

2шт.

21

184178C1

SHAFT

- differential

2шт.

22

401872R91

SEAL,73.03mm ID x 110.24mm OD x 11.1mm Thk

- brake housing cover

2шт.

23

184214C1

SPLINED COUPLING

SLEEVE - seal wear

2шт.

24

ST265

BALL BEARING,55mm ID x 100mm OD x 21mm Thk

BEARING - ball

2шт.

25

358059R1

SNAP RING

RING - snap

2шт.

26

184341C2

SPLINED COUPLING

COUPLING - axle drive shaft

2шт.

27

113-2293

BOLT,Hex, 3/8" - 16 x 3-1/2", Gr 8

2шт.

28

654049R1

LOCK NUT

- hex, self-locking, 3/8 inch NC

2шт.

29

21864R1

COTTER PIN

- retaining, S-type

2шт.

30

219-14

LUBE NIPPLE,1/4" NPTF

FITTING - grease, straight, 1/4 drive type x 9/16 inch

2шт.

31

1309012C1

SHAFT

- final drive, left-hand, rubber tire

1шт.

31

1309011C1

SHAFT

- final drive, left-hand track

1шт.

31

402725R2

SHAFT

- final drive, right-hand, rubber tire

1шт.

31

184222C1

SHAFT

- final drive, right-hand track

1шт.

33

221-1114

LUBE NIPPLE,1/8" NPT x 4 1/2"

NIPPLE, LUBE, , Straight 1/8" NPT x 4 1/2"

1шт.

34

144098

REDUCER

COUPLING - reducing, 1/4 to 1/8 PT

1шт.

35

219-434

BREATHER,1/8" - 27 NPT, Short, W/ Washer

VALVE - vent, includes felt washer, 1/8 PT x 1 inch

1шт.

1968235C1

DIFFERENTIAL

ASSEMBLY - transmission, complete, includes items 9, 10 and 12-18, no longer available as a unit, order components separately

1шт.

Выбрано товаров: 39