Запчасти Case IH 1660 (6-54) - HYDROSTATIC MOTOR, TWO SPEED, P.I.N. JJC0041567 AND AFTER (03) - POWER TRAIN

Схема запчастей Case IH 1660 - (6-54) - HYDROSTATIC MOTOR, TWO SPEED, P.I.N. JJC0041567 AND AFTER (03) - POWER TRAIN
15
38
14
2
25
16
33
21
19
22
30
11
37
34
27
36
33
15
26
31
24
27
10
14
1
14
12
32
13
23
39
14
FIT
1:1
100%

Артикул

Название

Примечание

Количество

1343745C1

CORE-HYDROSTAT MOTOR

RETURN NUMBER - use this part number to return motor core for credit when using a remanufactured assembly

1шт.

1343743C1

MOTOR

MOTOR ASSEMBLY - hydrostatic, new, no longer available, order remanufacatured assembly 1343744C1, Includes: Ref. 1 - 39, 43 - 52 on Figure 6-56 and 61 - 90 and plugs and o-rings on Figure 6-58

1шт.

1343744C1

REMAN-HYDROSTAT MOTO

Remanufactured, HYDRAULIC MOTOR, N.A. Only

1шт.

1343745C1

CORE-HYDROSTAT MOTOR

Return Number, N.A. Only

1шт.

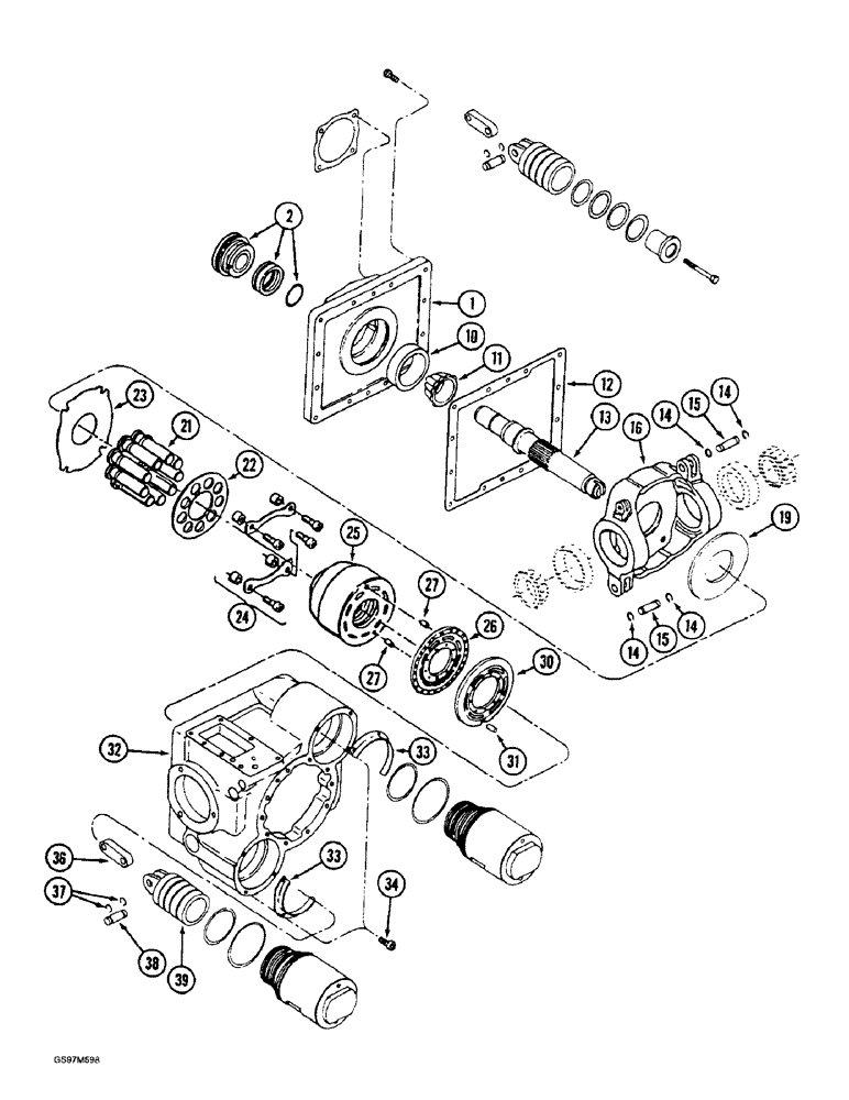
1

NSS

NOT SOLD SEPARAT

FLANGE - mounting, order motor assembly

1шт.

2

1346205C1

SEAL KIT

KIT - seal, shaft, four piece

1шт.

10

ST863

BEARING CUP,93.22mm OD x 23.81mm W

CUP - tapered roller bearing, housing

1шт.

12

142399C1

GASKET

GASKET - mounting flange

1шт.

13

1980137C1

SHAFT

SHAFT - output

1шт.

14

28145R1

SNAP RING,#56, Ext

Ring, Snap, , servo linkage pin #56, Ext

4шт.

15

140766C1

PIN,14.22mm OD x 39.12mm L

PIN - pivot

2шт.

16

1980174C1

HOUSING

PLATE - swash, variable

1шт.

1980175C1

KIT

KIT - rotating, cylinder, Includes: Ref. 21 - 27

1шт.

21

NSS

NOT SOLD SEPARAT

PISTON - cylinder block, order kit 1980175C1

9шт.

22

NSS

NOT SOLD SEPARAT

PLATE - retainer, order kit 1980175C1

1шт.

23

NSS

NOT SOLD SEPARAT

PLATE - retainer, clear, order kit 1980175C1

1шт.

24

NSS

NOT SOLD SEPARAT

KIT - hold down, order kit 1980175C1

1шт.

25

NSS

NOT SOLD SEPARAT

BARREL - cylinder, order kit 1980175C1

1шт.

26

NSS

NOT SOLD SEPARAT

PLATE - bearing, order kit 1980175C1

1шт.

27

140754C1

PIN

PIN - dowel, 5/16 x 5/8 inch

2шт.

30

1980139C1

PLATE

PLATE - valve

1шт.

31

140754C1

PIN

PIN - dowel, 5/16 x 5/8 inch

1шт.

32

NSS

NOT SOLD SEPARAT

HOUSING - motor, order motor assembly

1шт.

33

142408C1

RETAINER

RETAINER - servo

2шт.

34

461-3086

HEX SOC SCREW,#8 - 32 x 3/8"

BOLT - hex socket, No. 8 NC x 3/8 inch

6шт.

145309C1

PISTON

PISTON ASSEMBLY - servo, Includes: Ref. 36 - 39

1шт.

36

NSS

NOT SOLD SEPARAT

LINK - piston servo, order piston assembly 145309C1

1шт.

37

NSS

NOT SOLD SEPARAT

RING - retaining, order piston assembly 145309C1

2шт.

38

NSS

NOT SOLD SEPARAT

PIN - link, order piston assembly 145309C1

1шт.

39

NSS

NOT SOLD SEPARAT

PISTON - servo, order piston assembly 145309C1

1шт.

Выбрано товаров: 30