Запчасти Case IH 1660 (6-66) - TRANSMISSION, DIFFERENTIAL PINION SHAFT AND GEARS (03) - POWER TRAIN

Схема запчастей Case IH 1660 - (6-66) - TRANSMISSION, DIFFERENTIAL PINION SHAFT AND GEARS (03) - POWER TRAIN
3
12
6
10
10
7
7
4
13
16
14
19
8
15
6
2
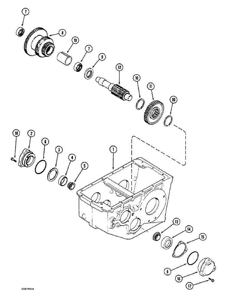
1
11
9
5
17
18
FIT
1:1
100%

Артикул

Название

Примечание

Количество

1

401873R2

HOUSING

- transmission, See Figure 6-64

1шт.

2

188893C1

BEARING COVER,59.75 mm ID x 101.51 mm OD x 47.5 mm

HOUSING - bearing, left-hand

1шт.

3

530704R2

THRUST WASHER,74.42mm ID x 99.06mm OD x 1.65mm Thk

- thrust

2шт.

4

131312C1

BEARING CUP

CUP - tapered roller bearing, 2-27/32 inch OD, pinion shaft, left-hand

1шт.

5

871244R1

ROLLER BEARING

BEARING - tapered roller, pinion shaft, left-hand

1шт.

6

238-5240

O-RING,0.139" Thk x 3.734" ID, -240, Cl 5, 75 Duro

1шт.

7

A61415

NEEDLE BEARING,Needle, 53.96mm ID x 63.51mm OD x 25.4mm W

BEARING - needle

2шт.

8

530699R1

PINION

GEAR - spool, 59, 39 and 27 tooth

1шт.

9

401879R1

SPACER,54.1mm ID x 79.2mm OD x 6.28mm L

- spool gear

1шт.

10

196693H1

RING

- snap, change gear

2шт.

11

401881R1

GEAR

- change driven, 37 tooth, corn and grain

1шт.

Prior to P.I.N. JJC0041095.

1шт.

11

1349043C1

GEAR

- driven, 34 tooth, corn and grain

1шт.

P.I.N. JJC0041095 and after.

1шт.

11

406606R1

GEAR

- change driven, 41 tooth, rice

1шт.

Prior to P.I.N. JJC0041095.

1шт.

11

1349045C1

PINION

GEAR - change driven, 38 tooth

1шт.

P.I.N. JJC0041095 and after.

1шт.

12

401878R1

SHAFT

- pinion, 14 tooth, rice

1шт.

13

ST791

TAPERED BEARING,1.6255" ID x 3.376" OD x 1.202"

BEARING - tapered roller, pinion shaft, right-hand

1шт.

14

ST951

TAPERED BEARING,1.6255" ID x 3.376" OD x 1.202"

CUP - tapered roller bearing, pinion shaft, right-hand

1шт.

15

401883R2

SHIM,102mm ID x 126mm OD x 0.08mm Thk

(0.003"), Bearing 0.076mm Thk

1шт.

15

401884R2

SHIM,102mm ID x 110mm OD x 0.13mm Thk

(0.005"), Bearing 0.127mm Thk

1шт.

15

401885R2

SHIM,102mm ID x 110mm OD x 0.18mm Thk

(0.007"), Bearing 0.178mm Thk

1шт.

15

184195C2

SHIM,102mm ID x 110mm OD x 0.76mm Thk

(0.030") 0.762mm Thk

1шт.

16

403363R1

BEARING CAP,73.4 mm ID x 101.5 mm OD x 54.1 mm

CAGE - bearing, right-hand

1шт.

17

413-622

BOLT,Hex, 3/8" - 16 x 1-3/8", Gr 5

- hex, 3/8 NC x 1-3/8 inch

3шт.

18

326-620

BOLT,Hex, 3/8" - 16 x 1-1/4", Gr 8

3шт.

19

1981198C1

SPACER

- spool gear

1шт.

Выбрано товаров: 29