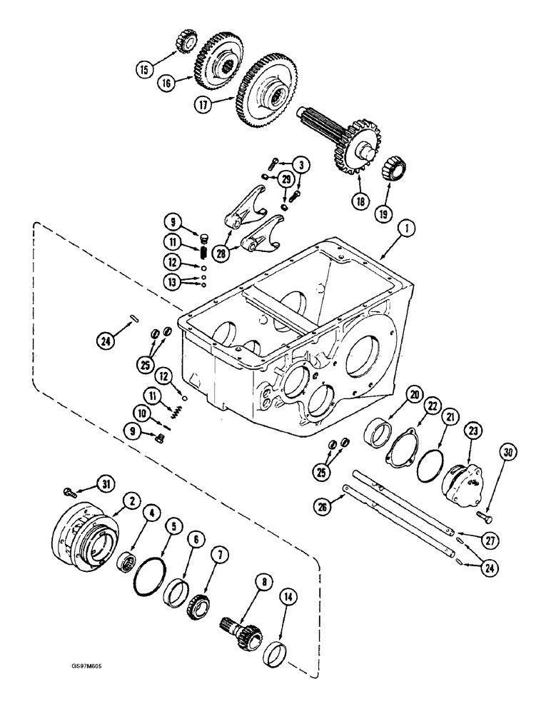
Запчасти Case IH 1660 (6-68) - TRANSMISSION, INPUT SHAFT GEAR AND SHIFTER RAILS (03) - POWER TRAIN

Схема запчастей Case IH 1660 - (6-68) - TRANSMISSION, INPUT SHAFT GEAR AND SHIFTER RAILS (03) - POWER TRAIN
23
29
2
17
12
24
28
6
8
1
27
15
12
22
18
24
26
10
20
13
16
14
5
3
21
25
4
25
31
7
30
11
11
19
9
9
FIT
1:1
100%

Артикул

Название

Примечание

Количество

1

401873R2

HOUSING

- transmission, see Figure 6-64

1шт.

2

180944C2

HOUSING

- input shaft

1шт.

3

573985R1

SET SCREW,Sq Hd, 3/8"-24 x 1"

SCREW - set, 3/8 NF x 1 inch

2шт.

4

R21491

NEEDLE BEARING,1.75" ID x 2.125" OD x 0.75"

BEARING - needle, 1-3/4 inch OD, input shaft

1шт.

5

238-5348

O-RING,0.21" Thk x 4.35" ID, -348, Cl 5, 75 Duro

1шт.

184076C91

BEARING ASSY,33.45mm ID x 69.04mm OD x 19.9mm W

BEARING ASSEMBLY - tapered roller, outer, Includes: Ref. 6 & 7

1шт.

6

NSS

NOT SOLD SEPARAT

CUP - bearing, input shaft, order bearing assembly

1шт.

7

NSS

NOT SOLD SEPARAT

BEARING - tapered roller, input shaft, order bearing assembly

1шт.

8

402846R2

SHAFT

- input pinion, 20 tooth

1шт.

8a

80644C91

SPLINED COUPLING

COUPLER - input, used with shaft 402846R2, not shown

1шт.

9

76349

PLUG,9/16" - 18 ORB

Incl. Ref. 10 Hex Hd, 9/16"-18 ORB

2шт.

11

64600C1

SPRING

- shifter detent

2шт.

12

211-1016

BALL,12.7mm OD, Gr 24

- chrome alloy steel, 1/2 inch, grade 24, Shifter detent

2шт.

13

211-1014

BALL,7/16" Dia

- chrome alloy steel, 7/16 inch, grade 24, shifter detent

2шт.

671028R91

BEARING ASSY,38.1mm ID x 72.02mm OD x 20.64mm W

ASSEMBLY - tapered roller, inner, Includes: Ref. 14 & 15

1шт.

14

NSS

NOT SOLD SEPARAT

CUP - bearing, input shaft, order bearing assembly

1шт.

15

NSS

NOT SOLD SEPARAT

BEARING - tapered roller, input shaft, order bearing assembly

1шт.

16

530700R1

GEAR

- second and third sliding, 26 and 46 tooth

1шт.

17

401889R1

GEAR

- first sliding, 58 tooth

1шт.

18

401886R3

SHAFT ASSY.

SHAFT - gear change, 36 tooth, corn and grain

1шт.

Prior to P.I.N. JJC0041095.

1шт.

18

1349042C1

SHAFT

- drive, 38 tooth, corn and grain

1шт.

P.I.N. JJC0041095 and after.

1шт.

18

406607R3

SHAFT

- gear, 32 tooth, rice

1шт.

Prior to P.I.N. JJC0041095.

1шт.

18

1349044C1

SHAFT

- drive, 34 tooth, rice

1шт.

P.I.N. JJC0041095 and after.

1шт.

19

290099C91

TAPERED BEARING,39.69mm ID x 22.1mm W

BEARING - tapered roller, 1-9/16 inch ID, drive shaft

1шт.

20

290100C1

BEARING CUP,73.05mm OD x 17.78mm W

CUP - tapered roller bearing, 2-7/8 inch OD, drive shaft

1шт.

21

238-5240

O-RING,0.139" Thk x 3.734" ID, -240, Cl 5, 75 Duro

1шт.

22

401883R2

SHIM,102mm ID x 126mm OD x 0.08mm Thk

(0.003"), Cap 0.076mm Thk

1шт.

22

401884R2

SHIM,102mm ID x 110mm OD x 0.13mm Thk

(0.005") 0.127mm Thk

1шт.

22

401885R2

SHIM,102mm ID x 110mm OD x 0.18mm Thk

(0.007"), Cap 0.178mm Thk

1шт.

22

184195C2

SHIM,102mm ID x 110mm OD x 0.76mm Thk

(0.030") 0.762mm Thk

1шт.

23

130791C1

BEARING CAP,65.5 mm ID x 101.51 mm OD x 58.7 mm

- bearing retainer

1шт.

24

38-31624

ROLL PIN,1/4" x 1 1/2", Coiled

PIN, ROLL, 1/4" x 1 1/2", Coiled

1шт.

25

G10450

OIL SEAL,19.05mm ID x 31.85mm OD x 6.35mm Thk

- oil, shifter rail

4шт.

26

121658C4

SHAFT

- second and third gear shifter

1шт.

27

121659C2

SHAFT

- first gear shifter

1шт.

28

401897R2

FORK

- gear shifter

1шт.

29

425-156

JAM NUT,Jam, 3/8"-24, G5

- hex jam, 3/8 inch NF

2шт.

30

413-622

BOLT,Hex, 3/8" - 16 x 1-3/8", Gr 5

- hex, 3/8 NC x 1-3/8 inch

3шт.

31

413-616

BOLT,Hex, 3/8" - 16 x 1", Gr 5

- hex, 3/8 NC x 1 inch

4шт.

10

237-6006

O-RING,0.078" Thk x 0.468" ID, -906, Cl 6, 90 Duro

6-1, 90 Duro, .468" ID x .078" Thk

1шт.

Выбрано товаров: 44