Запчасти Case IH 1660 (6-76) - FINAL DRIVE, PRIOR TO P.I.N. JJC0103800 (CONTD) (03) - POWER TRAIN

Схема запчастей Case IH 1660 - (6-76) - FINAL DRIVE, PRIOR TO P.I.N. JJC0103800 (CONTD) (03) - POWER TRAIN
45
40
42
56
52
41
46
53
59
51
47
58
54
55
48
50
49
57
44
43
46
FIT
1:1
100%

Артикул

Название

Примечание

Количество

REF

INSTRUCTION

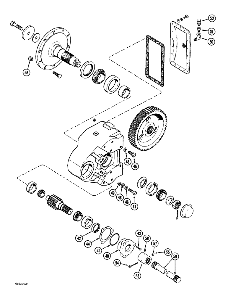
DRIVE ASSEMBLY - final, Includes: Ref. 40 - 49 and 1 - 39 on Figure 6-74

1шт.

40

86845C1

CAGE

- bearing

1шт.

41

238-5244

O-RING,0.139" Thk x 4.234" ID, -244, Cl 5, 75 Duro

if used -244, 70 Duro, 4.234" ID x .139" Thk

1шт.

42

401914R91

OIL SEAL,54.28mm ID x 85.22mm OD x 11.13mm Thk

- cage (Replaces seal 196452C1)

1шт.

43

326-628

BOLT,Hex, 3/8" - 16 x 1-3/4", Gr 8

- hex, 3/8 NC x 1-3/4 inch, grade 8

3шт.

44

86895C1

SHIM,117.4mm ID x 136.2mm OD x 0.08mm Thk

- pinion inner bearing, 0.0762 mm

1шт.

44

86896C1

SHIM,117.4mm ID x 136.2mm OD x 0.13mm Thk

- pinion inner bearing, 0.1270 mm

1шт.

44

86897C1

SHIM,117.4mm ID x 136.2mm OD x 0.18mm Thk

- pinion inner bearing, 0.1778 mm

1шт.

44

86898C1

SHIM,117.4mm ID x 136.2mm OD x 0.76mm Thk

- pinion inner bearing, 0.7620 mm

1шт.

45

426-1232

BOLT,Hex, 3/4" - 10 x 2", Gr 8

10шт.

46

492-11075

LOCK WASHER,3/4"

3/4"

14шт.

47

426-1236

BOLT,Hex, 3/4" - 10 x 2-1/4", Gr 8

- hex, 3/4 NC x 2-1/4 inch, grade 8

4шт.

48

496-11081

WASHER,13/16" x 1 1/2" x .134", HDN

Flat 13/16" x 1 1/2" x .134", HDN

4шт.

49

163909C1

BUSHING,19.15mm ID x 28.57mm OD x 12.7mm L

- end plate, See Figure 6-72

4шт.

50

141621

ELBOW,90 Degree, 3/4" NPT Street

- 90 degree, 3/4 male x 3/4 PT female, rice only

1шт.

51

221-90

REDUCER,3/4" NPT x 1/8" NPT

- pipe, 3/4 male x 1/8 inch female

2шт.

52

219-434

BREATHER,1/8" - 27 NPT, Short, W/ Washer

VALVE - vent, includes felt washer, 1/8 PT x 1 inch

2шт.

53

184341C2

SPLINED COUPLING

COUPLING - axle drive shaft

2шт.

54

113-2293

BOLT,Hex, 3/8" - 16 x 3-1/2", Gr 8

2шт.

55

21864R1

COTTER PIN

- retaining, S-type

2шт.

56

219-14

LUBE NIPPLE,1/4" NPTF

FITTING - grease, straight, 1/4 drive type x 9/16 inch

2шт.

57

654049R1

LOCK NUT

- hex, self-locking, 3/8 inch NC

2шт.

58

329-1512

JAM NUT,Jam, 3/4"-10, G8

Jam, 3/4"-10, G8

10шт.

59

402725R2

SHAFT

- final drive, right-hand

1шт.

59

1309012C1

SHAFT

- final drive, left-hand

1шт.

Выбрано товаров: 25