Запчасти Case IH 1660 (6-82) - TRACK, IF USED (03) - POWER TRAIN

Схема запчастей Case IH 1660 - (6-82) - TRACK, IF USED (03) - POWER TRAIN
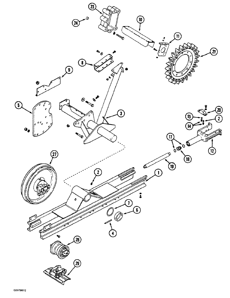
1
2
27
29
11
7
15
28
17
24
20
4
21
23
6
3
5
14
19
10
12
2
18
8
9
FIT
1:1
100%

Артикул

Название

Примечание

Количество

1

196031C1

FRAME

- track, five roller

2шт.

2

219-1

LUBE NIPPLE,1/8" - 27 NPTF

FITTING - grease, straight, 1/8 PT x 21/32 inch

4шт.

3

188487C1

FRAME

PIVOT - track frame, left-hand

1шт.

3

188488C2

FRAME

PIVOT - track frame, right-hand, shown

1шт.

4

23854R1

LOCK PIN,1/2" x 5", Slotted

Pin, 1/2" x 5", Slotted

2шт.

5

186832C1

PLATE

- outer pivot support

2шт.

6

167791C1

SPACER

COLLAR - pivot retainer

2шт.

7

168385C2

WASHER,102.6mm ID x 127mm OD x 3.3mm Thk

- flat, special

4шт.

8

188498C1

BRACKET

SUPPORT - pivot rear anchor, left-hand

1шт.

8

188499C1

BRACKET

SUPPORT - pivot rear anchor, right-hand, shown

1шт.

9

186006C1

SUPPORT

- inner pivot, high clearance

2шт.

9

1302371C1

PLATE

SUPPORT - inner pivot, low clearance, left-hand

1шт.

9

1302372C1

PLATE

SUPPORT - inner pivot, low clearance, right-hand, shown

1шт.

10

1338130C1

SHIELD

- axle shaft

2шт.

11

186016C2

SUPPORT

BRACKET - support, left-hand

1шт.

11

186017C2

SUPPORT

BRACKET - support, right-hand, shown

1шт.

12

621428C1

CLEVIS

FORK - rear idler roller adjustment

2шт.

14

D35287

CHECK VALVE,5/8" - 18

- check

4шт.

15

50410DA

PLUG

- hex socket, 1/8 inch PT

2шт.

17

622826C91

SEAL

KIT - adjuster seal and scraper

2шт.

18

622046C1

PISTON

- hydraulic track adjuster

2шт.

19

196030C1

ROD

- track adjuster control

2шт.

20

621430C1

GUARD

SHIELD - track adjuster check

2шт.

21

162343C1

DRIVE SPROCKET

SPROCKET - track drive, 23 tooth

2шт.

23

186036C1

SPACER

- drive axle track

2шт.

24

619769R1

SPACER,1" X-Strng Pipe x 3/4"

- drive axle track

2шт.

27

REF

INSTRUCTION

ROLLER - idler, see Figure 6-88

4шт.

28

REF

INSTRUCTION

ROLLER - track, see Figure 6-90

10шт.

29

196029C91

CHAIN (AG)

TRACK ASSEMBLY- chain, parts list Figure 6-86

2шт.

Выбрано товаров: 29