Запчасти Case IH 1660 (6-84) - TRACK, IF USED (CONTD) (03) - POWER TRAIN

Схема запчастей Case IH 1660 - (6-84) - TRACK, IF USED (CONTD) (03) - POWER TRAIN
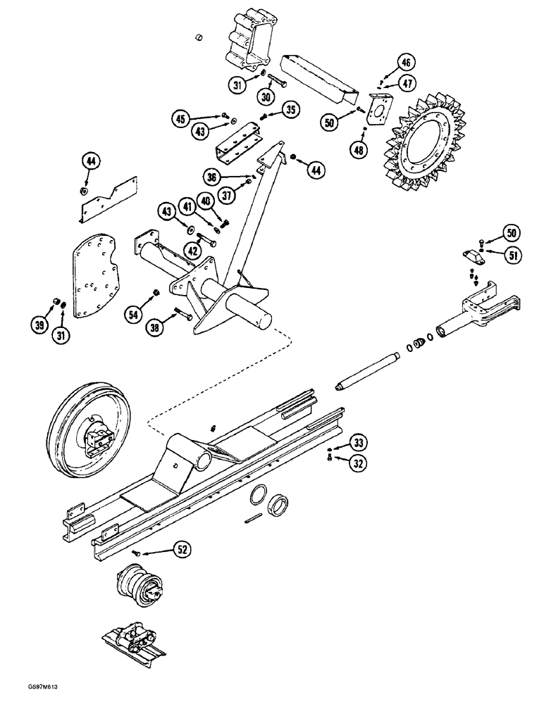
51
45
52
33
31
48
43
30
44
32
42
31
50
36
47
50
35
43
37
41
46
44
40
54
39
38
FIT
1:1
100%

Артикул

Название

Примечание

Количество

30

326-12120

BOLT,Hex, 3/4" - 10 x 7-1/2", Gr 8

14шт.

31

492-11075

LOCK WASHER,3/4"

3/4"

24шт.

32

413-624

BOLT,Hex, 3/8" - 16 x 1-1/2", Gr 5

- hex, 3/8 NC x 1-1/2 inch

4шт.

33

492-11038

LOCK WASHER,3/8"

4шт.

35

426-616

BOLT,Hex, 3/8" - 16 x 1", Gr 8

4шт.

36

492-11038

LOCK WASHER,3/8"

4шт.

37

429-106

NUT,3/8"-16, G8

- hex, 3/8 inch NC, grade 8

4шт.

38

426-1240

BOLT,Hex, 3/4" - 10 x 2-1/2", Gr 8

- hex, 3/4 NC x 2-1/2 inch, grade 8

10шт.

39

429-1012

NUT,3/4"-10, G8

- hex, 3/4 inch NC, grade 8

10шт.

40

426-820

BOLT,Hex, 1/2" - 13 x 1-1/4", Gr 8

- hex, 1/2 NC x 1-1/4 inch, grade 8

6шт.

41

496-21053

WASHER,17/32" x 1 1/16" x .134"

- flat, 17/32 x 1-1/16 x 1/8 inch, hardened

6шт.

42

426-1028

BOLT,Hex, 5/8" - 11 x 1-3/4", Gr 8

- hex, 5/8 NC x 1-3/4 inch, grade 8

22шт.

43

396-41066

WASHER,16.66mm ID x 38.1mm OD x 5.05mm Thk

- flat, 21/32 x 1-1/2 x 3/16 inch, hardened

26шт.

44

186851C1

FLANGE NUT

- hex flange, self-locking, 5/8 inch NC, grade 8

24шт.

45

326-1018

BOLT,Hex, 5/8" - 11 x 1-1/8", Gr 8

2шт.

46

413-612

BOLT,Hex, 3/8" - 16 x 3/4", Gr 5

4шт.

47

495-11041

WASHER,0.406" ID x 0.812" OD x 0.065" W

(Flat, 13/32 x 13/16 x 1/16") 3/8", SAE

4шт.

48

231-5146

FLANGE NUT,3/8"-16

4шт.

50

326-816

BOLT,Hex, 1/2" - 13 x 1", Gr 8

12шт.

51

80679

LOCK WASHER,1/20.507 CST ZND

WASHER, LOCK, 1/2"

12шт.

52

326-1020

BOLT,Hex, 5/8" - 11 x 1-1/4", Gr 8

16шт.

54

186852C1

FLANGE NUT,Hex, 1/2"-13, Lock

- hex flange, self-locking, special, 1/2 inch NC, grade 8

6шт.

Выбрано товаров: 22