Запчасти Case IH 1660 (4-64) - ALTERNATOR MOUNTING (06) - ELECTRICAL

Схема запчастей Case IH 1660 - (4-64) - ALTERNATOR MOUNTING (06) - ELECTRICAL
19
13
35
2
17
12
30
31
15
14
22
3
4
9
24
16
1
25
23
8
36
34
20
33
21
7
5
32
FIT
1:1
100%

Артикул

Название

Примечание

Количество

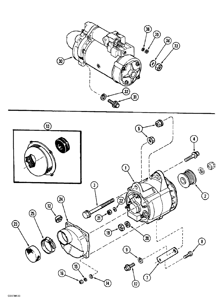
1

91448C2

ALTERNATOR

ALTERNATOR ASSEMBLY - engine, parts list Figure 4-68

1шт.

1

91448C2R

REMAN-ALTERNATOR

Reman For New P/N 91448C2

1шт.

1

91448C2C

CORE-ALTERNATOR

Return Part Number

1шт.

1

91448C2GV

ALTERNATOR

Value

1шт.

2

A189616

PULLEY

PULLEY - alternator (Replaces pulley J902099)

1шт.

3

854-12065

BOLT,Hvy Hex, M12 x 65mm, Cl 10.9

BOLT - heavy hex flange, 12 - 1.75 x 65 mm, class 10.9

1шт.

4

854-12050

BOLT,Hvy Hex, M12 x 50mm, Cl 10.9

BOLT, Hex Flg, M12 x 50, 10.9

1шт.

5

829-2312

FLANGE NUT,M12 x 1.75, Flg, Cl 10

NUT - hex flange, 12 mm - 1.75, class 10

1шт.

7

J911485

SUPPORT

BRACE - alternator

1шт.

8

614-8030

BOLT,Hex, M8 x 1.25 x 30mm, Cl 8.8, Full Thd

BOLT, HH, CL 8.8, M8 x 1.25 x 30

1шт.

9

892-11008

LOCK WASHER,8mm ID

WASHER, LOCK, M8

1шт.

12

1964826C1

GROMMET

GROMMET - alternator

1шт.

13

1970521C2

GUARD

SHIELD - alternator dust cover, no longer available, order screen 1979627C1, item 23

1шт.

14

495-31025

WASHER,3/16"

WASHER - flat, 1/4 x 9/16 x 3/64 inch

4шт.

15

892-11005

LOCK WASHER,M5

WASHER, LOCK, M5

4шт.

16

825-1405

NUT,M5, Cl 8

NUT, M5, Cl 8

4шт.

17

360-820

BOLT,Hex, 1/2" - 13 x 1 1/4", Gr 8

BOLT - hex flange, 1/2 NC x 1-1/4 inch, grade 8

1шт.

19

425-147

JAM NUT,Jam, 7/16"-14, G5

NUT - hex jam, 7/16 inch NC

1шт.

20

492-11044

LOCK WASHER,7/16"

WASHER, LOCK, 7/16"

1шт.

21

825-1404

NUT,M4, Cl 8

NUT, M4, Cl 8

1шт.

22

892-11004

LOCK WASHER,M4

WASHER, LOCK, M4

1шт.

23

1979627C1

COVER

SCREEN - alternator dust cover

1шт.

24

1338890C1

COVER

COVER - alternator

1шт.

25

214-1532

HOSE CLAMP,#32, 1.56" - 2.5", Type F Worm, W/ Liner

HOSE CLAMP, , Adj. (Replaces clamp 681209C1) #32, 1.56/2.50 Type F Worm, W/liner

1шт.

30

A187728

STARTING MOTOR

STARTER ASSEMBLY - engine parts list Figure 4-70, mounting

1шт.

30

AR187728

REMAN-STARTER

Remanufactured Starter

1шт.

30

AC187728

CORE-STARTER

Return Part Number

1шт.

30

A187728GV

STARTER MOTOR

Value

1шт.

31

868-12035

12 PT SCREW,M12 x 35mm, Cl 12.9

BOLT - 12 point flange, 12 - 1.75 x 35 mm, class 12.9, starter mounting

3шт.

32

892-11012

LOCK WASHER,M12

WASHER, LOCK, , Starter Mounting M12

3шт.

33

425-108

NUT,1/2" - 13, Gr 5

NUT, , Hex, Starter mounting 1/2"-13, G5

1шт.

34

495-11053

WASHER,1/2", SAE

WASHER, (17/32" x 1-1/16" x 3/32"), Starter mounting 1/2", SAE

1шт.

35

225-14210

NUT,#10-32

NUT, , Starter mounting #10-32

1шт.

36

492-11010

LOCK WASHER,#10

WASHER, LOCK, , Starter mounting #10

1шт.

Выбрано товаров: 34