Запчасти Case IH 1660 (4-66) - FEEDER REVERSER MOTOR (06) - ELECTRICAL

Схема запчастей Case IH 1660 - (4-66) - FEEDER REVERSER MOTOR (06) - ELECTRICAL
20
5
11
16
40
8
13
25
3
7
28
30
15
9
10
18
29
43
21
27
12
41
23
42
35
37
1
4
14
38
36
34
19
2
17
6
32
33
24
31
22
39
26
FIT
1:1
100%

Артикул

Название

Примечание

Количество

245927C93

STARTING MOTOR

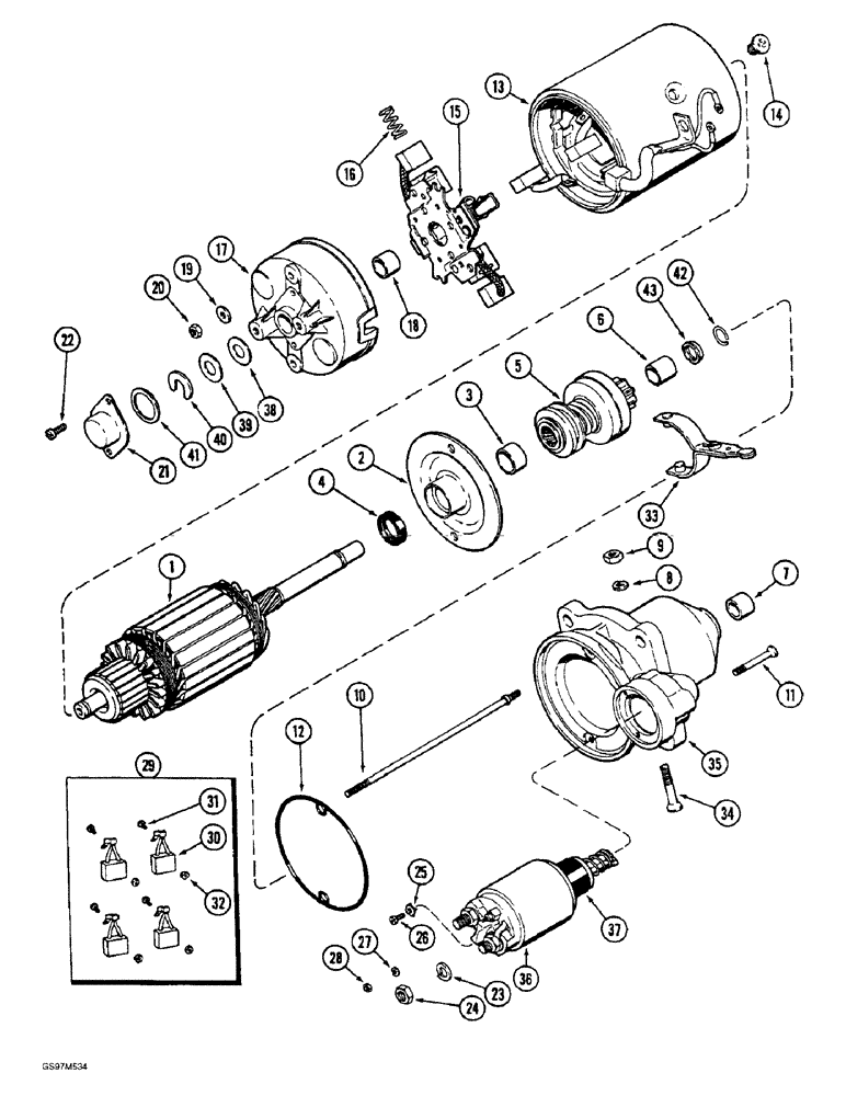
MOTOR ASSEMBLY - feeder reverser, Includes: Ref. 1 - 43

1шт.

245927C93R

REMAN-STARTER

REMANUFACTURED STARTING MOTOR

1шт.

245927C93C

CORE-STARTER

Return Number, STARTING MOTOR

1шт.

1

A186232

ARMATURE

ARMATURE - motor

1шт.

2

A186233

HOUSING

BEARING - plate

1шт.

3

3079432R1

BUSHING

BUSHING - clutch

1шт.

4

A186234

SEAL

SEAL - bearing plate

1шт.

5

A186235

DRIVE,Starter

CLUTCH - drive

1шт.

6

3079254R1

BUSHING

BUSHING - clutch

2шт.

7

3055738R2

BUSHING

BUSHING - frame

1шт.

8

3053133R1

SEALING RING,M8 x 11.5 x 1

RING - gasket, vent screw

1шт.

9

691265C1

NUT

NUT - hex, special

1шт.

10

3079172R1

STUD

STUD - frame

2шт.

11

A186236

SCREW,Torx, M5 x 45mm

SCREW - flat head, special

3шт.

12

A186237

RETAINER

RING - bearing plate

1шт.

13

A186238

COIL

COIL - field

1шт.

14

3079552R1

BOLT,Flat

SCREW - field coil

4шт.

15

K965157

BRUSH, COMMUTATOR

BRUSH HOLDER - brush (Replaces holder 3079174R1)

1шт.

16

3079420R1

SPRING

SPRING - brush

4шт.

17

A186239

COVER

SHIELD - holder

1шт.

18

K965145

BUSHING

BUSHING - holder (Replaces bushing 3079170R1)

1шт.

19

K965147

WASHER

WASHER - flat

2шт.

20

825-1406

NUT,M6, Cl 8

NUT, M6, Cl 8

2шт.

21

K965149

COVER

CAP - holder (Replaces cap 3079177R1)

1шт.

22

K965146

SCREW

SCREW - fillister head

2шт.

23

A186240

WASHER

WASHER - lock

2шт.

24

825-1410

NUT,M10, Cl 8

Nut, M10, Cl 8

2шт.

25

A186241

CLAMP

CLAMP - saddle, cable

1шт.

26

K965151

SCREW

SCREW - saddle clamp

1шт.

27

A186243

WASHER

WASHER - lock

2шт.

28

933824R1

THIN NUT,Thin, M4 x .5, Cl 04

NUT - hex, 4 mm (Replaces nut 933993R1)

2шт.

29

3079359R91

BRUSH, COMMUTATOR

BRUSH KIT - brush, Includes: Ref. 30 - 32

1шт.

30

NSS

NOT SOLD SEPARAT

BRUSH - motor, order kit 3079359R1

4шт.

31

NSS

NOT SOLD SEPARAT

SCREW - brush, order kit 3079359R1

4шт.

32

NSS

NOT SOLD SEPARAT

NUT - brush, order kit 3079359R1

4шт.

33

K965134

LEVER

FORK - clutch drive (Replaces fork 3078965R1)

1шт.

34

3079430R1

BOLT,Flat

SCREW - fork pivot

1шт.

35

A186246

FRAME

SHIELD - drive end

1шт.

36

251829A1

SOLENOID

SOLENOID - switch (Replaces solenoid A186244)

1шт.

37

A186245

DIAPHRAGM

DIAPHRAGM - solenoid

1шт.

3079555R91

PACKAGE

KIT - motor repair, Includes: Ref. 38 - 43

1шт.

38

NSS

NOT SOLD SEPARAT

SHIM - order kit 3079555R91

1шт.

39

NSS

NOT SOLD SEPARAT

SHIM - order kit 3079555R91

1шт.

40

NSS

NOT SOLD SEPARAT

WASHER - locking, order kit 3079555R91

1шт.

41

NSS

NOT SOLD SEPARAT

RING - seal, order kit 3079555R91

1шт.

42

NSS

NOT SOLD SEPARAT

RETAINER - order kit 3079555R91

1шт.

43

NSS

NOT SOLD SEPARAT

RING - stop order kit 3079555R91

1шт.

Выбрано товаров: 47