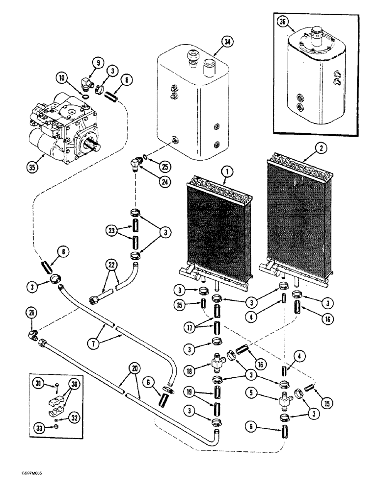
Запчасти Case IH 1660 (8-022) - OIL COOLER SYSTEM, RICE COMBINE, WITHOUT POWER GUIDE AXLE, P.I.N. JJC0041567 AND AFTER (07) - HYDRAULICS

Схема запчастей Case IH 1660 - (8-022) - OIL COOLER SYSTEM, RICE COMBINE, WITHOUT POWER GUIDE AXLE, P.I.N. JJC0041567 AND AFTER (07) - HYDRAULICS
25
35
21
2
32
3
10
15
15
4
34
1
3
8
17
3
36
7
19
9
24
31
6
18
22
20
3
16
4
30
3
33
3
16
8
5
3
3
6
3
3
23
FIT
1:1
100%

Артикул

Название

Примечание

Количество

1

84659C3

OIL COOLER

COOLER ASSEMBLY - hydraulic oil, parts list Figure 8-026

1шт.

2

84659C3

OIL COOLER

COOLER ASSEMBLY - auxiliary hydraulic oil, part list Figure 8-028

1шт.

3

27723R1

HOSE CLAMP,#16, .81/1.50 Type F Worm, W/liner

CLAMP - hose retaining

16шт.

4

REF

INSTRUCTION

HOSE - auxiliary cooler to pump, 406 mm (15-63/64 inch) long, cut from bulk hose 364360C1 below

1шт.

5

1979670C1

TEE

- cooler supply

1шт.

6

1979822C1

LARGE HOSE

HOSE - auxiliary cooler to pump, 343 mm (13-1/2 inch) long, cut from bulk hose 364361C1 below

1шт.

7

1979658C1

HYD TUBE,1" OD

TUBE - oil cooler supply to pump

1шт.

8

1979762C1

HOSE

- auxiliary cooler to pump, 610 mm (24 inch) long, cut from bulk hose 364361C1 below

1шт.

9

1546404C1

ELBOW

- 90 degree, special, 1 barb end x 1-1/16 inch PT (Replaces elbow 178995C1)

1шт.

10

237-6012

O-RING,0.116" Thk x 0.924" ID, -912, Cl 6, 90 Duro

12-1, 90 Duro, .924 ID x .116" Thk

1шт.

15

1347316C1

HOSE,19 mm ID x 559.00 mm, SAE 30R2

- auxiliary cooler to oil cooler, 559 mm (22 inch) long, cut from bulk hose 364360C1 below

1шт.

16

REF

INSTRUCTION

HOSE - auxiliary cooler to reservoir, 559 mm (22 inch) long, cut from bulk hose 364361C1 below

1шт.

17

1979762C1

HOSE

- cooler to reservoir, 610 mm (24 inch) long, cut from bulk hose 364361C1 below

1шт.

18

1979672C1

TEE

- 1 inch stem end

1шт.

19

87707C1

HOSE

- cooler to reservoir, 480 mm (18-29/32 inch) long, cut from bulk hose 364361C1 below

1шт.

20

1324941C1

HYD TUBE,1" OD, 1790.5, 127 mm Length

TUBE - oil cooler return, to reservoir

1шт.

21

218-478

ELBOW,90 Degree Elbow, 1-5/16" - 12 Male JIC x 1-5/16" - 12 Male JIC

- 90 degree, 1-5/16-12 inch flare x flare

1шт.

22

1979731C1

TUBE

- cooler return

1шт.

23

1979763C1

HOSE

- cooler to reservoir, 394 mm (15-1/2 inch) long, cut from bulk hose 364361C1 below

1шт.

24

1546404C1

ELBOW

- 90 degree, 1-1/16-12 O-ring x 1 inch stem end (Replaces elbow 178995C1), Includes: Ref. 25

1шт.

25

237-6012

O-RING,0.116" Thk x 0.924" ID, -912, Cl 6, 90 Duro

12-1, 90 Duro, .924 ID x .116" Thk

1шт.

30

1347071C1

CLAMP

- 1 inch OD

2шт.

31

413-536

BOLT,Hex, 5/16" - 18 x 2-1/4", Gr 5

- hex, 5/16 NC x 2-1/4 inch

2шт.

32

495-21038

WASHER,5/16"

(flat, 3/8 x 7/8 x 5/64") 5/16"

2шт.

33

231-5145

SERRATED NUT,Flg, USR, 5/16"-18

NUT - hex serrated flange, 5/16 inch NC

2шт.

34

REF

INSTRUCTION

RESERVOIR ASSEMBLY - hydraulic oil, parts list Figure 8-004

1шт.

35

REF

INSTRUCTION

PUMP ASSEMBLY - hydrostatic, parts list Figure 6-32

1шт.

36

1301237C92

RESERVOIR

ASSEMBLY - hydraulic oil, parts list Figure 8-002

1шт.

364360C1

HOSE

- bulk, 19 (3/4) ID x 15240 mm (600 inch) long, sold by the foot (Replaces hose B90927)

1шт.

364361C1

HOSE

- bulk, 25 (1) ID x 15240 mm (600 inch) long, sold by the foot (Replaces hose B90928)

1шт.

Выбрано товаров: 30