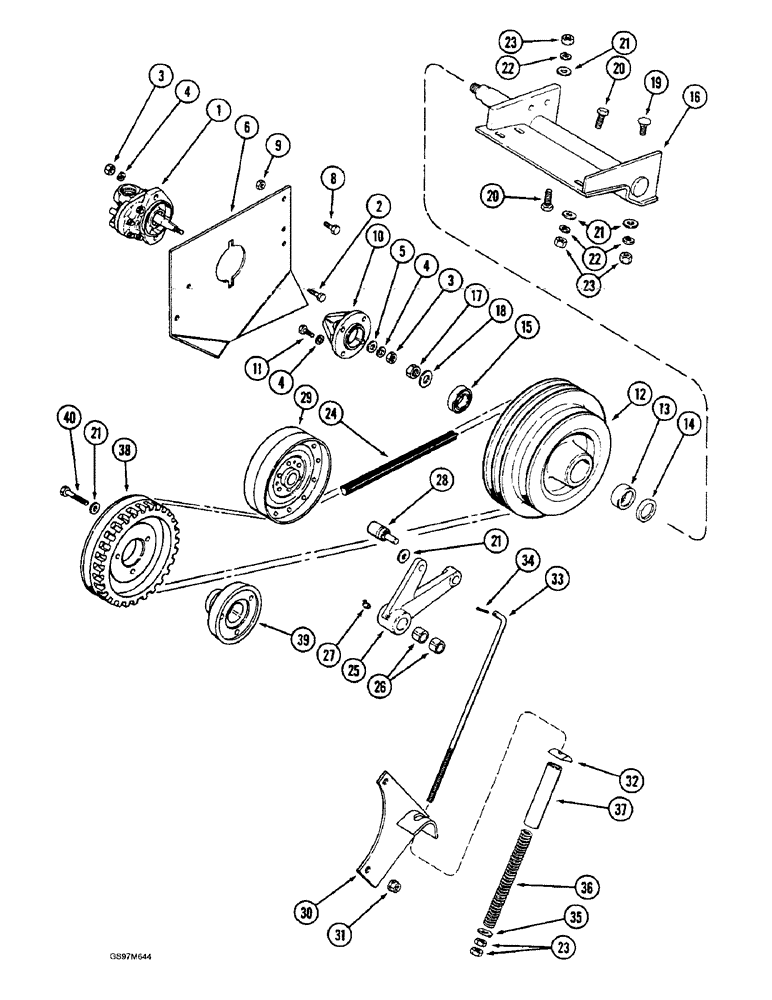
Запчасти Case IH 1660 (8-040) - HEADER LIFT PUMP, MOUNTING AND DRIVE, P.I.N. JJC0102897 - JJC0103799 (07) - HYDRAULICS

Схема запчастей Case IH 1660 - (8-040) - HEADER LIFT PUMP, MOUNTING AND DRIVE, P.I.N. JJC0102897 - JJC0103799 (07) - HYDRAULICS
2
37
29
25
3
22
28
14
39
32
9
23
10
36
4
13
4
21
6
24
30
20
5
16
7
33
21
31
18
15
40
22
20
27
19
11
17
26
21
8
38
4
3
23
23
12
34
35
21
FIT
1:1
100%

Артикул

Название

Примечание

Количество

1

REF

INSTRUCTION

PUMP ASSEMBLY - header lift, parts list Figure 8-044

1шт.

2

413-620

BOLT,Hex, 3/8" - 16 x 1-1/4", Gr 5

- hex, 3/8 NC x 1-1/4 inch

2шт.

3

425-106

NUT,3/8"-16, Cl 5

7шт.

4

492-11038

LOCK WASHER,3/8"

11шт.

5

495-11041

WASHER,0.406" ID x 0.812" OD x 0.065" W

(Flat, 13/32 x 13/16 x 1/16") 3/8", SAE

1шт.

6

192958C5

PLATE

- hydraulic pump

1шт.

8

413-616

BOLT,Hex, 3/8" - 16 x 1", Gr 5

- hex, 3/8 NC x 1 inch

2шт.

9

232-4136

LOCK NUT,3/8"-16, GC

NUT, LOCK, 3/8"-16, GC

2шт.

10

191207C1

HUB

- hydraulic pump

1шт.

11

413-616

BOLT,Hex, 3/8" - 16 x 1", Gr 5

- hex, 3/8 NC x 1 inch

4шт.

12

1347378C1

HUB

PULLEY ASSEMBLY - auxiliary pump drive, Includes: Ref. 13 - 15

1шт.

13

A144861

NEEDLE BEARING

BEARING - needle

1шт.

14

466176R92

SEAL

- pulley

1шт.

15

658089R91

BALL BEARING,30mm ID x 62mm OD x 16mm W

BEARING - ball

1шт.

16

181338C2

SUPPORT ASSY.

BRACKET - auxiliary drive, rear

1шт.

17

232-4115

LOCK NUT,5/16"-18, GC

NUT, LOCK, 5/16"-18, GC

1шт.

18

495-81255

WASHER,0.78" ID x 1.5" OD x 0.18" Thk

- flat, 25/32 x 1-1/2 x 11/64 inch

1шт.

19

434-820

CARRIAGE BOLT,Sht Sq Nk, 1/2" - 13 x 1 1/4", Gr 5

BOLT - carriage, 1/2 NC x 1-1/4 inch

1шт.

20

413-828

BOLT,Hex, 1/2" - 13 x 1-3/4", Gr 5

8шт.

21

496-21053

WASHER,17/32" x 1 1/16" x .134"

- flat, 17/32 x 1-1/16 x 1/8 inch, hardened

10шт.

22

80679

LOCK WASHER,1/20.507 CST ZND

WASHER, LOCK, 1/2"

7шт.

23

425-108

NUT,1/2" - 13, Gr 5

NUT, , Hex 1/2"-13, G5

9шт.

24

1347387C1

V-BELT,16.00 mm W x 2503.85 mm L, 2 Ribs

Pump Drive 16.00 mm W x 2503.85 mm L, 2 Ribs

1шт.

25

1330517C1

LEVER

ASSEMBLY - auxiliary pump drive, Includes: Ref. 26

1шт.

26

188068C1

BUSHING,25.4mm ID x 28.57mm OD x 19.05mm L

- lever

2шт.

27

219-90

LUBE NIPPLE,45 Degree Elbow, 1/4" -28 NPTF

FITTING - grease, 45 degree, 1/4-28 special taper x 13/16 inch

1шт.

28

274844R91

BEARING ASSY,30mm OD x 73.66mm L

- idler pulley

1шт.

29

192865C1

PULLEY

- idler, 203 mm (8 inch) OD

1шт.

30

194729C2

SUPPORT

- pump drive pivot

1шт.

31

231-5148

FLANGE NUT,Flg, USR, 1/2"-13

2шт.

32

194652C1

PIVOT

- rod

1шт.

33

191823C2

ROD

- auxiliary drive jackshaft

1шт.

34

432-1216

COTTER PIN,3/16" x 1"

1шт.

35

495-81163

WASHER,17/32" x 1 1/2" x .120"

- flat, 17/32 x 1-1/2 x 7/64 inch

1шт.

35

496-21053

WASHER,17/32" x 1 1/16" x .134"

- flat, 17/32 x 1-1/16 x 1/8 inch, hardened

1шт.

35

495-81287

WASHER,13.49mm ID x 31.75mm OD x 3.4mm Thk

- flat, 17/32 x 1-1/4 x 7/64 inch

1шт.

36

V368

SPRING

- drive rod

1шт.

37

1989254C1

SPACER

- drive rod, 165 mm (6-1/2 inch) long

1шт.

38

1330488C1

PULLEY

- drive, auxiliary pump, 225 mm (8-55/64 inch) OD

1шт.

39

196482C2

HUB

- drive pulley

1шт.

40

426-840

BOLT,Hex, 1/2" - 13 x 2-1/2", Gr 8

- hex, 1/2 NC x 2-1/2 inch, grade 8

3шт.

Выбрано товаров: 41