Запчасти Case IH 1660 (8-042) - AUXILIARY PUMP DRIVE, P.I.N. JJC0103800 AND AFTER (07) - HYDRAULICS

Схема запчастей Case IH 1660 - (8-042) - AUXILIARY PUMP DRIVE, P.I.N. JJC0103800 AND AFTER (07) - HYDRAULICS
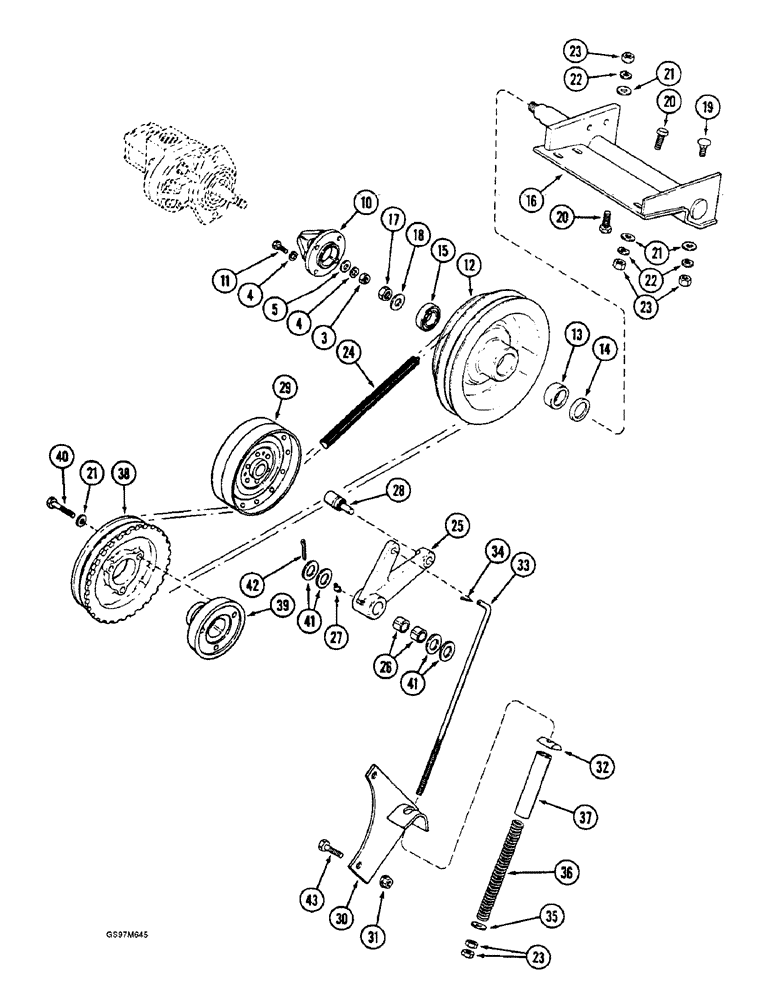
14
28
34
17
11
27
42
26
29
4
13
4
32
21
37
24
22
19
35
40
10
23
18
41
36
22
15
23
38
25
31
20
3
33
41
16
20
12
21
21
23
30
5
43
39
FIT
1:1
100%

Артикул

Название

Примечание

Количество

3

425-108

NUT,1/2" - 13, Gr 5

NUT, , Hex 1/2"-13, G5

1шт.

4

492-11038

LOCK WASHER,3/8"

4шт.

5

396-41053

WASHER,13.49mm ID x 31.75mm OD x 5.05mm Thk

- flat, 17/32 x 1-1/4 x 3/16 inch, hardened

1шт.

10

1541612C1

HUB

- hydraulic pump

1шт.

11

413-616

BOLT,Hex, 3/8" - 16 x 1", Gr 5

- hex, 3/8 NC x 1 inch

4шт.

12

1347378C1

HUB

PULLEY ASSEMBLY - auxiliary pump drive, models without cross flow cleaning system, Includes: Ref. 13 - 15

1шт.

12

1541761C1

PULLEY ASSY.

PULLEY ASSEMBLY - auxiliary pump drive, models with cross flow cleaning system, Includes: Ref. 13 - 15

1шт.

13

A144861

NEEDLE BEARING

BEARING - needle, used with pulley assembly 1347378C1

1шт.

13

191213C91

NEEDLE BEARING,41.275 mm ID x 50.812 mm OD x 25.4 mm

BEARING - pulley, outer, used with pulley assembly 1541761C1, no longer available, order bearing A144861 above

1шт.

14

466176R92

SEAL

- pulley

1шт.

15

658089R91

BALL BEARING,30mm ID x 62mm OD x 16mm W

BEARING - ball

1шт.

16

181338C2

SUPPORT ASSY.

BRACKET - auxiliary drive, rear

1шт.

17

232-41112

NUT,3/4"-10, GC

NUT, LOCK, 3/4"-10, GC

1шт.

18

495-81044

WASHER,0.78" ID x 1.75" OD x 0.12" Thk

- flat, 25/32 x 1-3/4 x 7/64 inch

1шт.

19

434-820

CARRIAGE BOLT,Sht Sq Nk, 1/2" - 13 x 1 1/4", Gr 5

BOLT - carriage, 1/2 NC x 1-1/4 inch

1шт.

20

413-820

BOLT,Hex, 1/2" - 13 x 1-1/4", Gr 5

- hex, 1/2 NC x 1-1/4 inch

6шт.

21

495-11053

WASHER,1/2", SAE

(17/32" x 1-1/16" x 3/32") 1/2", SAE

10шт.

22

80679

LOCK WASHER,1/20.507 CST ZND

WASHER, LOCK, 1/2"

7шт.

23

425-108

NUT,1/2" - 13, Gr 5

NUT, , Hex 1/2"-13, G5

9шт.

24

1347387C1

V-BELT,16.00 mm W x 2503.85 mm L, 2 Ribs

Pump Drive, Models Without Cross Flow Cleaning System 16.00 mm W x 2503.85 mm L, 2 Ribs

1шт.

24

1541699C1

V-BELT,16.00 mm W x 2446.85 mm L, 2 Ribs

Pump drive, Models with Cross Flow Cleaning System 16.00 mm W x 2446.85 mm L, 2 Ribs

1шт.

25

1330517C1

LEVER

ASSEMBLY - auxiliary pump drive, Includes: Ref. 26

1шт.

26

188068C1

BUSHING,25.4mm ID x 28.57mm OD x 19.05mm L

- lever

2шт.

27

219-90

LUBE NIPPLE,45 Degree Elbow, 1/4" -28 NPTF

FITTING - grease, 45 degree, 1/4-28 special taper x 13/16 inch

1шт.

28

274844R91

BEARING ASSY,30mm OD x 73.66mm L

- idler pulley

1шт.

29

192865C1

PULLEY

- idler, 203 mm (8 inch) OD

1шт.

30

194729C2

SUPPORT

- pump drive pivot

1шт.

31

231-5148

FLANGE NUT,Flg, USR, 1/2"-13

4шт.

32

194652C1

PIVOT

- rod

1шт.

33

191823C1

ROD

- auxiliary drive jackshaft

1шт.

34

432-1624

COTTER PIN,1/4" x 1 1/2"

Pin, Split (Cotter), 1/4" x 1-1/2"

1шт.

35

495-81287

WASHER,13.49mm ID x 31.75mm OD x 3.4mm Thk

- flat, 17/32 x 1-1/4 x 7/64 inch

1шт.

36

V368

SPRING

- drive rod

1шт.

37

1989254C1

SPACER

- drive rod, 165 mm (6-1/2 inch) long, models without cross flow cleaning system

1шт.

37

1541718C1

SPACER

- drive rod, models with cross flow cleaning system, no longer available, order spacer 1989254C1

1шт.

38

1330488C1

PULLEY

- drive, auxiliary pump, 225 mm (8-55/64 inch) OD

1шт.

39

196482C2

HUB

- drive pulley

1шт.

40

426-840

BOLT,Hex, 1/2" - 13 x 2-1/2", Gr 8

- hex, 1/2 NC x 2-1/2 inch, grade 8

3шт.

41

495-81073

WASHER,1-1/32" x 1-3/4" x .060" Thk

- flat, 1-1/32 x 1-3/4 x 1/16 inch

4шт.

42

432-1216

COTTER PIN,3/16" x 1"

1шт.

43

413-832

BOLT,Hex, 1/2" - 13 x 2", Gr 5

4шт.

Выбрано товаров: 41