Запчасти Case IH 1660 (8-118) - ACCUMULATOR ATTACHMENT, PRIOR TO P.I.N. JJC0103800 (07) - HYDRAULICS

Схема запчастей Case IH 1660 - (8-118) - ACCUMULATOR ATTACHMENT, PRIOR TO P.I.N. JJC0103800 (07) - HYDRAULICS
22a
24
16
13
24
21
11
9
27
8
16
20
3
10
6
25
23
12
26
4
22
5
7
14
17
16
2
15
1
17
27a
FIT
1:1
100%

Артикул

Название

Примечание

Количество

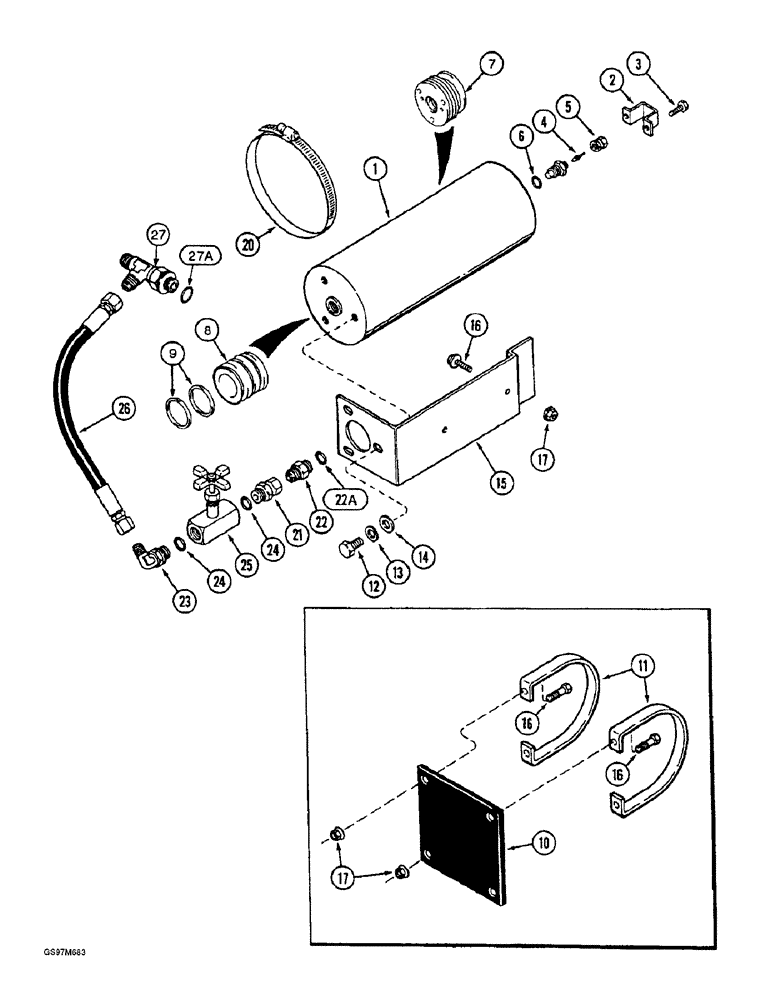
1

1978111C1

TANK

ACCUMULATOR ASSEMBLY - hydraulic, with welded ends, no longer available, order accumulator assembly 128191A1, Includes: Ref. 2 - 9

1шт.

1

128191A1

ACCUMULATOR,1.9L

ASSEMBLY - hydraulic, with threaded ends (Replaces accumulator 1978111C1), Includes: Ref. 2 - 9

1шт.

2

1341920C1

PROTECTOR

GUARD - valve, gas

1шт.

3

276-14912

SELF-TAP SCREW,Hex Hd, 3/8" x 3/4"

SCREW - self-tapping, hex, 3/8 NC x 3/4 inch

2шт.

192900A1

VALVE

ASSEMBLY - charge, accumulator (Replaces valve assembly 1978142C1), Includes: Ref. 4 - 6

1шт.

4

1978143C1

PISTON

CORE - valve

1шт.

5

1978144C1

CAP

- valve

1шт.

6

1978158C1

O-RING

- valve

1шт.

1341919C1

SEAL KIT

KIT - seal, accumulator

1шт.

7

S301363

GLAND

- accumulator, used with assembly 128191A1

1шт.

8

S301364

PISTON

- accumulator, used with assembly 128191A1

1шт.

9

S301365

RING

- wear, teflon, piston, used with assembly 128191A1

2шт.

10

196821C1

STRIP

CUSHION - accumulator

1шт.

Prior to P.I.N. JJC0038855.

1шт.

11

172133C1

SUPPORT

- accumulator

2шт.

Prior to P.I.N. JJC0038855.

1шт.

12

414-812

BOLT,Hex, 1/2" - 20 x 3/4", Gr 5

- hex, 1/2 NF x 3/4 inch (Replaces bolt 181693)

3шт.

13

80679

LOCK WASHER,1/20.507 CST ZND

WASHER, LOCK, 1/2"

3шт.

14

495-81025

WASHER,13.49mm ID x 31.75mm OD x 4.93mm Thk

- flat, 17/32 x 1-1/4 x 5/32 inch

3шт.

15

1979278C2

SUPPORT

- accumulator

1шт.

16

409-7516

BOLT,Hex Flg, 5/16" - 18 x 1", Spcl

2шт.

17

231-5145

SERRATED NUT,Flg, USR, 5/16"-18

NUT - hex serrated flange, 5/16 inch NC

2шт.

20

214-1480

HOSE CLAMP,#80, 4.62" - 5.5", Type F Worm

CLAMP, HOSE, , Adj. #80, 4.62/5.50 Type F Worm

1шт.

21

1327736C1

ELBOW

CONNECTOR - special

1шт.

22

201-102

HYD CONNECTOR,13/16" - 16 Male ORFS x 3/4" - 16 Male ORB

CONNECTOR, HYD., , Includes Ref. 22A 13/16"-16 ORFS x 3/4"-16 ORB

1шт.

22a

237-6008

O-RING,0.087" Thk x 0.644" ID, -908, Cl 6, 90 Duro

8-1, 90 Duro, .644" ID x .087" Thk

1шт.

23

201-349

90 ELBOW,90 Degree Elbow, 13/16" - 16 Female ORFS x 3/4" - 16 Male ORB

- 90 deg, 13/16-16 swivel face seal x 3/4-16 inch adjustable O-ring boss, Includes: Ref. 24

1шт.

24

237-6008

O-RING,0.087" Thk x 0.644" ID, -908, Cl 6, 90 Duro

8-1, 90 Duro, .644" ID x .087" Thk

2шт.

25

183510C1

VALVE

- needle

1шт.

26

1989665C1

HOSE

- 815 mm (32 inch) long

1шт.

27

201-412

TEE,13/16" - 16 ORFS x 13/16" - 16 ORFS x 3/4" - 16 ORB

- 13/16-16 face branch x face x 3/4-16 inch adjustable O-ring, Includes: Ref. 27A

1шт.

27a

237-6008

O-RING,0.087" Thk x 0.644" ID, -908, Cl 6, 90 Duro

8-1, 90 Duro, .644" ID x .087" Thk

1шт.

Выбрано товаров: 32