Запчасти Case IH 1660 (9G-08) - CAB, HEADLINER (10) - CAB & AIR CONDITIONING

Схема запчастей Case IH 1660 - (9G-08) - CAB, HEADLINER (10) - CAB & AIR CONDITIONING
36
7
25
12
44
16
10
15
24
47
28
11
21
13
39
22
35
39
8
34
42
45
39
17
6
1
41
16
2
26
41
36
20
38
47
27
43
4
37
47
26
7
40
15
19
23
5
30
9
14
31
3
FIT
1:1
100%

Артикул

Название

Примечание

Количество

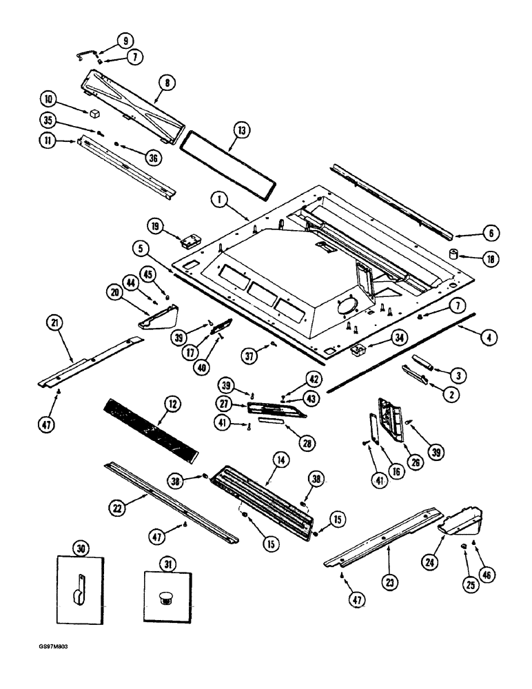
1

1329973C93

PANEL ASSY.

PANEL ASSEMBLY - headliner (Replaces panel 1276232C93), Includes: insulator

1шт.

1329975C3

INSULATOR

- accoustical

1шт.

2

1280402C1

PANEL

- louver frame

4шт.

3

109227C1

VENT

- louver

4шт.

4

NSS

NOT SOLD SEPARAT

STRIP - side, 1372 mm (54 inch) long, cut from bulk seal 182747C1 below

2шт.

5

NSS

NOT SOLD SEPARAT

STRIP - front and rear, 1441 mm (56-3/4 inch) long, cut from bulk seal 182747C1 below

2шт.

6

1321268C2

COVER

- defroster vent

1шт.

7

97135C1

KNOB

- control, round top (Replaces knob 1321356C1)

3шт.

8

117621C2

DOOR

- recirculating air

1шт.

9

1276293C2

ROD

- control

1шт.

10

118345C1

BUMPER

- recirculating door, attach to roof assembly

1шт.

11

111666C2

SUPPORT

- door

1шт.

12

109240C1

CAB FILTER

FILTER - air recirculation

1шт.

13

84157C1

SEAL

STRIP - recirculation door seal, 1000 mm (39-13/32 inch) long, cut from bulk seal 1971350C1 below

2шт.

14

109282C2

SIEVE

GRILLE - recirculating, air filter

1шт.

15

97135C1

KNOB

- filter grille

6шт.

16

1280327C1

PANEL

- insert, controls

1шт.

17

1321259C1

PANEL

- recirculation control trim

1шт.

18

1283457C3

SEAL

GROMMET - right-hand front and rear, monitor harness

1шт.

19

1283459C4

GROMMET

SEAL - left-hand rear corner

1шт.

20

1276270C1

PANEL

- headliner trim, left-hand front

1шт.

21

1280092C1

PANEL

- headliner trim, left-hand rear

1шт.

22

1276235C2

PANEL

- headliner trim, rear

1шт.

23

1280093C2

PANEL

- headliner trim, right-hand rear

1шт.

24

1276271C1

PANEL

- headliner trim, right-hand front

1шт.

25

353-412

PLUG,Dome, 1.093" hole, Nylon

- button, 1-3/32 inch

1шт.

26

1324515C1

PANEL

- cab control, with heater only, no longer available, order panel 1280212C2 and decal 1283479C2 below

1шт.

26

1324516C1

PANEL

- cab control, with heater and air conditioning, no longer available, order panel 1280212C2 and decal 1283031C2 below

1шт.

26

1280212C2

PANEL

- cab control

1шт.

1283031C2

DECAL

- heater/air conditioning control panel

1шт.

1283479C2

DECAL

- heater controls

1шт.

27

1280182C2

PANEL

- radio and clock

1шт.

28

1321384C1

PANEL

- radio insert

1шт.

30

395467R2

CLIP

- retaining

2шт.

182747C1

DOOR SEAL

SEAL - bulk, 15240 mm (600 inch) long, sold by the foot

1шт.

1971350C1

SEAL

- bulk, 15240 mm (600 inch) long

1шт.

31

353-406

PLUG,Dome, .625" hole, Nylon

- button, 16 mm (5/8 inch)

3шт.

31

353-411

PLUG,Dome, 1.000" hole, Nylon

(25.4 mm) (Heater only) Dome, 1.000" hole, Nylon

1шт.

31

353-404

PLUG,Dome, .500" hole, Nylon

(13 mm) (Heater only) Dome, .500" hole, Nylon

1шт.

34

1327770C2

SEAL

- cab harness hose, right-hand rear

1шт.

35

477-73812

SERRATED SCREW,Truss HD, 3/8" - 16 x 3/4"

BOLT - serrated slotted truss head, 3/8 NC x 3/4 inch

2шт.

36

231-5146

FLANGE NUT,3/8"-16

2шт.

37

261-33724

SELF-TAP SCREW,Cross Pan Hd, 1/4" x 1 1/2"

SCREW - self-tapping, pan Phillips, 1/4 NC x 1-1/2 inch

6шт.

38

1250628C2

SPACER

- grille spacer

6шт.

39

117995C1

PACKAGE

KIT - fastener, plastic toggle, includes five fasteners

1шт.

40

1276052C1

SELF-TAP SCREW,Cross Oval Hd, #8 x 1 3/4"

SCREW - self-tapping, oval head, No. 8-18 x 1-3/4 inch

4шт.

41

260-13428

SELF-TAP SCREW,Cross Pan Hd, #8 x 1 3/4"

SCREW - self-tapping, pan Phillips, No. 8 NC x 1-3/4 inch

12шт.

42

260-1356

SELF-TAP SCREW,Cross Pan Hd, #10 x 3/8"

SCREW - self-tapping, pan Phillips, No. 10-16 x 3/8 inch

2шт.

43

495-61020

WASHER,0.203" ID x 0.75" OD x 0.067" Thk

- flat, 13/64 x 3/4 x 1/16 inch

2шт.

44

260-14412

SELF-TAP SCREW,Cross Pan Hd, #8 x 3/4"

SCREW - self-tapping, pan Phillips, No. 8-18 x 3/4 inch

2шт.

45

445435

SPRING NUT,U, #10-24

- U-spring, No.8-18, Style 1

2шт.

46

260-1346

SELF-TAP SCREW,Cross Pan Hd, #8 x 3/8"

SCREW - self-tapping, pan Phillips, No. 8-18 x 3/8 inch

2шт.

47

1327506C1

SELF-TAP SCREW,Cross Pan Hd, M4.8 x 19mm, Coated

SCREW, SELF TAP, Cross Pan Hd, M4.8 x 19, Coated

10шт.

Выбрано товаров: 53