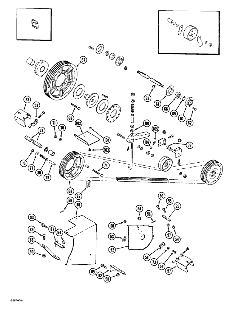
Запчасти Case IH 1660 (9A-26) - FEEDER, JACKSHAFT DRIVE (CONTD) (13) - FEEDER

Схема запчастей Case IH 1660 - (9A-26) - FEEDER, JACKSHAFT DRIVE (CONTD) (13) - FEEDER
58
85
70
62
79
59
103
60
86
83
88
90
55
80
71
66
67
104
69
68
75
65
72
77
105
97
78
89
93
92
74
56
63
89
53
102
94
73
82
61
90
54
61
95
58
106
87
96
57
54
52
101
FIT
1:1
100%

Артикул

Название

Примечание

Количество

52

1345355C3

HOUSING

SHIELD - support, front

1шт.

53

256873

BOLT,Hex Serr, 5/16" - 18 x 1/2", 5SPL, Full Thd

4шт.

54

231-5145

SERRATED NUT,Flg, USR, 5/16"-18

NUT - hex serrated flange, 5/16 inch NC

4шт.

55

477-73112

SERRATED SCREW,Sl Truss Hd, 5/16" - 18 x 3/4"

- serrated slotted truss head, 5/16 NC x 3/4"

2шт.

56

480523R1

HAIR PIN COTTER

1шт.

57

1345358C1

GUARD

SHIELD - jackshaft end

1шт.

58

1345199C1

SUPPORT

HINGE - shield

2шт.

59

477-73812

SERRATED SCREW,Truss HD, 3/8" - 16 x 3/4"

BOLT - serrated slotted truss head, 3/8 NC x 3/4 inch

8шт.

60

231-5146

FLANGE NUT,3/8"-16

8шт.

61

619333R1

FLANGED BEARING

- bearing, right-hand

2шт.

62

434-816

CARRIAGE BOLT,Sht Sq Nk, 1/2" - 13 x 1", Gr 5

BOLT - carriage, 1/2 NC x 1 inch

4шт.

63

231-5148

FLANGE NUT,Flg, USR, 1/2"-13

4шт.

65

664598R11

COLLAR

- lock, bearing

1шт.

66

664597R91

BALL BEARING,1.5005" ID x 90 mm OD x 1.625"

- ball, right-hand

1шт.

67

1305297C1

PULLEY

- driven, See Figure 9A-22

1шт.

68

1305288C1

PULLEY

- drive, feeder, 424 mm (16-11/16 inch) OD

1шт.

69

326-656

BOLT,Hex, 3/8" - 16 x 3-1/2", Gr 8

4шт.

70

492-11038

LOCK WASHER,3/8"

4шт.

71

329-106

NUT,3/8"-16, G8

4шт.

72

M74461

SPACER,26.6mm ID x 33.4mm OD x 19mm L

1шт.

73

151670C1

SHIM

SHIM - pin spacer, 0.036 inch

1шт.

74

1315319C1

BOLT,Hex, 3/8" - 16 x 6", Gr 8

- hex, special, 3/8 x 6 inch, grade 8

8шт.

75

232-4136

LOCK NUT,3/8"-16, GC

NUT, LOCK, 3/8"-16, GC

8шт.

77

495-81143

WASHER,13/32" x 1 1/2" x .120"

16шт.

78

1320160C4

SHAFT

- feeder, See Figure 9A-34

1шт.

79

1305370C3

SPACER

- spring clutch

8шт.

80

495-81129

WASHER,13/32" x 3/4" x .120"

- flat, 13/32 x 3/4 x 7/64 inch

9шт.

495-81093

WASHER,45.24mm ID x 63.5mm OD x 3.4mm Thk

- flat, 1-25/32 x 2-1/2 x 1/8 inch

1шт.

82

1315316C1

SUPPORT

- spring, slip clutch

2шт.

83

1345357C1

GUARD

SHIELD - jackshaft end, left-hand

1шт.

85

1321841C1

GUARD

SHIELD - jackshaft drive, 1194 mm (47 inch) feeder

1шт.

85

1321866C1

GUARD

SHIELD - jackshaft drive, 1384 mm (54-1/2 inch) feeder

1шт.

86

480523R1

HAIR PIN COTTER

4шт.

87

1327779C1

SUPPORT

- shield, upper rear

1шт.

88

1321851C2

SUPPORT

- shield, lower rear

1шт.

89

434-612

CARRIAGE BOLT,Sht Sq Nk, 3/8" - 16 x 3/4", Gr 5

BOLT - carriage, 3/8 NC x 3/4 inch

3шт.

90

231-5146

FLANGE NUT,3/8"-16

3шт.

92

1321853C2

SUPPORT

- shield, lower front

1шт.

93

256873

BOLT,Hex Serr, 5/16" - 18 x 1/2", 5SPL, Full Thd

2шт.

94

231-5145

SERRATED NUT,Flg, USR, 5/16"-18

NUT - hex serrated flange, 5/16 inch NC

2шт.

95

1321880C1

SUPPORT

- shield, front

1шт.

96

477-73112

SERRATED SCREW,Sl Truss Hd, 5/16" - 18 x 3/4"

- serrated slotted truss head, 5/16 NC x 3/4"

2шт.

97

231-5145

SERRATED NUT,Flg, USR, 5/16"-18

NUT - hex serrated flange, 5/16 inch NC

2шт.

101

194652C1

PIVOT

- rod

1шт.

102

1330071C1

GUARD

SHIELD - rear upper

1шт.

103

413-614

BOLT,Hex, 3/8" - 16 x 7/8", Gr 5

1шт.

104

425-106

NUT,3/8"-16, Cl 5

1шт.

105

485-13116

SET SCREW,Sq Hd, 5/16"-18 x 1", Cup pt

SCREW - set, square head, 5/16 NC x 1 inch, cup point

2шт.

106

425-105

NUT,5/16"-18, G5

- hex, 5/16 inch NC

2шт.

Выбрано товаров: 49