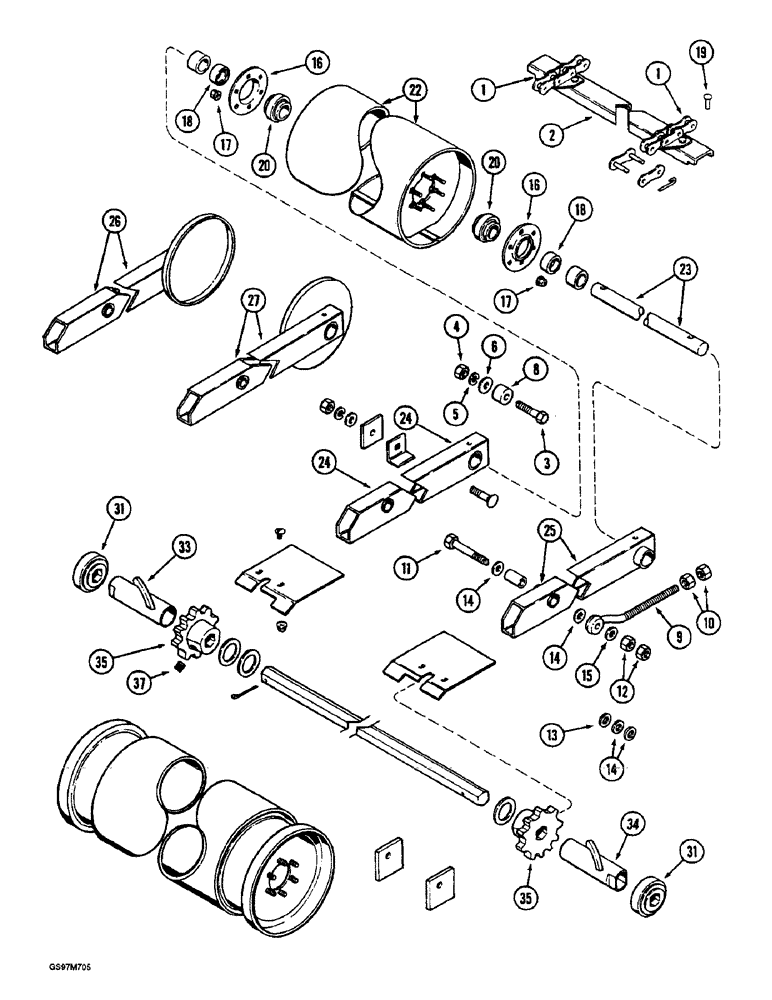
Запчасти Case IH 1660 (9A-34) - FEEDER, CONVEYOR (13) - FEEDER

Схема запчастей Case IH 1660 - (9A-34) - FEEDER, CONVEYOR (13) - FEEDER
24
2
13
20
4
14
24
6
23
18
1
1
5
8
27
34
25
17
37
22
10
20
33
9
18
14
11
26
19
3
17
35
35
16
12
15
31
16
31
14
FIT
1:1
100%

Артикул

Название

Примечание

Количество

1

117865A1

CHAIN (AG)

CHAIN - conveyor, 1384 mm (54-1/2 inch) feeder, rice, 9 serrated slats, one slat every eight links, A557 chain (Replaces chain 1324272C2)

1шт.

1

117869A1

CHAIN,Feeder

CHAIN - conveyor, 1194 mm (47 inch) feeder, corn and grain, 10 smooth slats, A557 chain (Replaces chain 1324266C2)

1шт.

1

117868A1

CHAIN (AG)

CHAIN - conveyor, corn and grain, 8 serrated slats, A557 chain (Replaces chain 1323678C2)

1шт.

1

1957593C2

ELEVATOR CHAIN

CHAIN - conveyor, 1194 mm (47 inch) feeder, rice, 10 serrated slats, A557 chain

1шт.

1

117871A1

CHAIN,Feeder

CHAIN - conveyor, 1384 mm (54-1/2 inch) feeder, corn and grain, 12 smooth slats, one slat every six links, A557 chain (Replaces chain 1324269C2)

1шт.

2

1313419C2

KIT

SLAT - conveyor, corn and grain, no longer available, order slat 1313190C1 below, bolt 426-616 and nut 1306680c1, item 68 and 69 on Figure 9A-36

1шт.

2

1313190C1

SLAT

SLAT - conveyor, corn and grain, 2" spacing

1шт.

2

1300287C1

CONNECTING STRIP

SLAT - conveyor, serrated, rice, 1384 mm (54-1/2 inch) feeder

1шт.

2

118268A1

SLAT

SLAT - conveyor, corn and grain, 2.25" spacing

1шт.

3

189709C1

BOLT,Hex, 1/2" - 13 x 3"

- hex, special, chain

2шт.

4

425-108

NUT,1/2" - 13, Gr 5

NUT, , Hex 1/2"-13, G5

2шт.

5

80679

LOCK WASHER,1/20.507 CST ZND

WASHER, LOCK, 1/2"

2шт.

6

495-81162

WASHER,17/32" x 1 1/2" x .179"

- flat, 17/32 x 1-1/2 x 11/64 inch

2шт.

8

197211C1

SPACER

- stop, drum

2шт.

9

176508C1

BOLT,5/8" - 11 x 228.60mm

- tightening, special

2шт.

10

425-1010

NUT,5/8"-11, G5

1шт.

11

187218C2

BOLT

BOLT - hex, special, 5/8 NC x 4-1/2 inch

2шт.

11

413-1072

BOLT,Hex, 5/8" - 11 x 4-1/2", Gr 5

2шт.

12

425-1010

NUT,5/8"-11, G5

4шт.

13

495-81026

WASHER,21/32" x 1 1/2" x .060"

- flat, 21/32 x 1-1/2 x 3/64 inch

1шт.

14

396-21066

WASHER,16.66mm ID x 33.33mm OD x 4.27mm Thk

1шт.

15

396-21066

WASHER,16.66mm ID x 33.33mm OD x 4.27mm Thk

2шт.

16

1330461C1

FLANGED BEARING

- bearing, drum

2шт.

17

1306680C1

FLANGE NUT

NUT - hex flange, self-locking, special, 3/8 inch NC

6шт.

18

557995R11

COLLAR

- bearing, with set screw

2шт.

19

104279

RIVET,FH, 3/8" x 3/4"

32шт.

20

619738R91

BALL BEARING,1.2505" ID x 62 mm OD x 1.4375"

- ball, conveyor

2шт.

22

1957437C1

DRUM

- conveyor, without stone retarder

1шт.

23

187207C2

SHAFT,31.75mm OD x 909.3mm L

SHAFT - drum, feeder

1шт.

24

1338287C3

ARM

- drum, LH, corn and grain, includes decal (Replaces arm 1338291C2)

2шт.

25

1338288C3

ARM

- drum, RH, corn and grain, includes decal (Replaces arm 1338292C2)

2шт.

26

1319875C5

ARM

- drum, left-hand, rice, with retarder rings

1шт.

26

1338287C3

ARM

- drum, LH, includes decal (Replaces arm 1338291C2)

1шт.

27

1319876C5

ARM

- drum, right-hand, rice, with retarder rings

1шт.

27

1338288C3

ARM

- drum, RH, includes decal (Replaces arm 1338292C2)

1шт.

31

179665C91

BALL BEARING,38.1mm Hex x 85mm OD x 30mm W

BEARING - ball, shaft

2шт.

33

178780C3

SPACER

- sprocket, left-hand

1шт.

34

178781C3

SPACER

- sprocket, right-hand

1шт.

35

1970248C1

SPROCKET ASSY.

SPROCKET - chain, conveyor

2шт.

37

197643C1

SET SCREW

- set, sprocket

4шт.

Выбрано товаров: 40