Запчасти Case IH 1660 (9A-38) - ROCK TRAP (13) - FEEDER

Схема запчастей Case IH 1660 - (9A-38) - ROCK TRAP (13) - FEEDER
43
18
41
42
30
37
17
26
16
17
3
27
12
29
21
9
25
23
7
3
3
11
7
44
1a
1
32
3
10
19
48
4
46
28
35
15
8
2
20
31
5
24
40
3
9
3
36
22
47
2
FIT
1:1
100%

Артикул

Название

Примечание

Количество

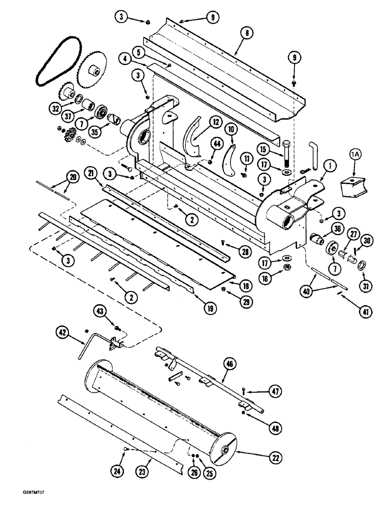
1

1327628C4

HOUSING

- rock trap

1шт.

1a

1989327C2

RETAINER

BLOCK - rock trap housing

1шт.

2

409-7516

BOLT,Hex Flg, 5/16" - 18 x 1", Spcl

6шт.

3

231-5145

SERRATED NUT,Flg, USR, 5/16"-18

NUT - hex serrated flange, 5/16 inch NC

30шт.

4

1320279C1

ANGLE

- wear, rock trap

1шт.

5

477-73112

SERRATED SCREW,Sl Truss Hd, 5/16" - 18 x 3/4"

- serrated slotted truss head, 5/16 NC x 3/4"

12шт.

7

179665C91

BALL BEARING,38.1mm Hex x 85mm OD x 30mm W

BEARING - ball, beater

2шт.

8

1327925C4

COVER ASSY

COVER - housing, rock trap, beater

1шт.

9

477-73116

SERRATED SCREW,Truss HD, 5/16" - 18 x 1"

BOLT - serrated slotted truss head, 5/16 NC x 1 inch

8шт.

10

1320254C1

PLATE

- backup seal

2шт.

11

154273C1

BOLT,Hex Serr, 3/8" - 16 x 1", Spcl

- hex, self-locking, special, 3/8 NC x 1 inch, plate

4шт.

12

195202C1

SEAL

- feeder

2шт.

15

326-16104

BOLT,Hex, 1" - 8 x 6-1/2", Gr 8

2шт.

16

232-41316

NUT,1"-8, GC

NUT, LOCK, 1"-8, GC

2шт.

17

396-31106

WASHER,1.06" ID x 2" OD x 0.22" Thk

- flat, 1-1/16 x 2 x 7/32 inch, hardened

4шт.

18

1324907C1

INSPECTION DOOR

DOOR - rock trap

1шт.

19

1320154C1

HINGE

- door, rock trap

1шт.

20

1320149C1

ROD

- door hinge

1шт.

21

1324880C1

ANGLE

- door

1шт.

22

1319834C2

DRUM

BEATER - feed, trap

1шт.

23

1324438C1

SUPPORT

EXTENSION - blade, beater

3шт.

23

1320921C2

BLADE

- beater, serrated

3шт.

24

434-624

CARRIAGE BOLT,Sht Sq Nk, 3/8" - 16 x 1 1/2", Gr 5

BOLT - carriage, 3/8 NC x 1-1/2 inch

15шт.

25

425-106

NUT,3/8"-16, Cl 5

15шт.

26

492-11038

LOCK WASHER,3/8"

15шт.

27

1327502C1

SHAFT

- beater drive

1шт.

28

477-73812

SERRATED SCREW,Truss HD, 3/8" - 16 x 3/4"

BOLT - serrated slotted truss head, 3/8 NC x 3/4 inch

5шт.

29

231-5146

FLANGE NUT,3/8"-16

9шт.

30

432-2040

COTTER PIN,5/16" x 2 1/2"

Pin, Split (Cotter), 5/16" x 2 1/2"

2шт.

31

495-81092

WASHER,1-7/8" ID x 2-1/2" OD x 1/16" Thk

- flat, 1-25/32 x 2-1/2 x 3/64 inch

1шт.

32

495-81093

WASHER,45.24mm ID x 63.5mm OD x 3.4mm Thk

- flat, 1-25/32 x 2-1/2 x 1/8 inch

1шт.

35

1320268C1

SPACER

- sprocket, left-hand, feeder

1шт.

36

1320269C1

SPACER

- sprocket, right-hand, feeder

1шт.

37

162172C1

SPACER

- 1-13/16 x 2-1/4 x 1-15/16 inch

1шт.

40

1320151C1

ROD

- door latch

1шт.

41

432-1216

COTTER PIN,3/16" x 1"

2шт.

42

188915A1

HANDLE

- door, left-hand (Replaces handle 1324752C1)

1шт.

43

413-816

BOLT,Hex, 1/2" - 13 x 1", Gr 5

2шт.

44

231-4118

LOCK NUT,1/2"-13, GB

NUT - hex, self-locking, 1/2 inch NC

2шт.

46

1324742C1

SUPPORT TUBE,800, 44 mm Length

SUPPORT - latch stop, trap

1шт.

47

174608C2

BOLT,Hex, 3/8" - 16 x 1 1/2"

- hex, special, 3/8 NC x 1-1/2 inch

2шт.

48

425-106

NUT,3/8"-16, Cl 5

4шт.

Выбрано товаров: 42