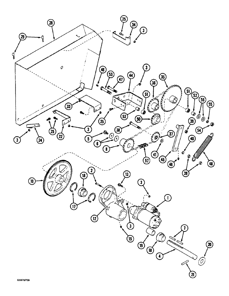
Запчасти Case IH 1660 (9A-42) - FEEDER REVERSER, WITH ROCK TRAP (13) - FEEDER

Схема запчастей Case IH 1660 - (9A-42) - FEEDER REVERSER, WITH ROCK TRAP (13) - FEEDER
47
10
8
39
3
3
29
7
21
3
52
33
40
34
15
52
18
3
24
45
37
55
48
36
53
5
18
41
38
51
1
25
11
57
46
12
3
3
56
50
20
19
4
28
54
2
39
44
22
46
13
51
25
6
35
25
FIT
1:1
100%

Артикул

Название

Примечание

Количество

1

245927C93

STARTING MOTOR

MOTOR ASSEMBLY - reverser, feeder, parts list Figure 4-66

1шт.

1

245927C93R

REMAN-STARTER

REMANUFACTURED STARTING MOTOR

1шт.

1

245927C93C

CORE-STARTER

Return Number, STARTING MOTOR

1шт.

2

413-636

BOLT,Hex, 3/8" - 16 x 2-1/4", Gr 5

BOLT - hex, 3/8 NC x 2-1/4 inch

3шт.

3

231-5146

FLANGE NUT,3/8"-16

NUT, Flg, USR, 3/8"-16

1шт.

4

1321534C1

SHAFT

SHAFT - reverser

1шт.

Ref #4 176110A2 housing, studs have now been set up as service parts p/n 121299A1 per Terry in tech. 8/2/99 CDS

1шт.

5

409-7816

BOLT,Hex Flg, 1/2" - 13 x 1", Spcl

BOLT - hex serrated flange, 1/2 NC x 1 inch

1шт.

6

495-91167

WASHER,13.49mm ID x 50.8mm OD x 3.4mm Thk

WASHER - flat, 17/32 x 2 x 7/64 inch

2шт.

7

Q51

KEY,3/8" Sq x 2 1/2", Par

KEY, 3/8" Sq x 2 1/2", Par

2шт.

8

1329717C1

SPROCKET

SPROCKET - drive, 20 tooth

1шт.

10

1321537C92

PINION,320mm OD, W/ Ring Gear

FLYWHEEL - motor, reverser

1шт.

12

176110A2

HOUSING

HOUSING - shaft, reverser (Replaces housing 1321539C1)

1шт.

13

409-7624

BOLT,Hex Flg, 3/8" - 16 x 1 1/2", Spcl

BOLT, Hex Flg, 3/8"-16 x 1 1/2", Serr

2шт.

15

219-87

LUBE NIPPLE,1/4" - 28 NPTF

NIPPLE, LUBE, 1/4"-28 x .56" lg, Self-Tap

1шт.

17

100-21315

SNAP RING,3.156", Int, #315

Ring, Snap, 3.156", Int, #315

2шт.

18

597537R91

BEARING ASSY,38.1mm ID x 80mm OD x 18mm W

BEARING - ball

2шт.

19

1321523C1

SPACER

SPACER - bearing

1шт.

20

896-16036

WASHER,39mm ID x 78mm OD x 7mm Thk

WASHER - flat, 39 x 78 x 7 mm, hardened

1шт.

21

38-33248

PIN,1/2" x 3", Coiled

Pin, 1/2" x 3", Coiled

1шт.

22

1321780C2

SUPPORT

SUPPORT - shield

1шт.

24

1321710C1

SUPPORT

SUPPORT - shield

1шт.

25

154273C1

BOLT,Hex Serr, 3/8" - 16 x 1", Spcl

BOLT - hex, self-locking, special, 3/8 NC x 1 inch

14шт.

28

120867A1

GUARD

SHIELD - reverser, feeder (Replaces shield 1321905C2)

1шт.

29

480523R1

HAIR PIN COTTER

HAIR PIN COTTER

4шт.

33

1329840C1

BRACKET

BRACKET - support, rear

1шт.

34

1329838C2

BRACKET

BRACKET - support, front

1шт.

35

1329720C2

SPROCKET

SPROCKET - driven, 40 tooth

1шт.

36

1329719C2

SPROCKET

SPROCKET - beater driven, rock trap, 20 tooth

1шт.

37

541857R92

SPROCKET,15T

SPROCKET - idler, 15 tooth

1шт.

38

413-1072

BOLT,Hex, 5/8" - 11 x 4-1/2", Gr 5

BOLT, Hex, 5/8"-11 x 4 1/2", G5

1шт.

39

232-41110

NUT,5/8"-11, GC

NUT, LOCK, 5/8"-11, GC

3шт.

40

492-11062

BEARING WASHER,5/8"

WASHER, LOCK, 5/8"

1шт.

41

396-21066

WASHER,16.66mm ID x 33.33mm OD x 4.27mm Thk

WASHER, 21/32" x 1 5/16" x .150", HDN

1шт.

44

1321528C2

SUPPORT

SUPPORT - idler, outer

1шт.

45

1321933C3

SUPPORT

SUPPORT - idler

1шт.

46

219-90

LUBE NIPPLE,45 Degree Elbow, 1/4" -28 NPTF

FITTING - grease, 45 degree, 1/4-28 special taper x 13/16 inch

2шт.

47

413-1060

BOLT,Hex, 5/8" - 11 x 3-3/4", Gr 5

BOLT - hex, 5/8 NC x 3-3/4 inch

1шт.

48

1330032C1

SPRING

SPRING - return, idler

1шт.

50

1321531C93

SPROCKET

SPROCKET ASSEMBLY - idler, fixed, Includes: Ref. 51

1шт.

51

545320R91

NEEDLE BEARING,Needle, 25.39mm ID x 31.76mm OD x 20.62mm W

BEARING - needle, 32 mm (1-1/4 inch) ID

2шт.

52

1327991C1

BUSHING,19.04mm ID x 25.37mm OD x 25.65mm L

BUSHING - bearing, inner

2шт.

53

1327990C1

BOLT,Hex, 3/4" - 10 x 4, Type 5, Drilled

BOLT, Hex, 3/4"-10 x 4, Drilled

1шт.

54

425-1012

NUT,3/4"-10, G5

NUT - hex, 3/4 inch NC

1шт.

55

492-11075

LOCK WASHER,3/4"

3/4"

1шт.

56

396-31081

WASHER,20.63mm ID x 38.1mm OD x 5.56mm Thk

WASHER, 13/16" x 1 1/2" x .219", HDN

2шт.

57

1321529C95

CHAIN,#60, 118 Links x 19.05mm = 2247.9mm

CHAIN - drive

1шт.

Use 118 links of No. 60H chain and one connecting link 111714A1 or use 118 links of 1979285C1 chrome chain and two connecting link 1329768C1.

1шт.

111716A1

CHAIN,#60, 3 Links x 19.05mm = 57.15mm

EXTENSION - three link, for chain 1321529C95, item 57

1шт.

Выбрано товаров: 49