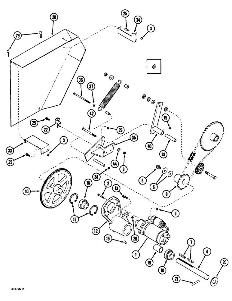
Запчасти Case IH 1660 (9A-44) - FEEDER REVERSER, WITHOUT ROCK TRAP (13) - FEEDER

Схема запчастей Case IH 1660 - (9A-44) - FEEDER REVERSER, WITHOUT ROCK TRAP (13) - FEEDER
18
35
1
8
21
29
10
38
26
5
26
20
34
4
3
33
40
3
18
13
25
19
22
42
39
17
25
3
25
6
2
15
44
15
3
12
7
37
28
36
FIT
1:1
100%

Артикул

Название

Примечание

Количество

1

245927C93

STARTING MOTOR

MOTOR ASSEMBLY - reverser, feeder, parts list Figure 4-66

1шт.

1

245927C93R

REMAN-STARTER

REMANUFACTURED STARTING MOTOR

1шт.

1

245927C93C

CORE-STARTER

Return Number, STARTING MOTOR

1шт.

2

413-636

BOLT,Hex, 3/8" - 16 x 2-1/4", Gr 5

BOLT - hex, 3/8 NC x 2-1/4 inch

3шт.

3

231-5146

FLANGE NUT,3/8"-16

NUT, Flg, USR, 3/8"-16

1шт.

4

1321534C1

SHAFT

SHAFT - reverser

1шт.

Ref #4 176110A2 housing, studs have now been set up as service parts p/n 121299A1 per Terry in tech. 8/2/99 CDS

1шт.

5

409-7816

BOLT,Hex Flg, 1/2" - 13 x 1", Spcl

BOLT - hex serrated flange, 1/2 NC x 1 inch

1шт.

6

495-91167

WASHER,13.49mm ID x 50.8mm OD x 3.4mm Thk

WASHER - flat, 17/32 x 2 x 7/64 inch

2шт.

7

Q51

KEY,3/8" Sq x 2 1/2", Par

KEY, 3/8" Sq x 2 1/2", Par

2шт.

8

1329717C1

SPROCKET

SPROCKET - drive, 20 tooth

1шт.

10

1321537C92

PINION,320mm OD, W/ Ring Gear

FLYWHEEL - motor, reverser

1шт.

12

176110A2

HOUSING

HOUSING - shaft, reverser (Replaces housing 1321539C1)

1шт.

13

409-7624

BOLT,Hex Flg, 3/8" - 16 x 1 1/2", Spcl

BOLT, Hex Flg, 3/8"-16 x 1 1/2", Serr

2шт.

15

219-90

LUBE NIPPLE,45 Degree Elbow, 1/4" -28 NPTF

FITTING - grease, 45 degree, 1/4-28 special taper x 13/16 inch

2шт.

17

100-21315

SNAP RING,3.156", Int, #315

Ring, Snap, 3.156", Int, #315

2шт.

18

597537R91

BEARING ASSY,38.1mm ID x 80mm OD x 18mm W

BEARING - ball

2шт.

19

1321523C1

SPACER

SPACER - bearing

1шт.

20

896-16036

WASHER,39mm ID x 78mm OD x 7mm Thk

WASHER - flat, 39 x 78 x 7 mm, hardened

1шт.

21

38-33248

PIN,1/2" x 3", Coiled

Pin, 1/2" x 3", Coiled

1шт.

22

1979317C1

SUPPORT ASSY.

SUPPORT - shield

3шт.

85490H

SPACER

SPACER - tube, 5/8 x 3/4 inch

2шт.

25

154273C1

BOLT,Hex Serr, 3/8" - 16 x 1", Spcl

BOLT - hex, self-locking, special, 3/8 NC x 1 inch

11шт.

28

120866A1

GUARD

SHIELD - reverser, feeder, includes decal (Replaces shield 1321516C2)

1шт.

29

480523R1

HAIR PIN COTTER

HAIR PIN COTTER

3шт.

33

1329840C1

BRACKET

BRACKET - support, rear

1шт.

34

1329838C2

BRACKET

BRACKET - support, front

1шт.

35

1979299C2

SUPPORT

SUPPORT - idler bar

1шт.

36

413-828

BOLT,Hex, 1/2" - 13 x 1-3/4", Gr 5

BOLT, Hex, 1/2"-13 x 1 3/4", G5

1шт.

326-6112

BOLT,Hex, 3/8" - 16 x 7", Gr 8

BOLT - hex, 3/8 NC x 7 inch, grade 8 (Replaces bolt 25253R1)

1шт.

37

496-21053

WASHER,17/32" x 1 1/16" x .134"

WASHER - flat, 17/32 x 1-1/16 x 1/8 inch, hardened

1шт.

38

231-5148

FLANGE NUT,Flg, USR, 1/2"-13

NUT, Flg, USR, 1/2"-13

2шт.

39

1979303C1

SPACER

TUBE - spacer

1шт.

40

1979305C1

ARM

SUPPORT - idler

1шт.

42

413-652

BOLT,Hex, 3/8" - 16 x 3-1/4", Gr 5

BOLT - hex, 3/8 NC x 3-1/4 inch

1шт.

44

25553R1

WASHER,13/32" x 1 1/8" x .134", HDN

WASHER - flat, 13/32 x 1-1/8 x 9/64 inch

1шт.

Выбрано товаров: 36