Запчасти Case IH 1660 (9A-46) - FEEDER REVERSER, WITHOUT ROCK TRAP (CONTD) (13) - FEEDER

Схема запчастей Case IH 1660 - (9A-46) - FEEDER REVERSER, WITHOUT ROCK TRAP (CONTD) (13) - FEEDER
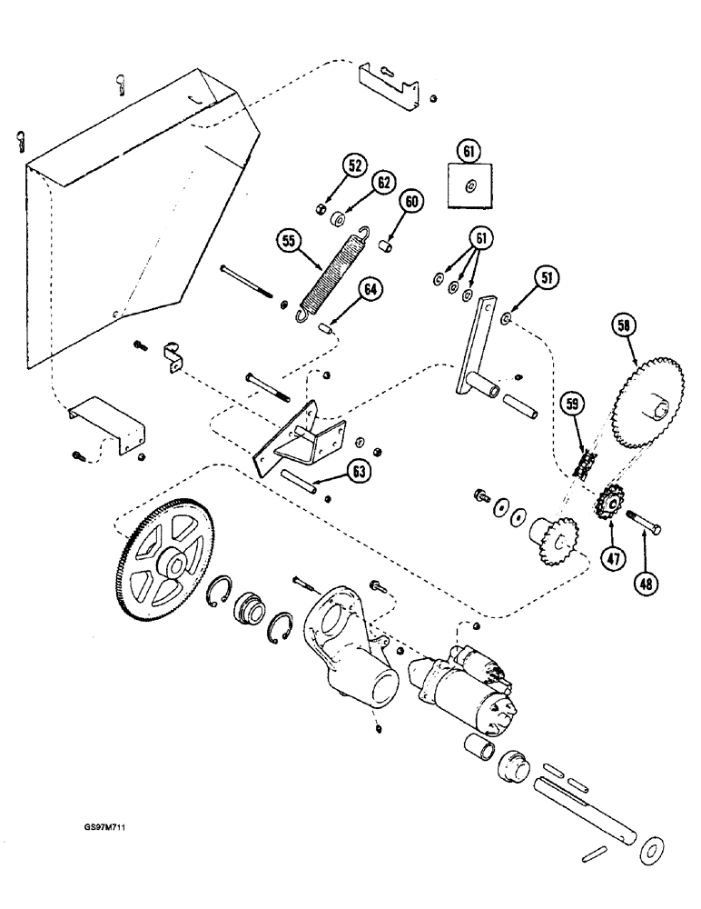
60
62
61
58
47
51
59
55
61
52
64
63
48
FIT
1:1
100%

Артикул

Название

Примечание

Количество

47

629972R91

DRIVE SPROCKET,15T

SPROCKET - idler, 15 tooth

1шт.

48

413-1072

BOLT,Hex, 5/8" - 11 x 4-1/2", Gr 5

1шт.

50

492-11062

BEARING WASHER,5/8"

WASHER, LOCK, 5/8"

1шт.

51

396-21066

WASHER,16.66mm ID x 33.33mm OD x 4.27mm Thk

1шт.

52

425-1010

NUT,5/8"-11, G5

1шт.

52

232-41110

NUT,5/8"-11, GC

NUT, LOCK, 5/8"-11, GC

1шт.

55

1330032C1

SPRING

- return, idler

1шт.

58

1329720C2

SPROCKET

- driven, 40 tooth

1шт.

59

1321524C94

CHAIN,60, 76 Links x 19.05mm = 1447.8mm

- drive

1шт.

Use 75 links of No. 60H chain and 1317D connecting link, or use 75 links of 1979285C1 chrome roller chain and two connecting links 1329768C1.

1шт.

60

UA17298

SPACER,7/8" Tube x 1 1/16"

- 7/8 x 1-1/16 inch

1шт.

61

495-11066

WASHER,5/8", SAE

- flat, 21/32 x 1-5/16 x 3/32 inch, no longer used, order housing 1345410C1, item 62

4шт.

62

1345410C1

BUSHING,16.7mm ID x 35mm OD x 15mm L

- pulley, 17 x 35 x 15 mm

1шт.

63

1979304C1

SPACER

- spring

1шт.

64

154397C1

SPACER,5/8" Tube x 1 1/4"

- tubular, 5/8 OD x 1-1/4 inch long

1шт.

Выбрано товаров: 0