Запчасти Case IH 1660 (9B-02) - ROTOR DRIVE, MOUNTING (14) - ROTOR, CONCANVES & SIEVE

Схема запчастей Case IH 1660 - (9B-02) - ROTOR DRIVE, MOUNTING (14) - ROTOR, CONCANVES & SIEVE
34
25
40
18
1
31
7
42
38
32
6
24
41
3
39
2
13
29
12
12
27
5
30
4
14
20
33
23
19
26
15
35
22
13
28
8
FIT
1:1
100%

Артикул

Название

Примечание

Количество

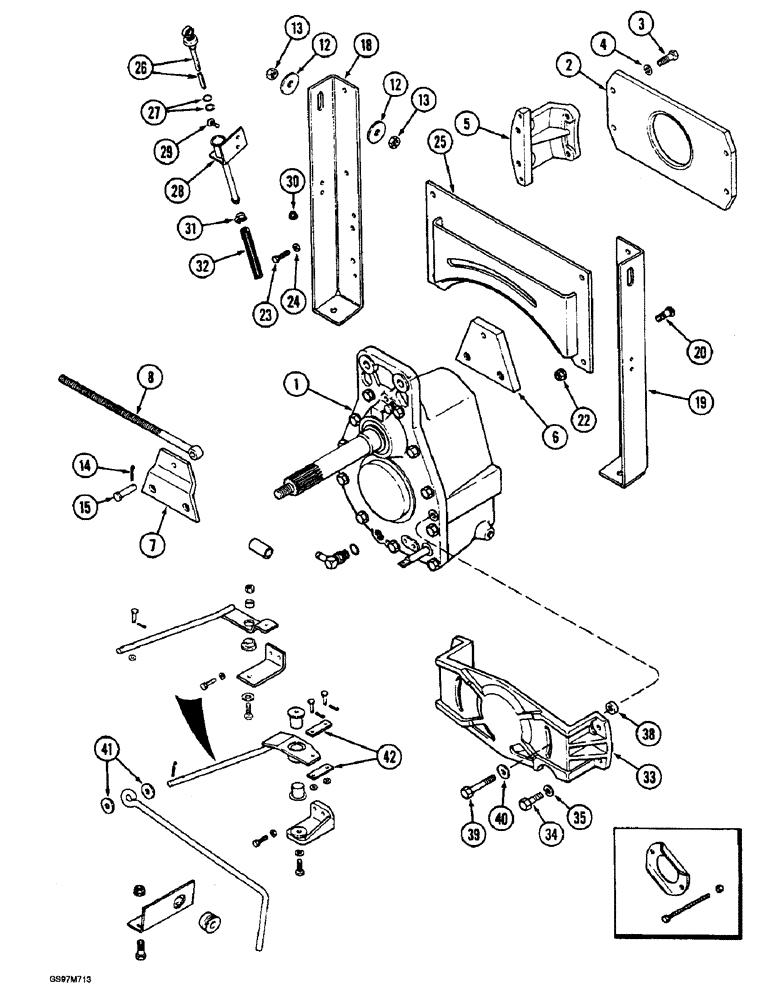
1

1315340C3

HOUSING ASSY.

HOUSING ASSEMBLY - rotor drive, parts list Figure 9B-12

1шт.

2

181315C1

PLATE

- gear housing support, front

1шт.

3

413-824

BOLT,Hex, 1/2" - 13 x 1-1/2", Gr 5

4шт.

4

80679

LOCK WASHER,1/20.507 CST ZND

WASHER, LOCK, 1/2"

4шт.

5

181314C2

BLOCK

- housing support, front

2шт.

6

188141C1

SUPPORT

- gear housing anchor

1шт.

7

188142C1

SUPPORT

- gear housing anchor

1шт.

8

188143C1

EYEBOLT

- gear housing

1шт.

12

495-81259

WASHER,21/32" x 2" x .238"

- flat, 21/32 x 2 x 1/4 inch

2шт.

13

425-1010

NUT,5/8"-11, G5

2шт.

14

432-1216

COTTER PIN,3/16" x 1"

1шт.

15

439-5832

HEADED PIN,12.7mm OD x 50.8mm L

PIN - headed, 1/2 x 2 inch

1шт.

18

194055C2

SUPPORT

- gear housing, left-hand

1шт.

19

194056C2

SUPPORT

- gear housing, right-hand

1шт.

20

434-820

CARRIAGE BOLT,Sht Sq Nk, 1/2" - 13 x 1 1/4", Gr 5

BOLT - carriage, 1/2 NC x 1-1/4 inch

6шт.

22

231-5148

FLANGE NUT,Flg, USR, 1/2"-13

6шт.

23

413-616

BOLT,Hex, 3/8" - 16 x 1", Gr 5

- hex, 3/8 NC x 1 inch

4шт.

24

492-11038

LOCK WASHER,3/8"

4шт.

25

1338395C1

SUPPORT ASSY.

SUPPORT - rotor drive

1шт.

26

194066C91

DIPSTICK

GAUGE - rotor gear housing

1шт.

27

238-5210

O-RING,0.139" Thk x 0.734" ID, -210, Cl 5, 75 Duro

2шт.

28

193946C1

TUBE,12.7 mm OD

- gear housing gauge

1шт.

29

477-73112

SERRATED SCREW,Sl Truss Hd, 5/16" - 18 x 3/4"

- serrated slotted truss head, 5/16 NC x 3/4"

2шт.

30

231-5145

SERRATED NUT,Flg, USR, 5/16"-18

NUT - hex serrated flange, 5/16 inch NC

2шт.

31

214-1404

HOSE CLAMP,#04, 0.25" - 0.62", Type F Worm

CLAMP - adjustable, 1/4 - 5/8 inch diameter

2шт.

32

NSS

NOT SOLD SEPARAT

HOSE - gear housing, 483 mm (19 inch) long, cut from bulk hose S118466X below

1шт.

33

194058C1

SUPPORT

- rear gear housing

1шт.

34

413-828

BOLT,Hex, 1/2" - 13 x 1-3/4", Gr 5

4шт.

35

80679

LOCK WASHER,1/20.507 CST ZND

WASHER, LOCK, 1/2"

4шт.

38

194077C1

SPACER

- gear housing

2шт.

39

413-848

BOLT,Hex, 1/2" - 13 x 3", Gr 5

- hex, 1/2 NC x 3 inch

2шт.

40

396-41053

WASHER,13.49mm ID x 31.75mm OD x 5.05mm Thk

- flat, 17/32 x 1-1/4 x 3/16 inch, hardened

2шт.

41

495-81287

WASHER,13.49mm ID x 31.75mm OD x 3.4mm Thk

- flat, 17/32 x 1-1/4 x 7/64 inch

2шт.

42

188169C1

BAR

- shift lever

2шт.

S118466X

LARGE HOSE

HOSE - bulk, 13 (1/2) ID x 7620 mm (300 inch) long

1шт.

Выбрано товаров: 35