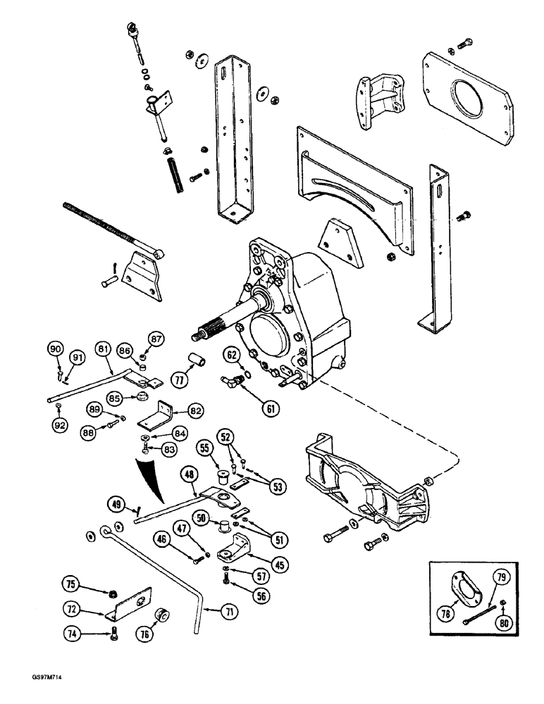
Запчасти Case IH 1660 (9B-04) - ROTOR DRIVE, MOUNTING (CONTD) (14) - ROTOR, CONCANVES & SIEVE

Схема запчастей Case IH 1660 - (9B-04) - ROTOR DRIVE, MOUNTING (CONTD) (14) - ROTOR, CONCANVES & SIEVE
88
49
85
50
47
53
61
86
89
92
64
74
72
48
80
55
81
52
76
62
79
45
56
78
87
83
75
90
82
91
51
77
57
71
FIT
1:1
100%

Артикул

Название

Примечание

Количество

45

1979167C1

SUPPORT ASSY.

SUPPORT - gear housing pivot

1шт.

46

413-512

BOLT,Hex, 5/16" - 18 x 3/4", Gr 5

- hex, 5/16 NC x 3/4 inch

2шт.

46

413-516

BOLT,Hex, 5/16" - 18 x 1", Gr 5

- hex, 5/16 NC x 1 inch

2шт.

47

492-11031

LOCK WASHER,5/16"

WASHER, LOCK, 5/16"

2шт.

48

1979164C1

LEVER

- rotor drive shift, used with fork 1979753C1, item 19 on Figure 9B-12

1шт.

49

432-1216

COTTER PIN,3/16" x 1"

2шт.

50

1979265C1

BUSHING

- shift lever

1шт.

51

496-21028

WASHER,.281" x 5/8" x .075", HDN

- flat, 9/32 x 5/8 x 5/64 inch, hardened

2шт.

52

439-1416

HEADED PIN,1/4" x 1"

PIN - headed, 1/4 x 1 inch, grade 2

2шт.

53

432-816

COTTER PIN,1/8" x 1"

1/8" x 1"

2шт.

55

188170C1

NUT

NUT - shift lever

1шт.

56

413-620

BOLT,Hex, 3/8" - 16 x 1-1/4", Gr 5

- hex, 3/8 NC x 1-1/4 inch

1шт.

57

492-11038

LOCK WASHER,3/8"

1шт.

61

188272C1

ELBOW

- 90 degree, special

1шт.

62

237-6008

O-RING,0.087" Thk x 0.644" ID, -908, Cl 6, 90 Duro

8-1, 90 Duro, .644" ID x .087" Thk

1шт.

71

186648C2

ROD

- lever shaft control linkage

1шт.

72

188816C91

ANGLE

- rod lever control link, includes decal

1шт.

74

413-820

BOLT,Hex, 1/2" - 13 x 1-1/4", Gr 5

- hex, 1/2 NC x 1-1/4 inch, plated

2шт.

75

231-5148

FLANGE NUT,Flg, USR, 1/2"-13

2шт.

76

198825C1

GROMMET,15.88mm ID x 41.1mm OD x 26.9mm Thk

- 5/8 inch ID

1шт.

77

163493C1

STRIP,19.05mm ID x 25.4mm OD x 45.7mm L

SLEEVE - 3/4 ID x 1-13/64 inch long

1шт.

78

1315304C2

PLATE

- torque spring

1шт.

79

1319996C2

ROD

BOLT - torque sensing spring, special, 11-1/2 inch

2шт.

80

429-106

NUT,3/8"-16, G8

- hex, 3/8 inch NC, grade 8

2шт.

81

100398A1

LEVER ASSY.

LEVER - rotor drive shift, used with fork 100400A1, item 19A on Figure 9B-12

1шт.

82

100395A1

SUPPORT

- gear housing pivot

1шт.

83

413-620

BOLT,Hex, 3/8" - 16 x 1-1/4", Gr 5

- hex, 3/8 NC x 1-1/4 inch

1шт.

84

495-21044

WASHER,3/8"

(flat, 7/16 x 1 x 5/64 inch) 3/8"

1шт.

85

1979265C1

BUSHING

- shift lever

1шт.

86

1979327C1

SPACER

- lever

1шт.

87

231-4116

NUT,3/8"-16, GB

NUT - hex, self-locking, 3/8 inch NC

1шт.

88

413-512

BOLT,Hex, 5/16" - 18 x 3/4", Gr 5

- hex, 5/16 NC x 3/4 inch

2шт.

89

492-11031

LOCK WASHER,5/16"

WASHER, LOCK, 5/16"

2шт.

90

439-5521

HEADED PIN,5/16" x 1 5/16"

PIN - headed, 5/16 x 1-5/16 inch

1шт.

91

432-812

COTTER PIN,3/4" OAL x 1/8" W

PIN, SPLIT (COTTER), 1/8" x 3/4"

1шт.

92

495-11034

WASHER,5/16", SAE

5/16" SAE (flat, 11/32 x 11/16 x 1/16")

1шт.

Выбрано товаров: 36