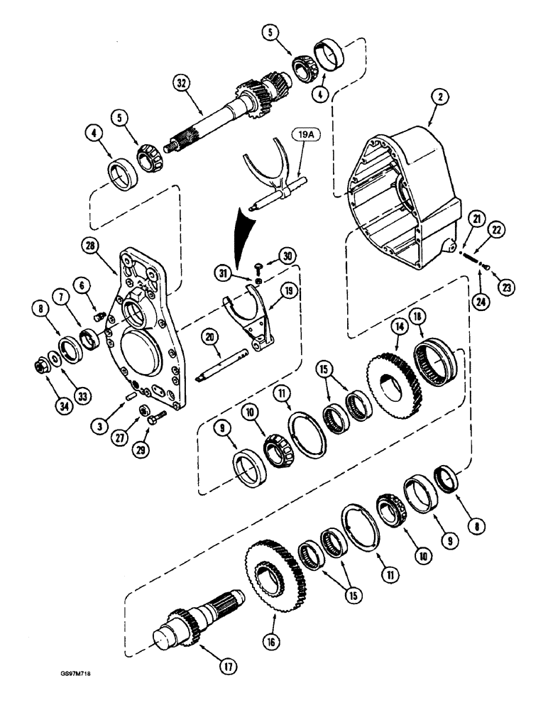
Запчасти Case IH 1660 (9B-12) - ROTOR DRIVE, GEAR HOUSING (14) - ROTOR, CONCANVES & SIEVE

Схема запчастей Case IH 1660 - (9B-12) - ROTOR DRIVE, GEAR HOUSING (14) - ROTOR, CONCANVES & SIEVE
5
30
23
15
24
4
20
10
3
15
17
27
11
2
5
6
9
32
10
11
7
28
9
18
8
19a
22
31
19
21
16
29
34
33
14
8
FIT
1:1
100%

Артикул

Название

Примечание

Количество

1315340C3

HOUSING ASSY.

HOUSING ASSEMBLY - rotor drive, Includes: Ref. 2 - 34

1шт.

2

194064C91

HOUSING ASSY.

HOUSING ASSEMBLY - rotor gear, Includes: Ref. 3

1шт.

3

37-1820

DOWEL,1/2" x 1 1/4"

PIN - dowel, 1/2 x 1-1/4 inch, hardened

2шт.

4

ST863

BEARING CUP,93.22mm OD x 23.81mm W

CUP - tapered roller bearing, housing

2шт.

5

ST783A

TAPERED BEARING,2" ID x 3.6718" OD x 1.1875"

BEARING - tapered roller, housing

2шт.

6

152127H1

BREATHER,1/8"-27, Short

- housing (Replaces breather 1338222C1)

1шт.

7

194047C1

BUSHING,49.16mm ID x 63.5mm OD x 21.02mm L

- input shaft

1шт.

8

194051C1

SEAL,63.42mm ID x 82.8mm OD x 11mm Thk

- oil

2шт.

9

22396V

BEARING, CUP,112.739mm OD x 30.37mm W

CUP - tapered roller bearing, gear

2шт.

10

13367DC

ROLLER BEARING

BEARING - tapered roller, gear

2шт.

11

194057C1

THRUST WASHER,127mm ID x 152.4mm OD x 1.6mm Thk

WASHER - thrust

2шт.

14

193828C1

PINION

GEAR - driven, 47 tooth

1шт.

15

619085C91

BEARING, NEEDLE,Needle, 76.19mm ID x 89.04mm OD x 19.05mm W

BEARING - needle

4шт.

16

193824C1

GEAR

GEAR - driven, 58 tooth

1шт.

17

194059C1

SHAFT

- rotor drive output

1шт.

18

194069C1

COLLAR

- shift

1шт.

19

1979753C1

FORK

- shift, no longer available, order one-piece fork 100400A1, item 19A and items 81 - 92 on Figure 9B-4

1шт.

19a

100400A1

SHIFTER FORK

FORK - shift, one-piece, also order items 81 - 92 on Figure 9B-4

1шт.

20

194067C2

SHAFT

- shifter

1шт.

21

211-1014

BALL,7/16" Dia

- chrome alloy steel, 7/16 inch, grade 24

1шт.

22

107234C1

SPRING

- compression

1шт.

23

129998

PLUG,1/2" - 20 ORB

Incl. Ref. 24 Hex Hd, 1/2"-20 ORB

1шт.

27

G10450

OIL SEAL,19.05mm ID x 31.85mm OD x 6.35mm Thk

- oil

1шт.

28

194039C3

COVER

- rotor gear housing

1шт.

29

413-832

BOLT,Hex, 1/2" - 13 x 2", Gr 5

11шт.

30

573985R1

SET SCREW,Sq Hd, 3/8"-24 x 1"

SCREW - set, 3/8 NF x 1 inch

1шт.

31

425-156

JAM NUT,Jam, 3/8"-24, G5

- hex jam, 3/8 inch NF

1шт.

32

1957654C1

SHAFT

- input

1шт.

33

370255R2

WASHER,22.63mm ID x 47.75mm OD x 4.18mm Thk

- flat, 57/64 x 1-7/8 x 7/32 inch, hardened

1шт.

34

1315288C1

FLANGE NUT

- hex, self-locking, special, 7/8 inch NC

1шт.

24

237-6005

O-RING,0.072" Thk x 0.414" ID, -905, Cl 6, 90 Duro

5-1, 90 Duro, .414" ID x .072" Thk

1шт.

Выбрано товаров: 31