Запчасти Case IH 1660 (9C-20) - SLOW SPEED FAN, DRIVE (CONTD) (15) - BEATER & CLEANING FANS

Схема запчастей Case IH 1660 - (9C-20) - SLOW SPEED FAN, DRIVE (CONTD) (15) - BEATER & CLEANING FANS
59
66
65
46
57
59
56
60
58
68
49
48
43
47
53
60
50
55
44
49
64
54
45
67
FIT
1:1
100%

Артикул

Название

Примечание

Количество

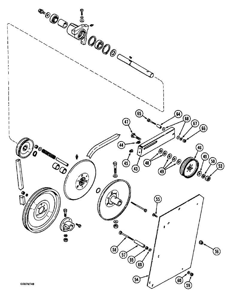
43

185270C1

SUPPORT

- idler

1шт.

44

409-7512

BOLT,Hex Flg, 5/16" - 18 x 3/4", Spcl

- hex serrated flange, 5/16 NC x 3/4 inch

2шт.

45

231-5145

SERRATED NUT,Flg, USR, 5/16"-18

NUT - hex serrated flange, 5/16 inch NC

2шт.

46

564745R91

PULLEY

- idler, 140 mm (5-1/2 inch) OD

1шт.

47

411-1040

CARRIAGE BOLT,Sq Nk, 5/8" - 11 x 2 1/2", Gr 2

BOLT - carriage, 5/8 NC x 2-1/2 inch, grade 2

1шт.

48

498-81009

SQ HOLE WASHER,41/64" x 1 1/4" x .105", Sq Hole

- square hole, 21/32 x 1-1/4 x 3/32 inch

2шт.

49

495-11066

WASHER,5/8", SAE

- flat, 21/32 x 1-5/16 x 3/32 inch

4шт.

50

492-11062

BEARING WASHER,5/8"

WASHER, LOCK, 5/8"

1шт.

53

425-1010

NUT,5/8"-11, G5

1шт.

54

181372C1

SHIELD

- slow speed fan drive

1шт.

55

477-73116

SERRATED SCREW,Truss HD, 5/16" - 18 x 1"

BOLT - serrated slotted truss head, 5/16 NC x 1 inch

2шт.

56

231-5145

SERRATED NUT,Flg, USR, 5/16"-18

NUT - hex serrated flange, 5/16 inch NC

2шт.

57

PO22778

SPACER,1/4" Pipe x 2"

- pipe, 1/4 x 2 inch

2шт.

58

413-548

BOLT,Hex, 5/16" - 18 x 3", Gr 5

- hex, 5/16 NC x 3 inch

2шт.

59

425-105

NUT,5/16"-18, G5

- hex, 5/16 inch NC

2шт.

60

495-11034

WASHER,5/16", SAE

5/16" SAE (flat, 11/32 x 11/16 x 1/16")

6шт.

64

612233R1

SPACER,5/8" Tube x 1 1/8"

- 13/32 x 5/8 x 1-3/16 inch

1шт.

65

413-636

BOLT,Hex, 3/8" - 16 x 2-1/4", Gr 5

- hex, 3/8 NC x 2-1/4 inch

1шт.

66

425-106

NUT,3/8"-16, Cl 5

1шт.

67

492-11038

LOCK WASHER,3/8"

1шт.

68

495-11041

WASHER,0.406" ID x 0.812" OD x 0.065" W

(Flat, 13/32 x 13/16 x 1/16") 3/8", SAE

2шт.

Выбрано товаров: 21