Запчасти Case IH 1660 (9D-18) - GRAIN ELEVATOR DRIVE (CONTD) (16) - GRAIN ELEVATORS & AUGERS

Схема запчастей Case IH 1660 - (9D-18) - GRAIN ELEVATOR DRIVE (CONTD) (16) - GRAIN ELEVATORS & AUGERS
57
51
56
43
55
54
53
46
54
52
49
45
55
55
48
50
47
54
FIT
1:1
100%

Артикул

Название

Примечание

Количество

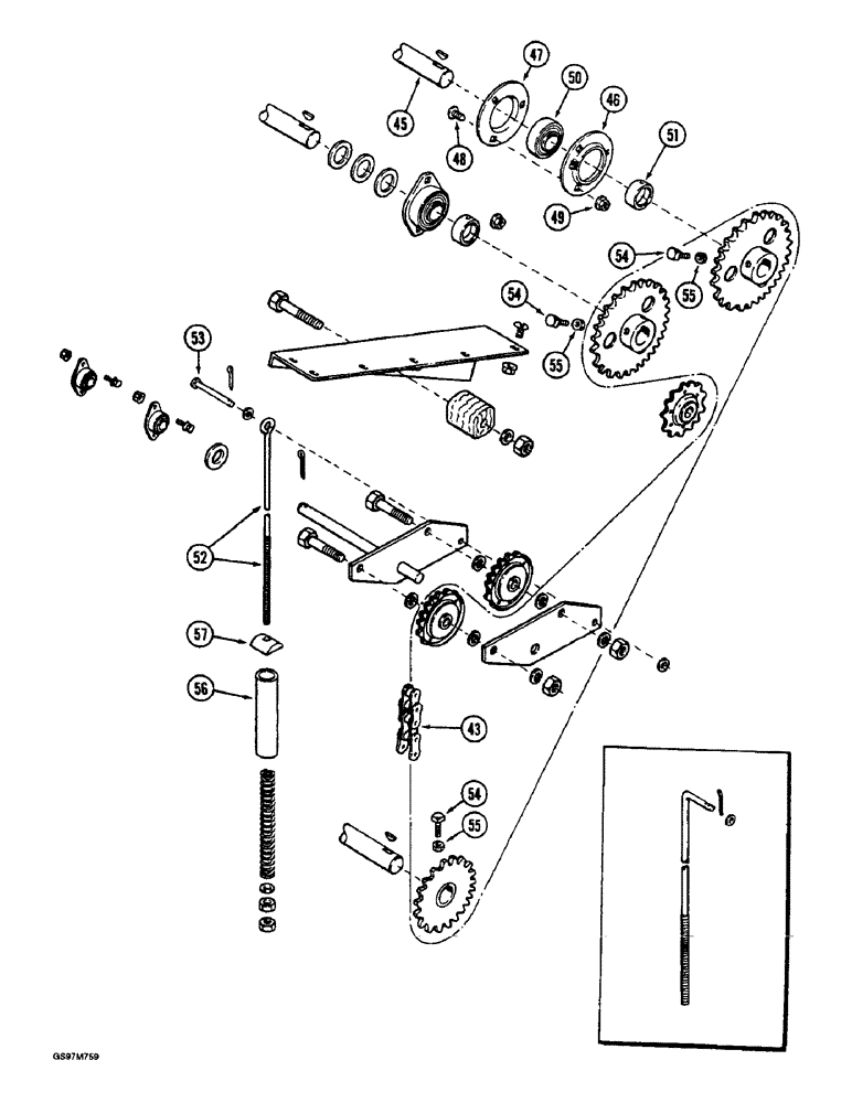
43

NSS

NOT SOLD SEPARAT

CHAIN ASSEMBLY - drive, horizontal delivery auger elevator

1шт.

Use 259 links of No. 50 chain, (1) connector link, 1310D and (2) offset links, 1315D.

1шт.

43

NSS

NOT SOLD SEPARAT

CHAIN ASSEMBLY - drive, inclined delivery auger elevator

1шт.

Use 241 links of No. 50 chain, (3) connector links, 1310D and (2) roller links, 1309D.

1шт.

45

REF

INSTRUCTION

AUGER - delivery, horizontal delivery auger elevator, See Figure 9D-4

1шт.

46

670375R11

FLANGE

- bearing, horizontal delivery auger elevator

1шт.

47

939461R1

FLANGE

- bearing, horizontal delivery auger elevator

1шт.

48

477-73812

SERRATED SCREW,Truss HD, 3/8" - 16 x 3/4"

BOLT - serrated slotted truss head, 3/8 NC x 3/4 inch, horizontal delivery auger elevator

3шт.

49

231-5146

FLANGE NUT,3/8"-16

Horizontal delivery auger elevator Flg, USR, 3/8"-16

3шт.

50

156011C92

BALL BEARING

BEARING - ball, horizontal delivery auger elevator

1шт.

51

557995R11

COLLAR

- bearing, with set screw, horizontal delivery auger elevator

1шт.

52

1345005C1

BOLT,3/8" - 16 x 815mm

ROD - chain tightener, P.I.N. JJC0040293 and after

1шт.

53

427-6240

CLEVIS PIN,9.53mm OD x 61.11mm L

PIN - clevis, 3/8 x 2-13/32 inch, hardened

1шт.

54

385-13820

SET SCREW,3/8" - 16 x 1-1/4"

SCREW - set, square head, 3/8 NC x 1-1/4 inch, cup point

2шт.

55

425-146

JAM NUT,3/8" - 16, Gr 5

- hex, jam, 3/8 inch NC

2шт.

56

181119C1

SPACER

- drive rod

1шт.

57

194652C1

PIVOT

- rod

1шт.

Выбрано товаров: 17