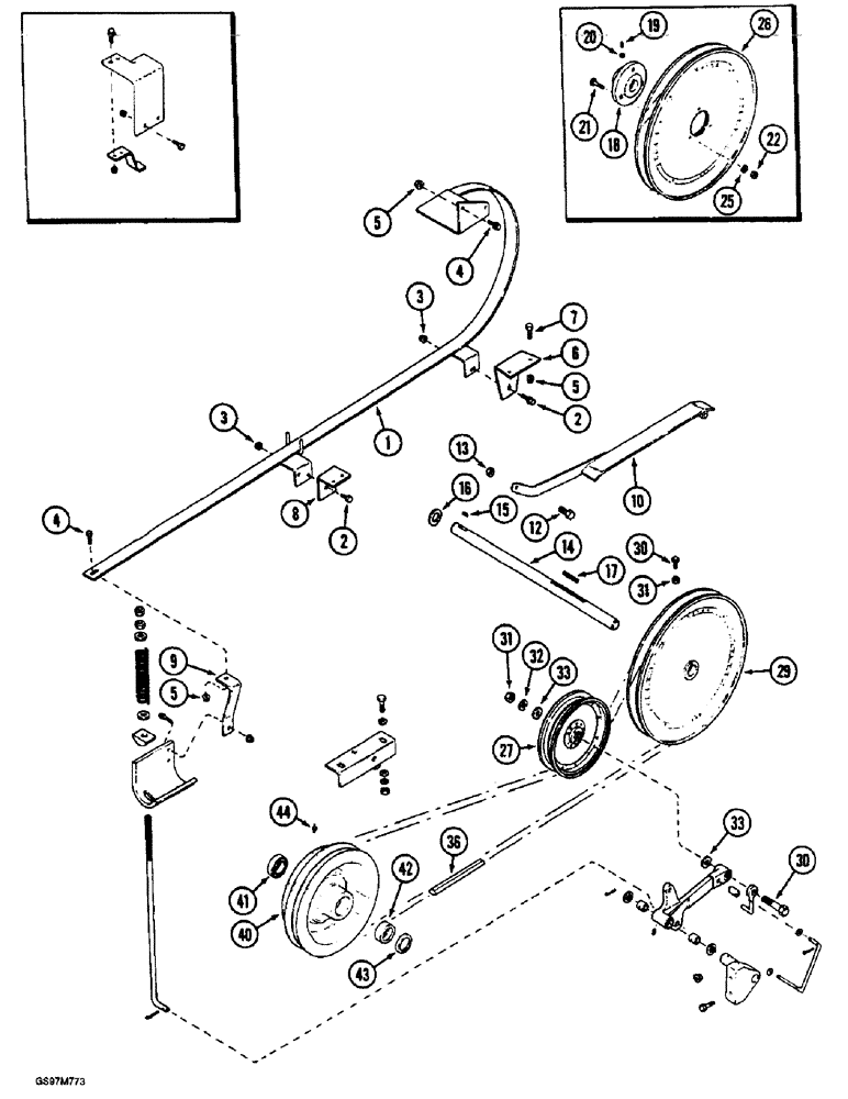
Запчасти Case IH 1660 (9E-14) - GRAIN TANK UNLOADER, BELT DRIVE, P.I.N. JJC0102897 & AFTER, AND MODELS WITH EXTENDED LENGTH CLEANING SYSTEM (17) - GRAIN TANK & UNLOADER

Схема запчастей Case IH 1660 - (9E-14) - GRAIN TANK UNLOADER, BELT DRIVE, P.I.N. JJC0102897 & AFTER, AND MODELS WITH EXTENDED LENGTH CLEANING SYSTEM (17) - GRAIN TANK & UNLOADER
20
29
22
33
1
4
27
21
16
36
6
33
8
42
3
4
5
5
3
40
44
41
25
18
15
30
12
43
7
2
30
13
2
10
19
26
31
31
32
5
9
17
14
FIT
1:1
100%

Артикул

Название

Примечание

Количество

1

195168C4

GUIDE

- belt, unloader

1шт.

2

409-7512

BOLT,Hex Flg, 5/16" - 18 x 3/4", Spcl

- hex serrated flange, 5/16 NC x 3/4 inch

2шт.

3

231-5145

SERRATED NUT,Flg, USR, 5/16"-18

NUT - hex serrated flange, 5/16 inch NC

2шт.

4

154273C1

BOLT,Hex Serr, 3/8" - 16 x 1", Spcl

- hex, self-locking, special, 3/8 NC x 1 inch

6шт.

5

231-5146

FLANGE NUT,3/8"-16

4шт.

6

192870C2

SUPPORT

ANGLE - support, front

1шт.

7

409-7620

BOLT,Hex Flg, 3/8" - 16 x 1 1/4", Spcl

- hex serrated flange, 3/8 NC x 1-1/4 inch

2шт.

8

1347453C1

SUPPORT

ANGLE - center support, belt guide

1шт.

9

1347454C1

SUPPORT

ANGLE - lower rear support, belt guide

1шт.

10

1989207C3

SUPPORT ASSY.

GUIDE - belt, upper

1шт.

12

413-820

BOLT,Hex, 1/2" - 13 x 1-1/4", Gr 5

- hex, 1/2 NC x 1-1/4 inch

1шт.

13

231-1448

NUT,1/2"-13, GB

- hex, self-locking, 1/2 inch NC

1шт.

14

1347494C1

SHAFT

- unloader jackshaft pulley

1шт.

15

126-147

WOODRUFF KEY,#28, 5/16" x 2 1/8", HT

1шт.

16

495-81191

WASHER,1 5/32" x 2" x .060"

- flat, 1-5/32 x 2 x 3/64 inch

1шт.

17

586879R1

KEY

- square parallel, 5/16 x 2 inch

1шт.

18

192882C1

HUB

- pulley, driven, bolted, no longer used

1шт.

Items 18 through 26 replaced by pulley 1994762C1, item 29

1шт.

18

1347361C1

HUB

- pulley, driven, welded, no longer used

1шт.

Items 18 through 26 replaced by pulley 1994762C1, item 29

1шт.

19

485-13116

SET SCREW,Sq Hd, 5/16"-18 x 1", Cup pt

SCREW - set, square head, 5/16 NC x 1 inch, cup point, no longer used

1шт.

Items 18 through 26 replaced by pulley 1994762C1, item 29

1шт.

20

425-145

JAM NUT,Jam, 5/16"-18, G5

No longer used Jam, 5/16"-18, G5

1шт.

Items 18 through 26 replaced by pulley 1994762C1, item 29

1шт.

21

434-620

CARRIAGE BOLT,Sht Sq Nk, 3/8" - 16 x 1 1/4", Gr 5

BOLT, CARRIAGE, , No longer used Short NK, 3/8"-16 x 1 1/4", G5, Full Thd

3шт.

Items 18 through 26 replaced by pulley 1994762C1, item 29

1шт.

22

425-106

NUT,3/8"-16, Cl 5

No longer used 3/8"-16, G5

3шт.

Items 18 through 26 replaced by pulley 1994762C1, item 29

1шт.

25

492-11038

LOCK WASHER,3/8"

no longer used 3/8"

3шт.

Items 18 through 26 replaced by pulley 1994762C1, item 29

1шт.

26

192967C1

PULLEY ASSY.

PULLEY - driven, no longer used

1шт.

Items 18 through 26 replaced by pulley 1994762C1, item 29

1шт.

27

663887R91

PULLEY,203.2mm Idler Dia x 214.63mm OD x 48.42mm W

- drive, 203 mm (8 inch) OD, belt

1шт.

29

1994762C2

PULLEY

- unloader jackshaft driven

1шт.

30

413-1060

BOLT,Hex, 5/8" - 11 x 3-3/4", Gr 5

- hex, 5/8 NC x 3-3/4 inch

2шт.

31

425-1010

NUT,5/8"-11, G5

2шт.

32

492-11062

BEARING WASHER,5/8"

WASHER, LOCK, 5/8"

1шт.

33

496-21066

WASHER,16.6mm ID x 33.5mm OD x 3.8mm Thk

- flat, 21/32 x 1-5/16 x 5/32 inch, hardened

2шт.

36

1989216C1

V-BELT,22.33 mm W x 3475.89 mm L

Drive, Unloader 22.33 mm W x 3475.89 mm L

1шт.

40

1347378C1

HUB

PULLEY ASSEMBLY - auxiliary pump drive, Includes: Ref. 41 - 43

1шт.

41

658089R91

BALL BEARING,30mm ID x 62mm OD x 16mm W

BEARING - ball

1шт.

42

A144861

NEEDLE BEARING

BEARING - needle

1шт.

43

466176R92

SEAL

- pulley

1шт.

44

219-87

LUBE NIPPLE,1/4" - 28 NPTF

NIPPLE, LUBE, 1/4"-28 x .56" lg, Self-Tap

1шт.

Выбрано товаров: 44