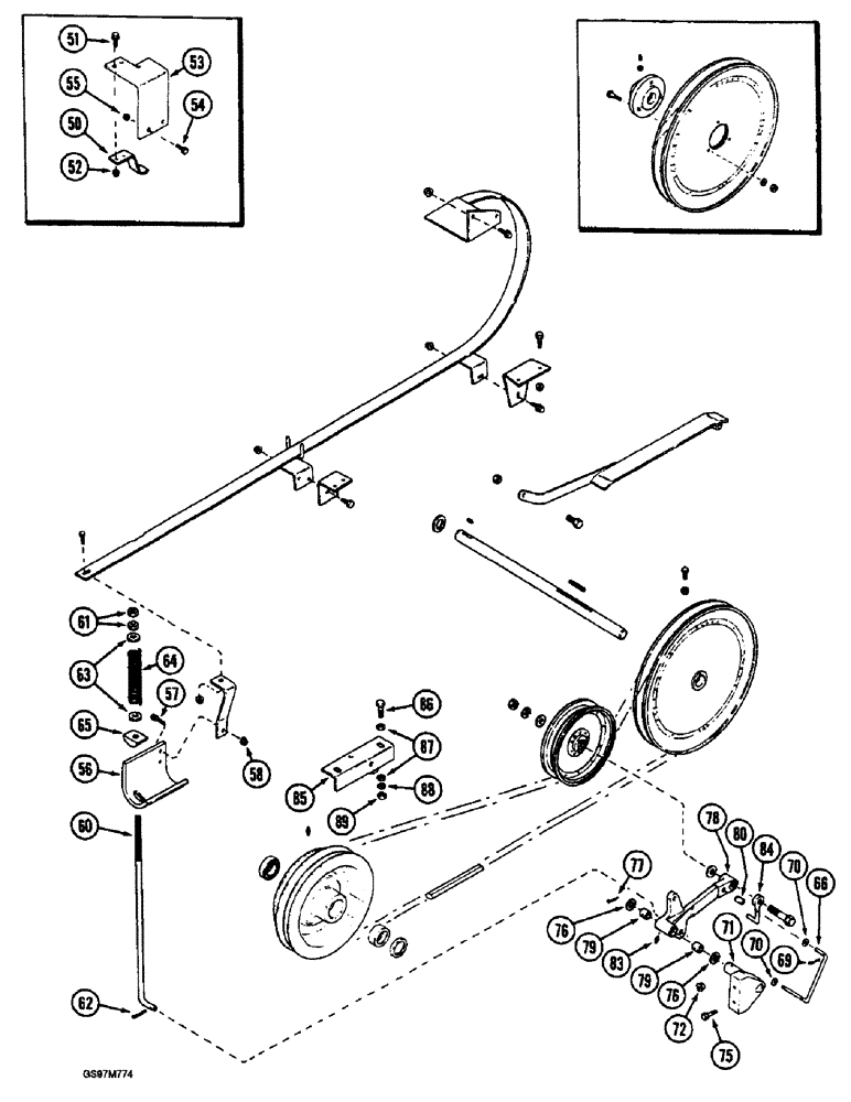
Запчасти Case IH 1660 (9E-16) - GRAIN TANK UNLOADER, BELT DRIVE, MDLS W EXTENDED LENGTH CLEANING SYS (CONTD) (17) - GRAIN TANK & UNLOADER

Схема запчастей Case IH 1660 - (9E-16) - GRAIN TANK UNLOADER, BELT DRIVE, MDLS W EXTENDED LENGTH CLEANING SYS (CONTD) (17) - GRAIN TANK & UNLOADER
60
80
62
71
54
66
86
61
75
56
79
76
79
70
50
57
70
78
63
76
83
65
69
85
89
64
72
88
58
52
77
51
84
55
87
53
FIT
1:1
100%

Артикул

Название

Примечание

Количество

50

193627C1

SUPPORT

- trap, belt

1шт.

P.I.N. JJC0102897 through JJC0103799.

1шт.

51

154273C1

BOLT,Hex Serr, 3/8" - 16 x 1", Spcl

- hex, self-locking, special, 3/8 NC x 1 inch

2шт.

P.I.N. JJC0102897 through JJC0103799.

1шт.

52

231-5146

FLANGE NUT,3/8"-16

2шт.

P.I.N. JJC0102897 through JJC0103799.

1шт.

53

1989208C1

CHANNEL

- inner

1шт.

P.I.N. JJC0102897 through JJC0103799.

1шт.

54

413-824

BOLT,Hex, 1/2" - 13 x 1-1/2", Gr 5

2шт.

P.I.N. JJC0102897 through JJC0103799.

1шт.

55

231-5148

FLANGE NUT,Flg, USR, 1/2"-13

2шт.

P.I.N. JJC0102897 through JJC0103799.

1шт.

56

185062C1

SUPPORT

- spring

1шт.

57

409-7516

BOLT,Hex Flg, 5/16" - 18 x 1", Spcl

2шт.

58

231-5145

SERRATED NUT,Flg, USR, 5/16"-18

NUT - hex serrated flange, 5/16 inch NC

2шт.

60

185061C1

ROD

- tightener

1шт.

61

425-108

NUT,1/2" - 13, Gr 5

NUT, , Hex 1/2"-13, G5

2шт.

62

432-1216

COTTER PIN,3/16" x 1"

1шт.

63

495-81287

WASHER,13.49mm ID x 31.75mm OD x 3.4mm Thk

- flat, 17/32 x 1-1/4 x 7/64 inch

2шт.

64

391745R1

SPRING

- tightener

1шт.

65

194652C1

PIVOT

- rod

1шт.

66

193820C1

ROD

- retainer

1шт.

69

432-816

COTTER PIN,1/8" x 1"

1/8" x 1"

4шт.

70

495-81129

WASHER,13/32" x 3/4" x .120"

- flat, 13/32 x 3/4 x 7/64 inch

4шт.

71

191464C3

SUPPORT

- tightener arm

1шт.

72

231-5145

SERRATED NUT,Flg, USR, 5/16"-18

NUT - hex serrated flange, 5/16 inch NC

2шт.

75

409-7520

BOLT,Hex Flg, 5/16" - 18 x 1 1/4", Spcl

- hex serrated flange, 5/16 NC x 1-1/4 inch

2шт.

76

495-81039

WASHER,25/32" x 1 1/4" x .120"

- flat, 25/32 x 1-1/4 x 7/64 inch

3шт.

77

432-1620

COTTER PIN,1/4" x 1 1/4"

Pin, Split (Cotter), 1/4" x 1 1/4"

1шт.

78

185059C93

LEVER ASSY.

ARM ASSEMBLY - belt tightener, Includes: Ref. 79 - 83

1шт.

79

382638R2

BUSHING,19.07mm ID x 22.24mm OD x 19.05mm L

- arm, 3/4 ID x 7/8 OD x 3/4 inch wide

2шт.

80

1302225C1

BUSHING

- arm, 3/8 ID x 1/2 OD x 3/4 inch wide

1шт.

83

219-87

LUBE NIPPLE,1/4" - 28 NPTF

NIPPLE, LUBE, 1/4"-28 x .56" lg, Self-Tap

1шт.

84

194894C1

ROD

- belt, upper

1шт.

85

1541743C1

SUPPORT ASSY.

SUPPORT - belt guide, upper

1шт.

P.I.N. JJC0103800 and after and models with extended length cleaning system.

1шт.

86

413-628

BOLT,Hex, 3/8" - 16 x 1-3/4", Gr 5

- hex, 3/8 NC x 1-3/4 inch

2шт.

P.I.N. JJC0103800 and after and models with extended length cleaning system.

1шт.

87

495-81135

WASHER,10.31mm ID x 25.4mm OD x 3.4mm Thk

- flat, 13/32 x 1 x 7/64"

4шт.

P.I.N. JJC0103800 and after and models with extended length cleaning system.

1шт.

88

492-11038

LOCK WASHER,3/8"

2шт.

P.I.N. JJC0103800 and after and models with extended length cleaning system.

1шт.

89

425-106

NUT,3/8"-16, Cl 5

2шт.

P.I.N. JJC0103800 and after and models with extended length cleaning system.

1шт.

Выбрано товаров: 44