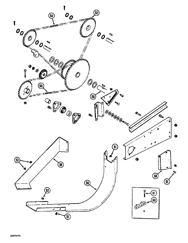
Запчасти Case IH 1660 (9E-20) - GRAIN TANK UNLOADER, CHAIN DRIVE, PRIOR TO P.I.N. JJC0102897 (CONTD) (17) - GRAIN TANK & UNLOADER

Схема запчастей Case IH 1660 - (9E-20) - GRAIN TANK UNLOADER, CHAIN DRIVE, PRIOR TO P.I.N. JJC0102897 (CONTD) (17) - GRAIN TANK & UNLOADER
58
50
60
59
52
51
52
61
51
52
51
55
54
56
FIT
1:1
100%

Артикул

Название

Примечание

Количество

50

1302435C2

SUPPORT

- shield

1шт.

51

477-73108

SERRATED SCREW,Sl Truss Hd, 5/16" - 18 x 1/2"

BOLT - serrated slotted truss head, 5/16 NC x 1/2 inch

8шт.

52

192925C1

SPROCKET

- driven, 37 tooth

1шт.

54

REF

INSTRUCTION

CHAIN - drive

1шт.

Prior to P.I.N. JJC0102897, use 157 links of No. 40 chain and (1) connecting link 1301D

1шт.

P.I.N. JJC0040895 through JJC0102897, use 161 links of No. 40 chain and (1) connecting link 1301D

1шт.

55

REF

INSTRUCTION

CHAIN - drive

1шт.

Use 133 links of No 50 chain and (1) connecting link 1310D

1шт.

56

REF

INSTRUCTION

SHAFT - driven, gear box, See Figure 9E-28

1шт.

58

1302434C2

GUARD

SHIELD - drive, unloader

1шт.

59

183351C1

PLATE

- side, drive shield

1шт.

60

3102155R1

HOLDER

- shear bolt

1шт.

61

326-544

BOLT,Hex, 5/16" - 18 x 2-3/4", Gr 8

3шт.

Выбрано товаров: 13