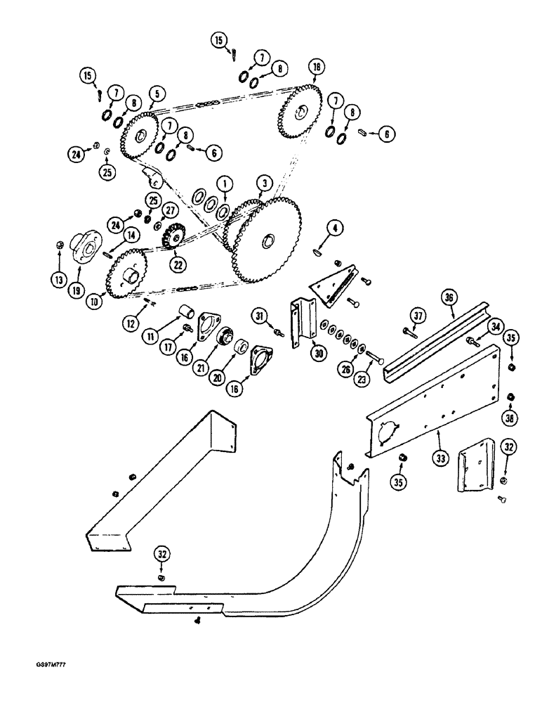
Запчасти Case IH 1660 (9E-22) - GRAIN TANK UNLOADER, CHAIN DRIVE, P.I.N. JJC00102897 AND AFTER (17) - GRAIN TANK & UNLOADER

Схема запчастей Case IH 1660 - (9E-22) - GRAIN TANK UNLOADER, CHAIN DRIVE, P.I.N. JJC00102897 AND AFTER (17) - GRAIN TANK & UNLOADER
24
35
37
12
8
23
1
14
31
30
8
32
35
16
16
5
22
25
19
7
6
15
24
4
10
25
18
36
11
17
6
7
8
7
3
27
21
7
33
32
8
20
13
26
38
34
15
FIT
1:1
100%

Артикул

Название

Примечание

Количество

1

1327731C1

THRUST WASHER

WASHER - flat, special, 1-13/32 x 2-1/4 x 1/8 inch

3шт.

3

1347402C1

SPROCKET

- driven, 33 and 57 tooth

1шт.

4

126-133

WOODRUFF KEY,#D, 5/16" x 1 1/4", HT

1шт.

5

187331C1

SPROCKET ASSY.

SPROCKET - driven, front, 49 tooth

1шт.

6

Q53

KEY,1/4" Sq x 1", Par

2шт.

7

495-81070

WASHER,1 1/32" x 1 1/2" x .120"

- flat, 1-1/32 x 1-1/2 x 7/64 inch

8шт.

8

495-81069

WASHER,1-1/32" ID x 1-1/2" OD x 3/50" Thk

- flat, 1-1/32 x 1-1/2 x 1/16 inch

4шт.

10

1347360C1

SPROCKET

ASSEMBLY - drive, Includes: Ref. 11

1шт.

11

1347384C1

BEARING,31.77mm ID x 19.05mm L

BUSHING - sprocket

1шт.

12

413-516

BOLT,Hex, 5/16" - 18 x 1", Gr 5

- hex, 5/16 NC x 1 inch

2шт.

13

232-4115

LOCK NUT,5/16"-18, GC

NUT, LOCK, 5/16"-18, GC

2шт.

14

126-147

WOODRUFF KEY,#28, 5/16" x 2 1/8", HT

1шт.

15

432-1624

COTTER PIN,1/4" x 1 1/2"

Pin, Split (Cotter), 1/4" x 1-1/2"

2шт.

16

180955C1

FLANGED BEARING,0.375"

FLANGE - bearing

4шт.

17

409-7612

BOLT,3/8"-16 x 1.09" OAL

- hex serrated flange, 3/8 NC x 3/4 inch

6шт.

18

192922C1

SPROCKET

- driven, 43 tooth, rear

1шт.

19

1347399C1

HUB

- unloader drive

1шт.

20

565672R92

SPHERICAL BEARING,1.2505" ID x 72 mm OD x 1"

BEARING - ball

2шт.

21

455104R11

COLLAR

- locking, bearing

2шт.

22

565442R91

SPROCKET

- tightener, 17 tooth

1шт.

23

434-832

CARRIAGE BOLT,Sht Sq Nk, 1/2" - 13 x 2", Gr 5

BOLT - carriage, 1/2 NC x 2 inch

1шт.

24

425-108

NUT,1/2" - 13, Gr 5

NUT, , Hex 1/2"-13, G5

2шт.

25

80679

LOCK WASHER,1/20.507 CST ZND

WASHER, LOCK, 1/2"

2шт.

26

498-81005

SQ HOLE WASHER,13.49mm ID x 25.4mm OD x 1.52mm Thk

- square hole, 17/32 x 1 x 1/16 inch

1шт.

27

496-21053

WASHER,17/32" x 1 1/16" x .134"

- flat, 17/32 x 1-1/16 x 1/8 inch, hardened

1шт.

30

192901C1

SUPPORT

BRACKET - support, sprocket

1шт.

31

409-7512

BOLT,Hex Flg, 5/16" - 18 x 3/4", Spcl

- hex serrated flange, 5/16 NC x 3/4 inch

12шт.

32

231-5145

SERRATED NUT,Flg, USR, 5/16"-18

NUT - hex serrated flange, 5/16 inch NC

4шт.

33

1347379C1

SUPPORT

- jackshaft, outer

1шт.

34

409-7612

BOLT,3/8"-16 x 1.09" OAL

- hex serrated flange, 3/8 NC x 3/4 inch

3шт.

35

231-5146

FLANGE NUT,3/8"-16

3шт.

36

1319469C1

CHANNEL

- support

1шт.

37

413-628

BOLT,Hex, 3/8" - 16 x 1-3/4", Gr 5

- hex, 3/8 NC x 1-3/4 inch

4шт.

38

231-5146

FLANGE NUT,3/8"-16

4шт.

Выбрано товаров: 34