Запчасти Case IH 1660 (9E-24) - GRAIN TANK UNLOADER, CHAIN DRIVE, P.I.N. JJC0102897 AND AFTER (CONTD) (17) - GRAIN TANK & UNLOADER

Схема запчастей Case IH 1660 - (9E-24) - GRAIN TANK UNLOADER, CHAIN DRIVE, P.I.N. JJC0102897 AND AFTER (CONTD) (17) - GRAIN TANK & UNLOADER
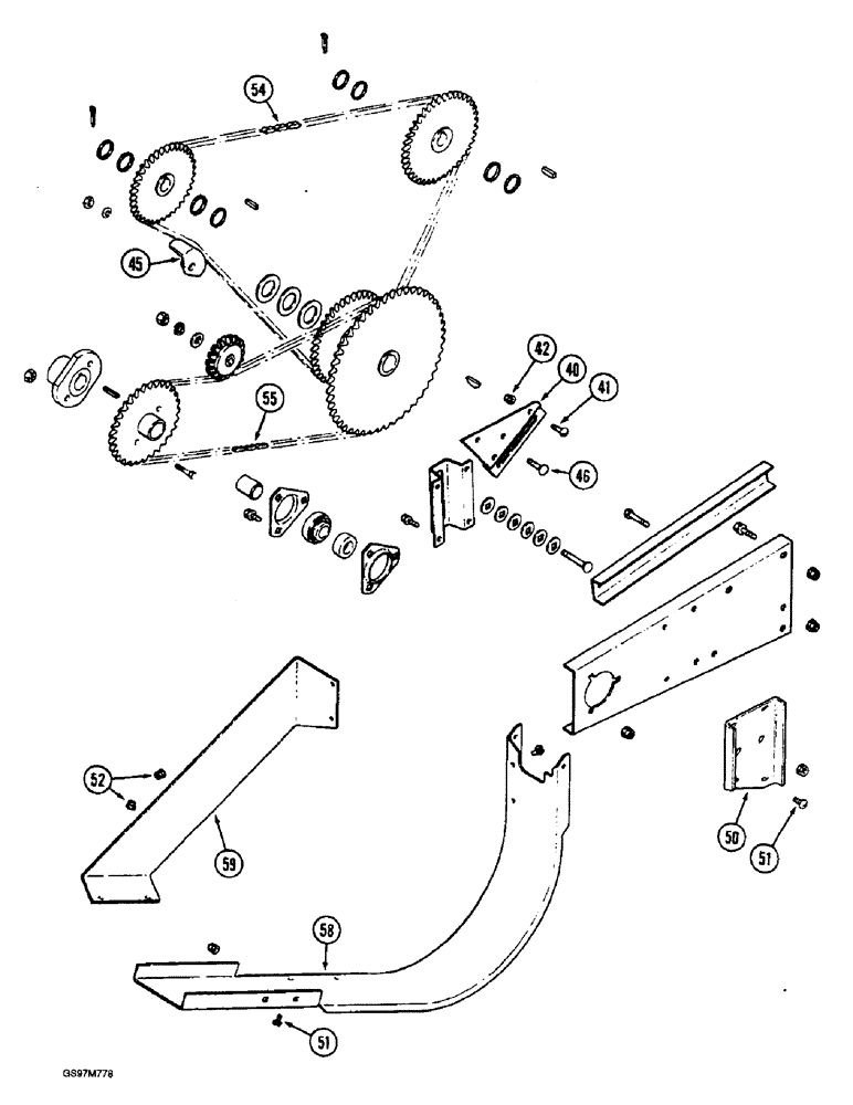
40
45
54
41
50
55
59
51
46
58
42
51
52
FIT
1:1
100%

Артикул

Название

Примечание

Количество

40

193779C1

SUPPORT

PLATE - support

1шт.

41

477-73116

SERRATED SCREW,Truss HD, 5/16" - 18 x 1"

BOLT - serrated slotted truss head, 5/16 NC x 1 inch

3шт.

42

231-5145

SERRATED NUT,Flg, USR, 5/16"-18

NUT - hex serrated flange, 5/16 inch NC

3шт.

45

936878R1

BLOCK

- tightener

1шт.

46

434-820

CARRIAGE BOLT,Sht Sq Nk, 1/2" - 13 x 1 1/4", Gr 5

BOLT - carriage, 1/2 NC x 1-1/4 inch

1шт.

50

1302435C2

SUPPORT

- shield

1шт.

51

477-73108

SERRATED SCREW,Sl Truss Hd, 5/16" - 18 x 1/2"

BOLT - serrated slotted truss head, 5/16 NC x 1/2 inch

8шт.

52

231-5145

SERRATED NUT,Flg, USR, 5/16"-18

NUT - hex serrated flange, 5/16 inch NC

2шт.

54

REF

INSTRUCTION

CHAIN ASSEMBLY, drive, lower auger

1шт.

Use 153 links of No. 40 chain and (1) connecting link, 1301D.

1шт.

55

REF

INSTRUCTION

CHAIN ASSEMBLY, drive, unloader

1шт.

Use 127 links of No. 50 chain and (2) connecting links, 1310D (1) offset link, 1315D and (1) roller link, 1309D.

1шт.

58

1302434C2

GUARD

SHIELD - drive, unloader

1шт.

59

183351C1

PLATE

- side, drive shield

1шт.

Выбрано товаров: 14