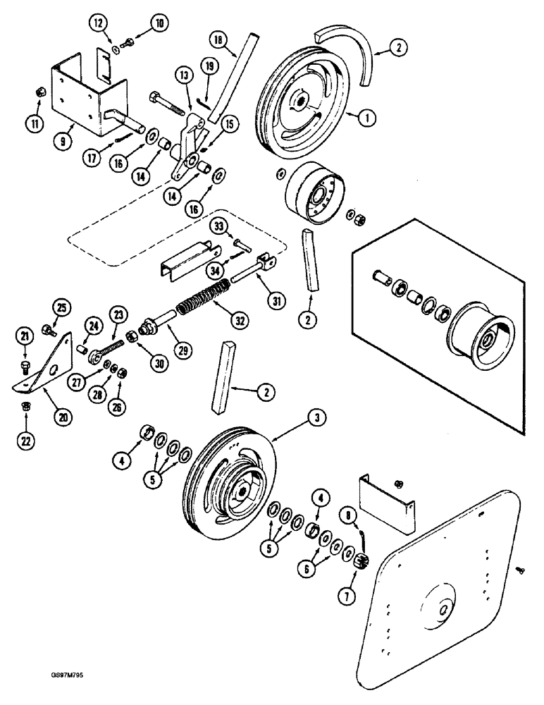
Запчасти Case IH 1660 (9F-10) - STRAW CHOPPER, DRIVE (19) - STRAW SPREADER & CHOPPER

Схема запчастей Case IH 1660 - (9F-10) - STRAW CHOPPER, DRIVE (19) - STRAW SPREADER & CHOPPER
11
22
14
4
2
23
27
3
29
6
4
18
12
24
7
2
9
5
28
31
19
10
16
2
15
16
14
25
34
13
33
8
17
32
30
20
26
1
5
21
FIT
1:1
100%

Артикул

Название

Примечание

Количество

1

1315264C1

PULLEY

- chopper drive, 178 and 356 mm (7 and 14 inch) OD

1шт.

2

1315265C1

V-BELT,16.00 mm W x 2504.82 mm L

Chopper Drive 16.00 mm W x 2504.82 mm L

1шт.

3

1315264C1

PULLEY

- chopper drive, 178 and 356 mm (7 and 14 inch) OD

1шт.

4

181156C2

SPACER

- driven pulley inner

2шт.

5

495-81211

WASHER,34.14mm ID x 50.8mm OD x 3.4mm Thk

- flat, 1-11/32 x 2 x 7/64 inch

6шт.

6

495-81063

WASHER,0.91" ID x 2" OD x 0.18" Thk

- flat, 29/32 x 2 x 5/32 inch

2шт.

7

425-1314

SLOTTED NUT,7/8"-14, G5

NUT - hex, slotted, 7/8 inch NF

1шт.

8

432-828

COTTER PIN,1/8" x 1 3/4"

PIN, SPLIT (COTTER), 1/8" x 1 3/4"

1шт.

9

1315251C1

SUPPORT

- idler arm pivot

1шт.

10

413-616

BOLT,Hex, 3/8" - 16 x 1", Gr 5

- hex, 3/8 NC x 1 inch

4шт.

11

231-5146

FLANGE NUT,3/8"-16

4шт.

12

495-81135

WASHER,10.31mm ID x 25.4mm OD x 3.4mm Thk

- flat, 13/32 x 1 x 7/64"

4шт.

13

1315249C91

LEVER

ASSEMBLY - idler arm, Includes: Ref. 14

1шт.

14

559154R1

BUSHING,25.45mm ID x 28.6mm OD x 25.4mm L

- lever

2шт.

15

219-87

LUBE NIPPLE,1/4" - 28 NPTF

NIPPLE, LUBE, 1/4"-28 x .56" lg, Self-Tap

1шт.

16

495-11106

WASHER,1", SAE

- flat, 1-1/16 x 2 x 1/8 inch

2шт.

17

432-1624

COTTER PIN,1/4" x 1 1/2"

Pin, Split (Cotter), 1/4" x 1-1/2"

1шт.

18

1315248C1

TUBE,20.19 mm ID, 26.98 mm OD

LEVER - idler arm

1шт.

19

432-1224

COTTER PIN,3/16" x 1-1/2"

3/16" x 1 1/2"

1шт.

20

1315357C1

SUPPORT

- tension rod pivot

1шт.

21

413-816

BOLT,Hex, 1/2" - 13 x 1", Gr 5

2шт.

22

231-5148

FLANGE NUT,Flg, USR, 1/2"-13

2шт.

23

1315259C1

BOLT,3/4" - 10 x 113mm

- tension rod eye, special

1шт.

24

617794R1

SPACER,13.5mm ID x 19.05mm OD x 27mm L

- 3/4 x 1-1/16 inch

1шт.

25

326-832

BOLT,Hex, 1/2" - 13 x 2", Gr 8

1шт.

26

329-108

NUT,1/2"-13, G8

1шт.

27

496-21053

WASHER,17/32" x 1 1/16" x .134"

- flat, 17/32 x 1-1/16 x 1/8 inch, hardened

1шт.

28

392-21050

LOCK WASHER,1/2"

1/2"

1шт.

29

1315260C1

BOLT

CONNECTOR - tension rod

1шт.

30

425-1012

NUT,3/4"-10, G5

- hex, 3/4 inch NC

1шт.

31

1315256C1

ROD

- tension

1шт.

32

1315247C1

SPRING

- idler tension

1шт.

33

14145H

CLEVIS PIN,1/2" x 2.094"

PIN, CLEVIS, 1/2" x 2.094"

1шт.

34

432-816

COTTER PIN,1/8" x 1"

1/8" x 1"

1шт.

Выбрано товаров: 34