Запчасти Case IH 1660 (9F-12) - STRAW CHOPPER, DRIVE (CONTD) (19) - STRAW SPREADER & CHOPPER

Схема запчастей Case IH 1660 - (9F-12) - STRAW CHOPPER, DRIVE (CONTD) (19) - STRAW SPREADER & CHOPPER
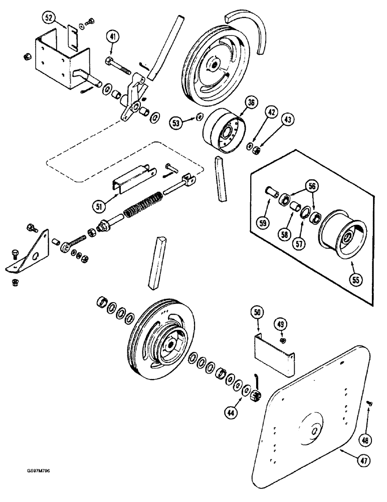
52
43
41
36
57
47
53
48
56
55
50
44
58
42
59
51
49
FIT
1:1
100%

Артикул

Название

Примечание

Количество

36

1345048C1

PULLEY

- idler

1шт.

Pulley 1345048C1, item 36, replaces items 55 through 59.

1шт.

41

413-1072

BOLT,Hex, 5/8" - 11 x 4-1/2", Gr 5

1шт.

42

396-21066

WASHER,16.66mm ID x 33.33mm OD x 4.27mm Thk

1шт.

43

232-41110

NUT,5/8"-11, GC

NUT, LOCK, 5/8"-11, GC

1шт.

44

495-81062

WASHER,0.91" ID x 2" OD x 0.12" Thk

- flat, 29/32 x 2 x 7/64 inch

1шт.

47

194759C6

GUARD

SHIELD - fan drive

2шт.

48

477-73108

SERRATED SCREW,Sl Truss Hd, 5/16" - 18 x 1/2"

BOLT - serrated slotted truss head, 5/16 NC x 1/2 inch

8шт.

49

231-5145

SERRATED NUT,Flg, USR, 5/16"-18

NUT - hex serrated flange, 5/16 inch NC

8шт.

50

181142C1

SUPPORT

- chopper drive shield

2шт.

51

1315364C1

CHANNEL

- tension rod lock

1шт.

52

1302709C1

SHIM,50.8mm OD x 0.66mm Thk

- idler pivot support

1шт.

53

396-11066

WASHER,0.66" ID x 1.31" OD x 0.1" Thk

- flat, 21/32 x 1-5/16 x 3/32 inch, hardened

1шт.

55

1406932R1

PULLEY

- idler, prior to P.I.N. JJC0203050

1шт.

Pulley 1345048C1, item 36, replaces items 55 through 59.

1шт.

56

295109R91

BALL BEARING

- ball, prior to P.I.N. JJC0203050

2шт.

Pulley 1345048C1, item 36, replaces items 55 through 59.

1шт.

57

100-21206

SNAP RING,2.062", Int, #206

Ring, Snap, , Prior to P.I.N. JJC0203050 2.062", Int, #206

1шт.

Pulley 1345048C1, item 36, replaces items 55 through 59.

1шт.

58

654385R1

SPACER,26.21mm ID x 31.75mm OD x 19.05mm L

- tube, 1-1/32 x 1-1/4 x 5/64 inch, prior to P.I.N. JJC0203050

1шт.

Pulley 1345048C1, item 36, replaces items 55 through 59.

1шт.

59

1315278C2

BUSHING

- idler bearing, prior to P.I.N. JJC0203050

1шт.

Pulley 1345048C1, item 36, replaces items 55 through 59.

1шт.

Выбрано товаров: 23