Запчасти Case IH 1660 (7-16) - PARKING BRAKE (5.1) - BRAKES

Схема запчастей Case IH 1660 - (7-16) - PARKING BRAKE (5.1) - BRAKES
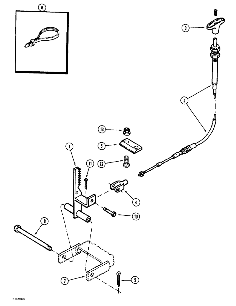
10
6
3
1
8
9
4
5
13
11
2
7
12
FIT
1:1
100%

Артикул

Название

Примечание

Количество

1

1277202C1

PLATE

SECTOR - parking brake

1шт.

2

166149C91

CABLE

ASSEMBLY - parking brake, 3175 mm (125 inch), Includes: Ref. 3

1шт.

3

170273C1

HANDLE

- control

1шт.

4

213-113

ADJUSTABLE CLEVIS,#10-32

CLEVIS - adjustable, No. 10 NF

1шт.

5

177802C1

BAR

- parking brake ratchet

1шт.

6

702093C1

CABLE TIE

STRAP - tie, parking brake cable

5шт.

7

REF

INSTRUCTION

SUPPORT - brake actuator, See Figure 7-06 or 7-10

1шт.

8

631252R1

HEADED PIN,9.53mm OD x 104.78mm L

PIN - headed, 3/8 x 4-1/8 inch

1шт.

9

432-812

COTTER PIN,3/4" OAL x 1/8" W

PIN, SPLIT (COTTER), 1/8" x 3/4"

1шт.

10

427-3103

CLEVIS PIN,4.78mm OD x 26.19mm L

PIN - clevis, 3/16 x 1-1/32 inch, hardened

1шт.

11

432-48

COTTER PIN,1/16" x 1/2"

PIN, SPLIT (COTTER), 1/16" x 1/2"

1шт.

12

477-73112

SERRATED SCREW,Sl Truss Hd, 5/16" - 18 x 3/4"

- serrated slotted truss head, 5/16 NC x 3/4"

2шт.

13

231-5145

SERRATED NUT,Flg, USR, 5/16"-18

NUT - hex serrated flange, 5/16 inch NC

2шт.

Выбрано товаров: 13