Запчасти Case IH 1660 (2-54) - OIL FILTER AND COOLER, 6T-830 ENGINE, PRIOR TO ENGINE S.N. 44489287 (01) - ENGINE

Схема запчастей Case IH 1660 - (2-54) - OIL FILTER AND COOLER, 6T-830 ENGINE, PRIOR TO ENGINE S.N. 44489287 (01) - ENGINE
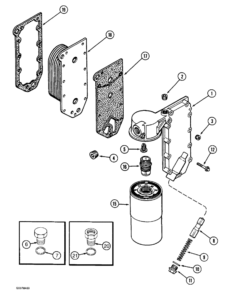
15
1
16
4
5
11
17
7
18
21
6
9
20
2
3
8
10
19
12
FIT
1:1
100%

Артикул

Название

Примечание

Количество

1

J918290

HEAD

- filter and cooler, also order adapter J919687, item 6 and plug assembly J919686 (Replaces head J907831)

1шт.

2

A77428

PLUG

- hex socket, 1/4 inch PT

1шт.

3

J906619

PLUG,1/8" - 27

- hex, 1/8 inch PT

1шт.

4

A77505

PLUG

- hex socket, 3/4 inch PT

1шт.

5

J902338

VALVE, PRESSURE RELI

VALVE - relief, pressure

1шт.

6

J919687

HYD CONNECTOR

ADAPTER - female, supply hose, Includes: Ref. 7

1шт.

7

238-5013

O-RING,0.07" Thk x 0.426" ID, -13, Cl 5, 75 Duro

-013, 70 Duro, .426" ID x .070" Thk

1шт.

8

A77540

PLUNGER

- regulator, no longer available, order plunger J918532, item 8 on Figure 2-56

1шт.

9

A77541

SPRING

- compression

1шт.

10

J901798

SEALING WASHER

WASHER - sealing

1шт.

11

J906299

PLUG

- regulator

1шт.

12

845-8045

BOLT,Hvy Hex, M8 x 45mm, Cl 8.8

- heavy hex flange, 8 - 1.25 x 45 mm, 8.8

11шт.

15

A77537

ENGINE OIL FILTER

FILTER - oil

1шт.

16

A77542

ADAPTER

- filter

1шт.

17

J914308

GASKET

- filter head

1шт.

18

J918175

CORE, RADIATOR

CORE - oil cooler (Replaces core J906296)

1шт.

19

J918174

GASKET,0.71mm Thk

- cooler core (Replaces gasket J914307)

1шт.

J919686

PLUG

ASSEMBLY - special, with seal, if used, Includes: Ref. 20 & 21

1шт.

20

NSS

NOT SOLD SEPARAT

PLUG - special, order assembly

1шт.

21

238-5013

O-RING,0.07" Thk x 0.426" ID, -13, Cl 5, 75 Duro

-013, 70 Duro, .426" ID x .070" Thk

1шт.

Выбрано товаров: 20