Запчасти Case IH 1660 (2-56) - OIL FILTER AND COOLER, 6T-830 ENGINE, ENGINE S.N. 44489287 AND AFTER (01) - ENGINE

Схема запчастей Case IH 1660 - (2-56) - OIL FILTER AND COOLER, 6T-830 ENGINE, ENGINE S.N. 44489287 AND AFTER (01) - ENGINE
25
20
11
23
22
8
10
2
5
12
21
24
15
17
9
7
1
18
19
3
FIT
1:1
100%

Артикул

Название

Примечание

Количество

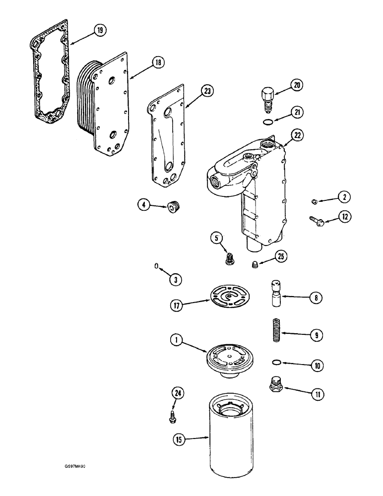
1

J918334

FILTER HEAD

HEAD, FILTER, Oil

1шт.

2

J906619

PLUG,1/8" - 27

- hex, 1/8 inch PT

2шт.

3

A77722

PIN,7.95mm OD x 12.83mm L

- dowel, locating

1шт.

4

A77505

PLUG

- hex socket, 3/4 inch PT

1шт.

5

J902338

VALVE, PRESSURE RELI

VALVE - relief, pressure

1шт.

8

J918532

PLUNGER

- regulator

1шт.

9

A77541

SPRING

- compression

1шт.

10

238-5022

O-RING,0.07" Thk x 0.99" ID, -22, Cl 5, 75 Duro

-022, 70 Duro, .989" ID x .070" Thk

1шт.

11

J919016

PLUG

- hex, special, 24 mm - 1.50

1шт.

12

845-8065

BOLT,Hvy Hex, M8 x 65mm, Cl 8.8

- heavy hex flange, 8 - 1.25 x 65 mm

11шт.

15

J919562

ENGINE OIL FILTER

FILTER - oil, cartridge

1шт.

17

J921605

GASKET

- filter head (Replaces gasket A77721)

1шт.

18

J918175

CORE, RADIATOR

CORE - oil cooler

1шт.

19

J918174

GASKET,0.71mm Thk

- cooler core

1шт.

20

J923477

THERMOSTAT

- temperature (Replaces thermostat J919015)

1шт.

21

A77724

O-RING,3.05mm Thk x 23.62mm ID

- sealing

1шт.

22

J931077

COVER

- oil cooler (Replaces cover J918403)

1шт.

23

J929011

GASKET,1.19mm Thk

- cooler cover, oil (Replaces gasket J918332)

1шт.

24

J907860

FLANGE BOLT,Hex, M8 x 25mm, Spcl

BOLT - hex flange, special, 8 - 1.25 x 25 mm

4шт.

25

217-439

PLUG,Hex Soc, 1/2" - 14 NPTF

- hex socket headless, 1/2 inch PT

1шт.

Выбрано товаров: 20