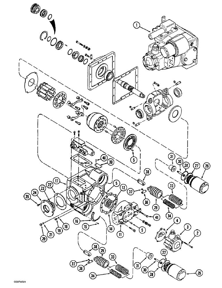
Запчасти Case IH 1660 (6-20) - HYDROSTATIC PUMP, CORN AND GRAIN COMBINE, PRIOR TO P.I.N. JJC0041567 (03) - POWER TRAIN

Схема запчастей Case IH 1660 - (6-20) - HYDROSTATIC PUMP, CORN AND GRAIN COMBINE, PRIOR TO P.I.N. JJC0041567 (03) - POWER TRAIN
4
34
36
23
1
27
3
5
28
41
26
29
33
18
17
31
30
25
34
38
14
40
2
36
37
16
26
24
31
33
5
22
38
5
15
29
37
30
39
27
20
19
28
12
11
21
FIT
1:1
100%

Артикул

Название

Примечание

Количество

1

1958078C1

PUMP, HYDROSTATIC

PUMP ASSEMBLY - hydrostatic, new, Includes: Ref. 2 - 41 and 43 - 81 on Figure 6-22

1шт.

1

1958079C1

REMAN-HYDROSTAT PUMP

Pump Assembly - hydrostatic, remanufactured

1шт.

1

1979636C1

CORE-HYDROSTAT PUMP

Return Number - use this part number to return pump assembly core for credit when using a remanufactured assembly

1шт.

2

413-556

BOLT,Hex, 5/16" - 18 x 3-1/2", Gr 5

4шт.

3

REF

INSTRUCTION

PUMP ASSEMBLY - charge, parts list Figure 6-36

1шт.

4

133760C2

GASKET

- charge pump (Replaces gasket 1986882C1)

1шт.

5

140754C1

PIN

- dowel, 5/16 x 5/8 inch

5шт.

11

NSS

NOT SOLD SEPARAT

COVER - end pump, order pump assembly

1шт.

142398C91

SHIM KIT

KIT - shim, end cover, Includes: Ref. 12

1шт.

12

NSS

NOT SOLD SEPARAT

SHIM - 0.003 inch, order kit

1шт.

12

NSS

NOT SOLD SEPARAT

SHIM - 0.005 inch, order kit

1шт.

12

NSS

NOT SOLD SEPARAT

SHIM - 0.010 inch, order kit

1шт.

12

NSS

NOT SOLD SEPARAT

SHIM - 0.015 inch, order kit

1шт.

12

NSS

NOT SOLD SEPARAT

SHIM - 0.020 inch, order kit

1шт.

12

NSS

NOT SOLD SEPARAT

SHIM - 0.030 inch, order kit

1шт.

14

92741C2

GASKET,0.38mm Thk

- end cover

1шт.

15

461-3086

HEX SOC SCREW,#8 - 32 x 3/8"

BOLT, Hex Soc Hd, #8-32 x 3/8"

6шт.

16

142408C1

RETAINER

- servo

2шт.

17

NSS

NOT SOLD SEPARAT

HOUSING - pump, order pump assembly

1шт.

18

278548

PLUG,Hex, 7/16"-20 ORB

Incl Ref 19 Hex Soc, 7/16"-20 ORB

1шт.

19

237-6004

O-RING,0.072" Thk x 0.351" ID, -904, Cl 6, 90 Duro

4-1, 90 Duro, .351" ID x .072" Thk

1шт.

20

9672438

PLUG,7/16" - 20 ORB

Incl. Ref. 21 Hex Hd, 7/16"-20 ORB

1шт.

21

237-6004

O-RING,0.072" Thk x 0.351" ID, -904, Cl 6, 90 Duro

4-1, 90 Duro, .351" ID x .072" Thk

1шт.

142386C91

SHIM KIT

KIT - shim, trunnion bearing, Includes: Ref. 22

1шт.

22

NSS

NOT SOLD SEPARAT

SHIM - 0.002 inch, order kit

6шт.

22

NSS

NOT SOLD SEPARAT

SHIM - 0.005 inch, order kit

4шт.

22

NSS

NOT SOLD SEPARAT

SHIM - 0.010 inch, order kit

4шт.

22

NSS

NOT SOLD SEPARAT

SHIM - 0.015 inch, order kit

4шт.

22

NSS

NOT SOLD SEPARAT

SHIM - 0.025 inch, order kit

4шт.

23

238-5234

O-RING,0.139" Thk x 2.984" ID, -234, Cl 5, 75 Duro

2шт.

24

NSS

NOT SOLD SEPARAT

TRUNNION - hydrostatic pump, order pump assembly

2шт.

25

413-714

BOLT,Hex, 7/16" - 14 x 7/8", Gr 5

- hex, 7/16 NC x 7/8 inch

6шт.

26

142407C1

KIT

SLEEVE - servo

2шт.

27

238-5237

O-RING,0.139" Thk x 3.359" ID, -237, Cl 5, 75 Duro

Servo sleeve -237, 70 Duro, 3.359" ID x .139" Thk

2шт.

28

238-5234

O-RING,0.139" Thk x 2.984" ID, -234, Cl 5, 75 Duro

Servo sleeve -234, 70 Duro, 2.984" ID x .139" Thk

2шт.

29

224669C91

PISTON

ASSEMBLY - servo, Includes: Ref. 30 - 38

2шт.

30

NSS

NOT SOLD SEPARAT

SCREW - hex socket, order piston assembly

1шт.

31

NSS

NOT SOLD SEPARAT

RETAINER - servo spring, order piston assembly

1шт.

33

NSS

NOT SOLD SEPARAT

SPRING - servo, heavy, order piston assembly

1шт.

34

NSS

NOT SOLD SEPARAT

SPRING - servo, light, order piston assembly

1шт.

36

NSS

NOT SOLD SEPARAT

PIN - link, order piston assembly

1шт.

37

NSS

NOT SOLD SEPARAT

RING - link retaining, order piston assembly

2шт.

38

NSS

NOT SOLD SEPARAT

LINK - servo, order piston assembly

1шт.

39

NSS

NOT SOLD SEPARAT

PLATE - identification, order pump assembly

1шт.

40

NSS

NOT SOLD SEPARAT

SCREW - drive, identification plate, order pump assembly

2шт.

41

413-748

BOLT,Hex, 7/16" - 14 x 3", Gr 5

6шт.

Выбрано товаров: 46