Запчасти Case IH 1660 (6-22) - HYDROSTATIC PUMP, CORN AND GRAIN COMBINE, PRIOR TO P.I.N. JJC0041567 (CONTD) (03) - POWER TRAIN

Схема запчастей Case IH 1660 - (6-22) - HYDROSTATIC PUMP, CORN AND GRAIN COMBINE, PRIOR TO P.I.N. JJC0041567 (CONTD) (03) - POWER TRAIN
85
70
59
93
96
77
61
44
104
101
83
52
98
48
89
72
81
95
86
105
78
90
53
91
88
62
67
60
43
94
52
102
87
55
64
97
54
101
79
99
103
69
53
50
71
82
100
68
56
66
FIT
1:1
100%

Артикул

Название

Примечание

Количество

REF

INSTRUCTION

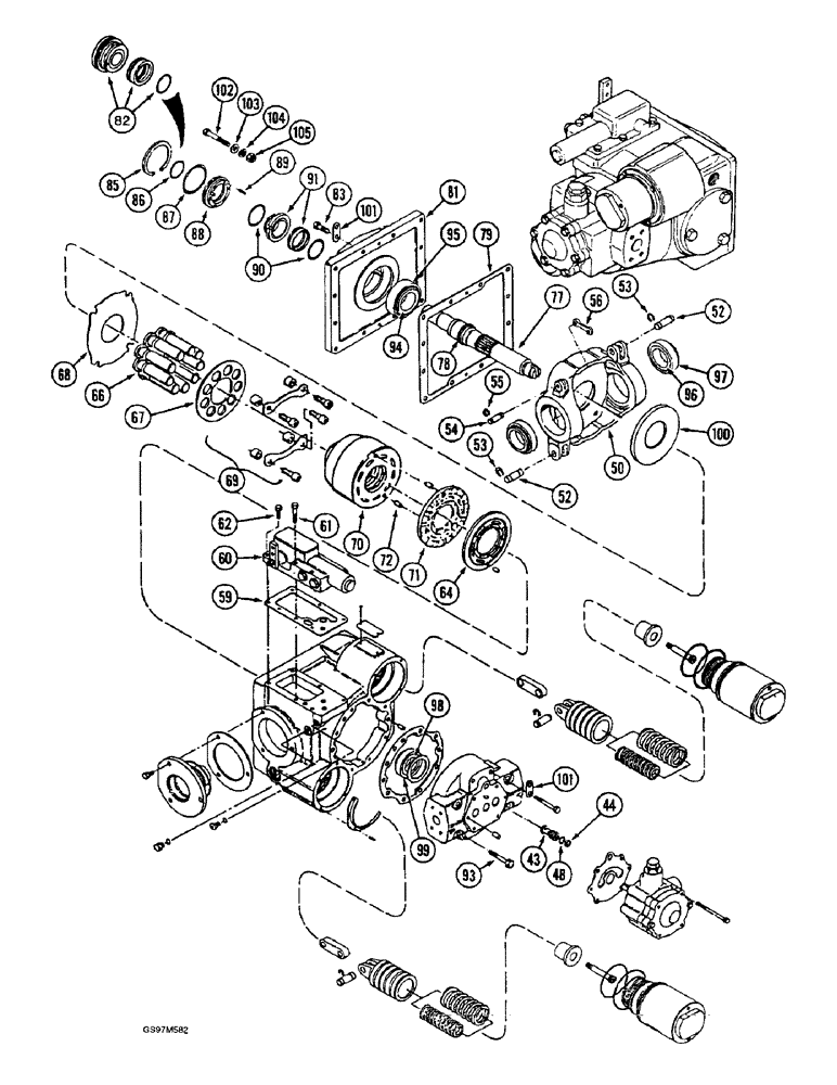
PUMP ASSEMBLY - hydrostatic, Includes: Ref. 43 - 81 and 2 - 41 on Figure 6-20

1шт.

43

140769C1

CHECK VALVE

VALVE - check

2шт.

44

140770C1

RING

- backup

2шт.

48

238-6113

O-RING,0.103" Thk x 0.549" ID, -113, Cl 6, 90 Duro

2шт.

50

1980171C1

HOUSING

PLATE - swash

1шт.

52

140766C1

PIN,14.22mm OD x 39.12mm L

- pivot

2шт.

53

28145R1

SNAP RING,#56, Ext

Ring, Snap, , servo linkage pin #56, Ext

4шт.

54

140765C1

PIN

- pivot, control valve

1шт.

55

100-1125

SNAP RING,#25, Ext

Ring, Snap, #25, Ext

2шт.

56

142402C1

LINK

- connecting, control valve

1шт.

59

133756C1

GASKET

- control valve

1шт.

60

133755C94

VALVE

ASSEMBLY - control, parts list Figure 6-36

1шт.

61

326-528

BOLT,Hex, 5/16" - 18 x 1-3/4", Gr 8

2шт.

62

413-516

BOLT,Hex, 5/16" - 18 x 1", Gr 5

- hex, 5/16 NC x 1 inch

4шт.

64

1980173C1

PLATE

- pump valve

1шт.

1980138C1

KIT

- rotating, cylinder, Includes: Ref. 66 - 72

1шт.

66

NSS

NOT SOLD SEPARAT

PISTON - cylinder block, order kit 1980138C1

9шт.

67

NSS

NOT SOLD SEPARAT

PLATE - retaining, order kit 1980138C1

1шт.

68

NSS

NOT SOLD SEPARAT

PLATE - retaining, clear, order kit 1980138C1

1шт.

69

NSS

NOT SOLD SEPARAT

KIT - hold down, order kit 1980138C1

1шт.

70

NSS

NOT SOLD SEPARAT

BARREL - cylinder, order kit 1980138C1

1шт.

71

NSS

NOT SOLD SEPARAT

PLATE - bearing, order kit 1980138C1

1шт.

72

140754C1

PIN

- dowel, 5/16 x 5/8 inch

7шт.

77

1980169C1

SHAFT

ASSEMBLY - input, Includes: Ref. 78

1шт.

78

NSS

NOT SOLD SEPARAT

RING - snap, order shaft assembly 1980169C1

1шт.

79

142399C1

GASKET

- mounting flange

1шт.

81

NSS

NOT SOLD SEPARAT

FLANGE - mounting, order pump assembly

1шт.

82

1346205C1

SEAL KIT

KIT - seal, shaft, Includes: Ref. 83 - 99

1шт.

83

326-720

BOLT,Hex, 7/16" - 14 x 1-1/4", Gr 8

12шт.

142518C92

PACKAGE

SEAL ASSEMBLY - shaft, three-piece, no longer available, order seal kit 1346205C1, item 82, Includes: Ref. 85 - 91

1шт.

85

606937C1

SNAP RING,2.835", Int, #281

Ring, Snap, 2.835", Int, #281

1шт.

86

S98648

O-RING

- 1-3/8 ID x 1/16 inch wide

1шт.

87

238-5145

O-RING,0.103" Thk x 2.55" ID, -145, Cl 5, 75 Duro

1шт.

88

NSS

NOT SOLD SEPARAT

RETAINER - seal, order seal assembly 142518C92

1шт.

89

NSS

NOT SOLD SEPARAT

SPRING - shaft seal, order seal assembly 142518C92

6шт.

90

238-5131

O-RING,0.103" Thk x 1.674" ID, -131, Cl 5, 75 Duro

2шт.

91

NSS

NOT SOLD SEPARAT

SEAL - shaft, order seal assembly 142518C92

1шт.

93

326-732

BOLT,Hex, 7/16" - 14 x 2", Gr 8

2шт.

94

56694H

BEARING ASSY,50.8mm ID x 30.3mm W

BEARING - tapered roller, input shaft

1шт.

95

ST863

BEARING CUP,93.22mm OD x 23.81mm W

CUP - tapered roller bearing, input shaft

1шт.

96

399933C91

ROLLER BEARING,45.24mm ID x 19.81mm W

BEARING - tapered roller, 1-25/32 inch ID, trunnion

2шт.

97

399934C1

BEARING CUP,73.43mm OD x 15.75mm W

CUP - tapered roller bearing, 2-57/64 inch OD, trunnion

2шт.

98

400983R91

ROLLER BEARING,1.18775" ID x 2.5317" OD x 0.8478"

BEARING - tapered roller, 1-3/16 inch ID, input shaft

1шт.

99

530741R1

BEARING CUP

CUP - tapered roller bearing, 2-17/32 inch OD, input shaft

1шт.

100

80369C1

PLATE

- thrust

1шт.

101

NSS

NOT SOLD SEPARAT

STRAP - shipping, shown for reference only

2шт.

102

413-836

BOLT,Hex, 1/2" - 13 x 2-1/4", Gr 5

- hex, 1/2 NC x 2-1/4 inch

4шт.

103

80679

LOCK WASHER,1/20.507 CST ZND

WASHER, LOCK, 1/2"

4шт.

104

283856C1

WASHER

- flat, 17/32 x 1 x 3/16 inch

4шт.

105

425-108

NUT,1/2" - 13, Gr 5

NUT, , Hex 1/2"-13, G5

4шт.

Выбрано товаров: 50