Запчасти Case IH 1660 (096) - AIR CONDITIONING, COMPRESSOR MOUNTING AND DRIVE (50) - CAB CLIMATE CONTROL

Схема запчастей Case IH 1660 - (096) - AIR CONDITIONING, COMPRESSOR MOUNTING AND DRIVE (50) - CAB CLIMATE CONTROL
7
18
16
1
7
17
19
11
6
13
15
8
17
4
12
14
17
16
2
15
5
3
FIT
1:1
100%

Артикул

Название

Примечание

Количество

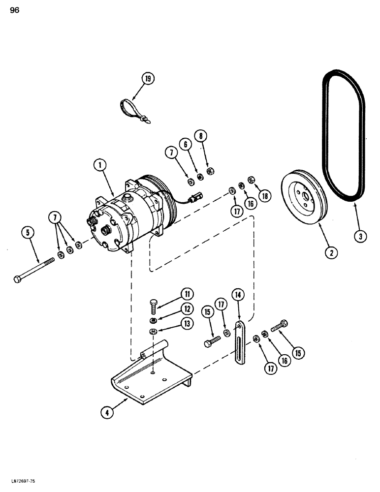
1

1977959C1

COMPRESSOR

ASSEMBLY - air conditioning (See Page 9G-63)

1шт.

1

1977959C1R

REMAN-A/C COMPRESSOR

1660 COMBINE SUPPLEMENT (S/N JJC0038346 & AFTER), ASSEMBLY

1шт.

1

1977959C1C

CORE-A/C COMPRESSOR

Return Number

1шт.

2

A189155

PULLEY

- drive, compressor

1шт.

3

396829R1

V-BELT,0.50" W x 44.00" L

Drive, Compressor 0.50" W x 44.00" L

1шт.

4

84715C1

BRACKET

- mounting, compressor

1шт.

5

814-10130

BOLT,Hex, M10 x 1.5 x 130mm, Cl 8.8

- hex, 10 x 130 mm

1шт.

6

892-11010

LOCK WASHER,M10

1шт.

7

895-15010

WASHER,11mm ID x 24mm OD x 2mm Thk

4шт.

8

825-1410

NUT,M10, Cl 8

1шт.

11

814-10025

BOLT,Hex, M10 x 1.5 x 25mm, Cl 8.8, Full Thd

4шт.

12

892-11010

LOCK WASHER,M10

4шт.

13

895-15010

WASHER,11mm ID x 24mm OD x 2mm Thk

4шт.

14

84716C1

SUPPORT

STRAP - adjusting

1шт.

15

814-10035

BOLT,Hex, M10 x 1.5 x 35mm, Cl 8.8, Full Thd

2шт.

16

892-11010

LOCK WASHER,M10

2шт.

17

895-15010

WASHER,11mm ID x 24mm OD x 2mm Thk

3шт.

18

825-1410

NUT,M10, Cl 8

2шт.

19

306132C1

CABLE TIE,14.5" L

STRAP - nylon 14 in

2шт.

Выбрано товаров: 19