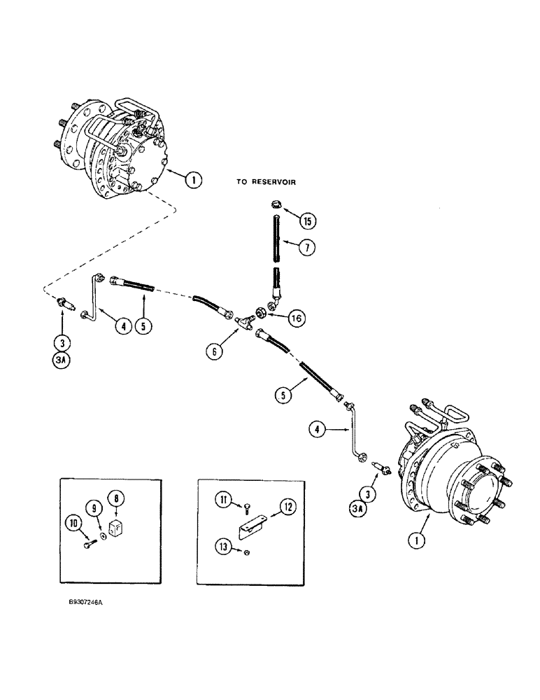
Запчасти Case IH 1666 (5-33A) - WHEEL MOTOR FLUSH SYSTEM, POWER GUIDE AXLE (04) - STEERING

Схема запчастей Case IH 1666 - (5-33A) - WHEEL MOTOR FLUSH SYSTEM, POWER GUIDE AXLE (04) - STEERING
3
7
16
1
12
9
11
3a
1
6
3a
5
3
13
10
5
8
15
4
4
FIT
1:1
100%

Артикул

Название

Примечание

Количество

1

1970137C2

MOTOR, HYDRAULIC

ASSEMBLY drive, wheel, corn and grain, parts list Fig. 5-50, Serial Range: -JJC0105176

2шт.

87300716R

REMAN-HYDROSTAT MOTO

1666 - CASE IH AXIAL-FLOW COMBINE - 1/93-12/94, Reman For New P/N's 1970137C2, 121436A1 & 87300716

2шт.

87300716C

CORE-HYDROSTAT MOTOR

Return Number

1шт.

Motors do not include pressure tubes as shown in the illustration. See Fig. 5-40 for pressure tubes.

1шт.

1

121436A1

MOTOR, HYDRAULIC

ASSEMBLY drive, wheel, corn and grain, parts list Fig. 5-50, Start Serial: JJC0105176

2шт.

Motors do not include pressure tubes as shown in the illustration. See Fig. 5-40 for pressure tubes.

1шт.

3

1346974C1

FITTING

ADAPTER flush port, metric thread, purchase separately, used with 1970137C2 motor, Serial Range: -JJC0105176

2шт.

3a

121434A1

ADAPTER

flush port, English thread, included with 121436A1 motor, Start Serial: JJC0105176

2шт.

4

1346971C1

TUBE

TUBE motor flush, corn and grain

2шт.

5

121435A1

HOSE

58 inch (1473 mm) long, wheel motor flush

2шт.

6

218-805

TEE,3/4"-16, 37 Degree, Blkhd

3/4-16 inch bulkhead flare branch x flare x flare

1шт.

7

1979706C1

HOSE

144-3/32 inch (3660 mm) long, case flush

1шт.

8

1347182C1

CLAMP

CLAMP flush tube, corn and grain

2шт.

9

495-11053

WASHER,1/2", SAE

(17/32" x 1-1/16" x 3/32"), Corn and grain

2шт.

10

614-12040

BOLT,Hex, M12 x 1.75 x 40mm, Cl 8.8, Full Thd

BOLT hex, 3/8 NC x 1 inch, grade 8

2шт.

12

1347068C1

SUPPORT

BRACKET flush tee

1шт.

13

232-4116

NUT,3/8"-16, GC

2шт.

15

214-1404

HOSE CLAMP,#04, 0.25" - 0.62", Type F Worm

Adj

1шт.

16

218-1255

BHD LOCK NUT,Blkhd, 3/4"-16

1шт.

Выбрано товаров: 0