Запчасти Case IH 1666 (5-50) - WHEEL DRIVE MOTOR, POWER GUIDE AXLE (04) - STEERING

Схема запчастей Case IH 1666 - (5-50) - WHEEL DRIVE MOTOR, POWER GUIDE AXLE (04) - STEERING
49
26
25
27
46
19
6
47
34
13
42
45
11
12
17
5
48
36
2
20
8
29
40
44
35
28
39
50
41
21
43
1
FIT
1:1
100%

Артикул

Название

Примечание

Количество

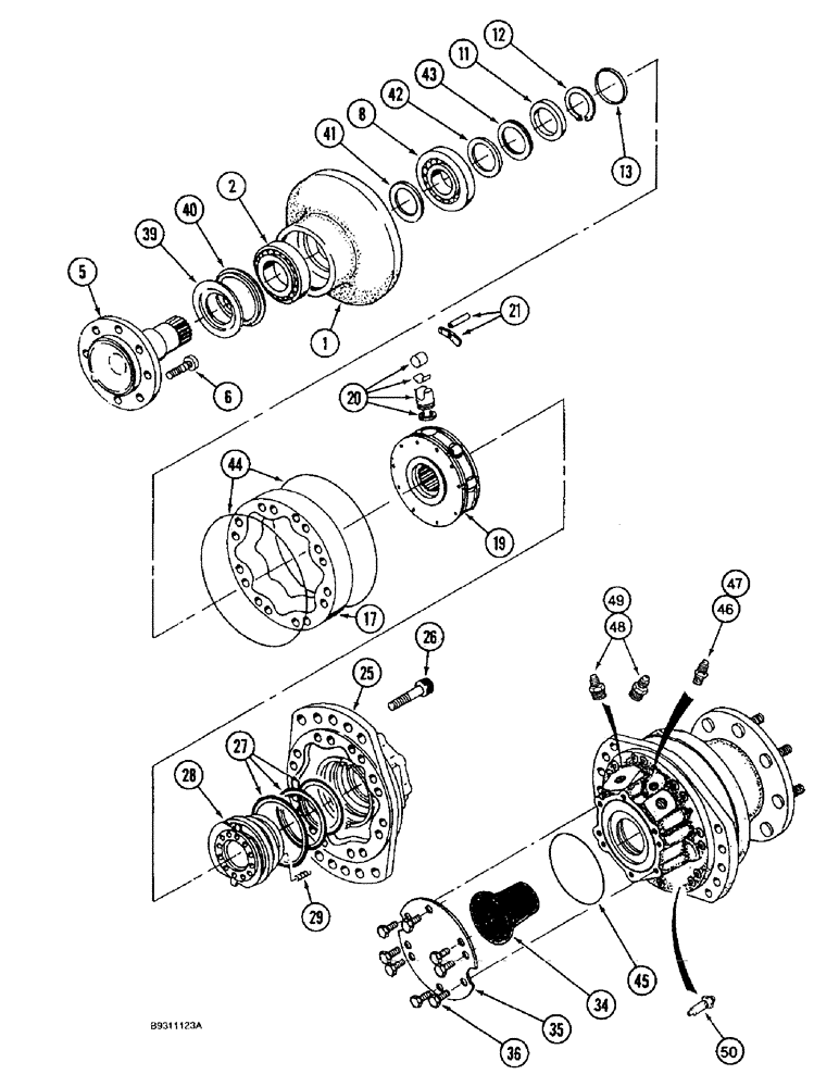
1970137C2

MOTOR, HYDRAULIC

ASSEMBLY drive, wheel, Serial Range: -JJC0105176

1шт.

87300716R

REMAN-HYDROSTAT MOTO

1666 - CASE IH AXIAL-FLOW COMBINE - 1/93-12/94, Reman For New P/N's 1970137C2, 121436A1 & 87300716

1шт.

87300716C

CORE-HYDROSTAT MOTOR

Return Number

1шт.

1970137C2 and 121436A1 motors are identical except for the ports in the housing. 1970137C2 uses metric threads and 121436A1 uses English threads. 121436A1 motor includes adapters, Refs. 46-50 shown in this Figure. Adapters for 1970137C2 are located on pages 5-33A and 5-4).

1шт.

121436A1

MOTOR, HYDRAULIC

ASSEMBLY drive, wheel, Includes: Ref. 1 thru 50, Start Serial: JJC0105176

1шт.

1970137C2 and 121436A1 motors are identical except for the ports in the housing. 1970137C2 uses metric threads and 121436A1 uses English threads. 121436A1 motor includes adapters, Refs. 46-50 shown in this Figure. Adapters for 1970137C2 are located on pages 5-33A and 5-40.

1шт.

1

NSS

NOT SOLD SEPARAT

HOUSING support, bearing

1шт.

2

NSS

NOT SOLD SEPARAT

BEARING outer, housing

1шт.

5

NSS

NOT SOLD SEPARAT

SHAFT hub, wheel

1шт.

6

1970151C1

STUD

mounting, retaining, shaft

8шт.

8

NSS

NOT SOLD SEPARAT

BEARING inner, housing

1шт.

11

NSS

NOT SOLD SEPARAT

SPACER retaining, ring

1шт.

12

NSS

NOT SOLD SEPARAT

RING snap

1шт.

13

NSS

NOT SOLD SEPARAT

RETAINER snap ring

1шт.

17

NSS

NOT SOLD SEPARAT

RING cam

1шт.

19

NSS

NOT SOLD SEPARAT

BLOCK cylinder

1шт.

20

NSS

NOT SOLD SEPARAT

KIT piston block

10шт.

21

NSS

NOT SOLD SEPARAT

KIT retainer, piston

1шт.

25

NSS

NOT SOLD SEPARAT

COVER distribution

116шт.

26

NSS

NOT SOLD SEPARAT

BOLT retainer, cover

1шт.

27

1978004C1

SEAL KIT

KIT block

1шт.

28

NSS

NOT SOLD SEPARAT

BLOCK valve

1шт.

29

NSS

NOT SOLD SEPARAT

SPRING pressure, valve block

8шт.

32

NSS

NOT SOLD SEPARAT

HOUSING motor, wheel

1шт.

34

1970394C1

CASE

ACCUMULATOR housing, motor

1шт.

35

1978005C1

COVER

PLATE

1шт.

36

NSS

NOT SOLD SEPARAT

BOLT retaining, cover plate

8шт.

1978008C1

SEAL KIT

KIT wheel motor, Includes: Ref. 39 thru 44

1шт.

39

NSS

NOT SOLD SEPARAT

DEFLECTOR shaft

1шт.

40

NSS

NOT SOLD SEPARAT

SEAL grease

1шт.

41

NSS

NOT SOLD SEPARAT

SEAL inner, shaft

1шт.

42

NSS

NOT SOLD SEPARAT

WASHER shim, support

1шт.

43

NSS

NOT SOLD SEPARAT

KIT shim, bearing

1шт.

44

NSS

NOT SOLD SEPARAT

O-RING cam

2шт.

45

238-5162

O-RING,0.103" Thk x 5.737" ID, -162, Cl 5, 75 Duro

1шт.

46

218-5059

HYD CONNECTOR,3/4"-16, 37 Degree x 3/4"-16, O-Ring

ADAPTER straight, 3/4-16 inch flare x O-ring boss, included with 121436A1 motor only, Incl. Ref 47, Start Serial: JJC0105176

1шт.

47

237-6008

O-RING,0.087" Thk x 0.644" ID, -908, Cl 6, 90 Duro

1шт.

48

218-5064

HYD CONNECTOR,1-1/16" - 12 Male JIC x 1-1/16" - 12 Male ORB

Adapter, Straight, O-Ring boss, Included with 121436A1 motor only, Incl. Ref. 49, Start Serial: JJC0105176

2шт.

49

237-6012

O-RING,0.116" Thk x 0.924" ID, -912, Cl 6, 90 Duro

1шт.

50

121434A1

ADAPTER

flush port, English thread, included with 121436A1 motor only, Start Serial: JJC0105176

1шт.

Выбрано товаров: 40