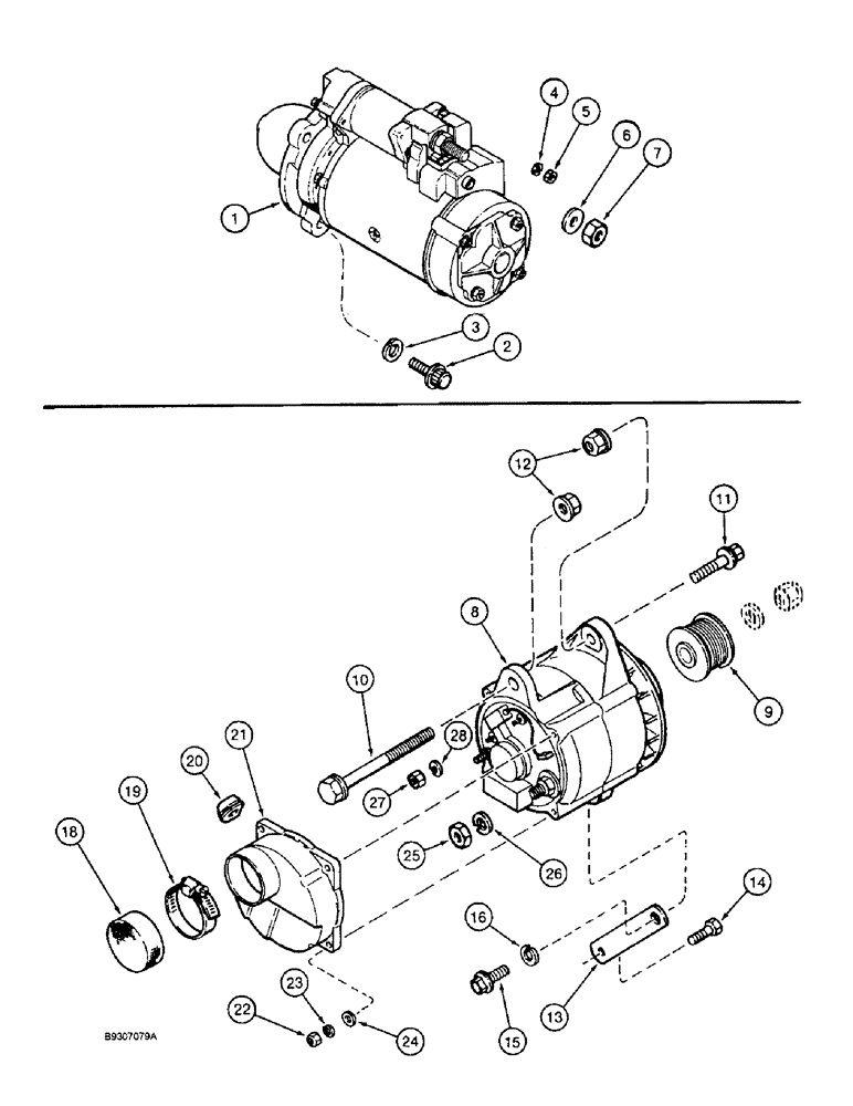
Запчасти Case IH 1666 (4-44) - STARTER AND ALTERNATOR MOUNTING (06) - ELECTRICAL

Схема запчастей Case IH 1666 - (4-44) - STARTER AND ALTERNATOR MOUNTING (06) - ELECTRICAL
23
5
7
18
13
27
11
4
26
21
2
24
3
8
19
25
12
20
14
6
28
16
22
15
9
1
10
FIT
1:1
100%

Артикул

Название

Примечание

Количество

1

A187728

STARTING MOTOR

ASSEMBLY engine, parts list Figs. 4-50 and 4-52, and mounting

1шт.

1

AR187728

REMAN-STARTER

Remanufactured Starter

1шт.

1

AC187728

CORE-STARTER

Return Part Number

1шт.

1

A187728GV

STARTER MOTOR

Value

1шт.

2

868-12035

12 PT SCREW,M12 x 35mm, Cl 12.9

BOLT 12 point flange, 12 - 1.75 x 35 mm, class 12.9, starter mounting

3шт.

3

892-11012

LOCK WASHER,M12

Starter Mounting

3шт.

4

492-11010

LOCK WASHER,#10

Starter mounting

1шт.

5

225-14210

NUT,#10-32

Starter mounting

1шт.

6

495-11053

WASHER,1/2", SAE

(17/32" x 1-1/16" x 3/32"), Starter mounting

1шт.

7

425-108

NUT,1/2" - 13, Gr 5

Starter mounting

1шт.

8

896-11012

WASHER,13.5mm ID x 24mm OD x 3mm Thk

Starter Mounting

3шт.

8

91448C2

ALTERNATOR

ASSEMBLY engine, 110 ampere, parts list Fig. 4-48, alternator mounting

1шт.

8

91448C2R

REMAN-ALTERNATOR

Reman For New P/N 91448C2

1шт.

8

91448C2C

CORE-ALTERNATOR

Return Part Number

1шт.

8

91448C2GV

ALTERNATOR

Value, 110 Amp

1шт.

9

A189616

PULLEY

alternator mounting

1шт.

10

854-12065

BOLT,Hvy Hex, M12 x 65mm, Cl 10.9

BOLT heavy hex flange, 12 - 1.75 x 65 mm, class 10.9, alternator mounting

1шт.

11

854-12050

BOLT,Hvy Hex, M12 x 50mm, Cl 10.9

Alternator mounting

1шт.

12

829-2312

FLANGE NUT,M12 x 1.75, Flg, Cl 10

Alternator mounting

2шт.

13

J911485

SUPPORT

BRACE alternator, mounting

1шт.

14

614-8030

BOLT,Hex, M8 x 1.25 x 30mm, Cl 8.8, Full Thd

Full Thd, Alternator mounting

1шт.

15

360-820

BOLT,Hex, 1/2" - 13 x 1 1/4", Gr 8

BOLT hex flange, 1/2 NC x 1-1/4 inch, grade 8, alternator mounting

1шт.

16

892-11008

LOCK WASHER,8mm ID

Alternator mounting

1шт.

18

1979627C1

COVER

SCREEN alternator dust cover, mounting

1шт.

19

681209C1

HOSE CLAMP,#32, 1.56/2.50 Type F Worm, W/liner

adj, No. 32, type F, retaining, alternator mounting

1шт.

20

1964826C1

GROMMET

alternator mounting

1шт.

21

1338890C1

COVER

end, alternator mounting

1шт.

22

825-1405

NUT,M5, Cl 8

Alternator mounting

4шт.

23

892-11005

LOCK WASHER,M5

Alternator mounting

8шт.

24

495-31025

WASHER,3/16"

flat, 1/4 x 9/16 x 3/64 inch, alternator mounting

4шт.

25

425-147

JAM NUT,Jam, 7/16"-14, G5

hex, jam, 7/16 inch NC, alternator mounting

1шт.

26

492-11044

LOCK WASHER,7/16"

Alternator mounting

1шт.

27

825-1404

NUT,M4, Cl 8

Alternator mounting

1шт.

28

892-11004

LOCK WASHER,M4

Alternator mounting

1шт.

Выбрано товаров: 34