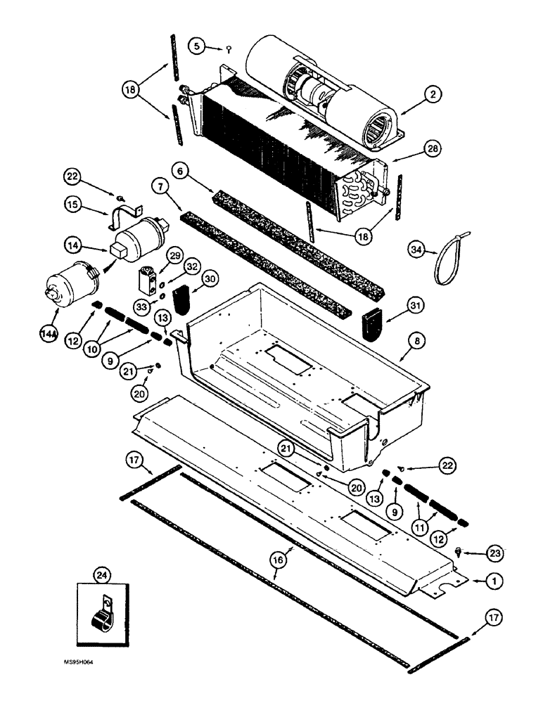
Запчасти Case IH 1666 (9G-36) - CAB, EVAPORATOR HEATER CORE AND BLOWER MOUNTING (10) - CAB & AIR CONDITIONING

Схема запчастей Case IH 1666 - (9G-36) - CAB, EVAPORATOR HEATER CORE AND BLOWER MOUNTING (10) - CAB & AIR CONDITIONING
21
16
6
10
22
8
33
20
24
28
13
21
34
11
9
5
2
20
31
30
13
7
15
17
17
23
18
12
32
18
14
9
1
14a
22
12
29
FIT
1:1
100%

Артикул

Название

Примечание

Количество

1

1276238C1

SUPPORT

mounting blower box

1шт.

2

1255878C91

BLOWER ASSY.

cab pressurizer, parts list Fig. 9G-38

1шт.

5

104033C2

SELF-TAP SCREW,Truss HD, #10 - 16 x 3/4"

self tapping, truss head

6шт.

6

84123C1

STRIP

SEAL core front

1шт.

7

84124C1

STRIP

SEAL core rear

1шт.

8

135776C2

HOUSING

blower core

1шт.

9

1250522C3

FITTING

straight, special drain, Serial Range: hose-housing

2шт.

10

1276252C1

HOSE ASSY.

94 inch (2388 mm) long, cut from 198091C1 bulk hose condensate, left hand

1шт.

11

1327566C1

HOSE,12.95 mm ID x 3404.00 mm

134 inch (3404 mm) long, cut from 198091C1 bulk hose condensate, right hand

1шт.

12

109239C2

CHECK VALVE

2шт.

13

195806C1

GROMMET

condensate hose, 3/4 inch ID

2шт.

14

143469C2

RESERVOIR

air conditioning system, replaced by 1990758C2 reservoir Ref. 14A

1шт.

14a

1990758C2

RECEIVER-DRYER

air conditioning, replaces 143469C2 reservoir Ref. 14

1шт.

15

1250439C1

CLAMP

receiver drier

1шт.

16

1327504C1

SEAL

50 inch (1270 mm) long, cut for 187874C1 bulk seal cut from 187874C1 bulk seal, support headliner

2шт.

17

1301250C1

SEAL

foam, adhesive backed 10 inch (254 mm) long, cut from 187874C1 bulk seal support and headliner

2шт.

18

1327503C1

SEAL

6-1/2 inch (165 mm) long, cut from 187874C1 bulk seal, Serial Range: core-housing

4шт.

20

143309C1

SELF-TAP SCREW,Cross Pan Hd, #10 - 16 x 1/2"

self tapping, pan Phillips head

4шт.

21

395-31022

WASHER,#10

flat, 7/32 x 1/2 x 1/16 inch

4шт.

22

104033C2

SELF-TAP SCREW,Truss HD, #10 - 16 x 3/4"

self tapping, truss head

12шт.

23

111618C2

SELF-TAP SCREW,Hex Flng, 1/4" - 14 x 1"

self tapping, hex washer head, 1/4 NC x 1 inch

4шт.

24

362126R1

CLIP

CLAMP, right hand condensate hose

3шт.

1974632C3

EVAPORATOR

CORE ASSEMBLY, heater and evaporator, replaces 1974632C2 core, Includes: Ref. 28 thru 33

1шт.

28

NSS

NOT SOLD SEPARAT

CORE evaporator

1шт.

29

1990756C1

VALVE

expansion, replaces 98370C3

1шт.

30

1250463C2

GROMMET

rubber evaporator tubes

1шт.

31

1250464C2

GROMMET

rubber heater tubes

2шт.

32

238-5015

O-RING,0.07" Thk x 0.551" ID, -15, Cl 5, 75 Duro

1шт.

33

238-5013

O-RING,0.07" Thk x 0.426" ID, -13, Cl 5, 75 Duro

1шт.

34

306132C1

CABLE TIE,14.5" L

CABLE STRAP tie, 14 inch

3шт.

1974883CX

SEAL

bulk, adhesive backed, 1/2 (13) x 1-1/2 (38) x 600 inch (15240 mm) long

1шт.

198091C1

HOSE,12.95mm ID x 15240mm L

bulk, 1/2 (13) ID x 600 inch (15240 mm) long

1шт.

187874C1

GASKET

bulk, adhesive backed, 1/8 (3) x 3/8 (10) x 600 inch (15240 mm) long

1шт.

Выбрано товаров: 33